КАК СДЕЛАТЬ ИЗ 12 ВОЛЬТ 24
Недавно мы рассматривали устройство понижающее напряжение с 24 до 12 вольт, а теперь изучим повышающий преобразователь 12-24 В. Этот DC-DC преобразователь собран на основе специализированной микросхемы LM2585 производства Texas Instruments. Схема понадобилась для использования в авто (в частности для зарядки ноутбука на 20 В) и была выбрана за предельную простоту, требующую минимального числа внешних компонентов. Элемент переключения — транзистор, интегрирован внутрь регулятора, и способен выдерживать максимальный ток 3А и 60V напряжения. Частота переключения определяется параметрами внутреннего генератора и зафиксирована на 100 кГц. Дополнительные функции — схема плавного пуска, чтобы устранить скачки тока во время пуска и внутреннее ограничение тока. Поддержание точности выходного напряжения составляет 4% в зависимости от нагрузки.
Схема преобразователя 12-24 В
Плата печатная преобразователя 12-24
Технические характеристики преобразователя
- Vin 10-15V DC
- Vout 24V
- Iout 1А
- частота 100 кГц
Вообще сама микросхема обладает более широким диапазоном напряжений и токов. Входное напряжение 4-40 В, выходное до 60 вольт, а предельный ток 3 ампера. Более подробно изучайте в даташите на LM2585.
Входные конденсаторе и диоде должны располагаться достаточно близко к регулятору, чтобы свести к минимуму индуктивности. Элементы IC1, L1, D1, C1, C2, C5, C6 — основные части, используемые в преобразователе напряжения. Конденсатор С3 при монтаже должен располагаться как можно ближе к IC1. Конденсаторы выбирайте типа low ESR с низким сопротивлением постоянному току.
При максимальной выходной мощности, заметна значительная выработка тепла, по этой причине микросхема монтируется непосредственно на общей земле платы.
Графики работы инвертора
Последний график показывает пульсации выходного напряжения и тока индуктивности.
Originally posted 2018-11-01 01:59:05. Republished by Blog Post Promoter
Как из 12 вольт получить 24 вольта
Преобразователь напряжения пригодиться во многих случаях. Во-первых, этот прибор пригодится для получения напряжения 28 В, при питании коммутатора ADC гигабайтного Интернета, а также при подключении блока Macintosh G4s от стандартного блока питания компьютера ATX. Да ещё есть много случаев, когда вам пригодится отличное от стандартного напряжение.
Возможно даже вам потребуется подключить электрооборудование на 12 В к сети туристического прицепа или мотоцикла на 6 В. Также вы можете применить преобразователь для питания компьютерного кулера от 24 В, когда недостаточно обычной скорости вращения вентилятора от 12 В. В каких случаях нужно повысить скорость вращения кулера, вы можете узнать из других статей. Особенно нелишне будет прочесть рассказ о том, как собрать самодельный, мощный обогреватель для автомобиля.
Предложенная схема преобразователя напряжения используется для питания флуоресцентной лампы в планшетном сканнере.
Пояснения к схеме.
Трансформатор необходимо собрать на ферритовом сердечнике. Преобразователь отлично будет работать на тороидальном сердечнике диаметром 30 мм, который похож на миниатюрный пончик. Если использовать броневой ферритовый магнитопровод, то преобразователь будет работать тоже. К тому же, состоящий из двух Ш-образных половинок сердечник легче найти, и наматывать проволоку на него легче. Броневой ферритовый магнитопровод можно найти, например: в поломанном компьютерном блоке питания, в цоколе сгоревшей компактной люминесцентной лампы (КЛЛ или экономлампе).
Обмоточной проволоки на сердечник трансформатора придётся мотать совсем не много, поэтому витки можно намотать даже тонким проводом в поливиниловой изоляции.
Первичная обмотка повышающего трансформатора состоит всего лишь из 4 витков, две вторичные обмотки наматываются из 13 витков каждая.
Не ошибитесь, и соберите трансформатор правильно. Первичная обмотка наматывается в противоположном направлении, чем вторичные обмотки, которые намотаны в одном направлении. Начало одной вторичной обмотки соединено с концом другой. На схеме, точками возле «спиралек», обозначены начала обмоток трансформатора.
Транзисторы нужны для ключей преобразователя биполярные. Так как, для выше названных целей применения нашего преобразователя, ток на выходе не может превысить 500 мА, то можно использовать распространённые транзисторы: 2N3904, 2N4401, PN2222, MPS2222, C945, NTE123AP. Если вы собираетесь запустить от преобразователя плазменный монитор, тогда нужно взять два транзистора помощнее, такие как D965, которые устанавливаются в фотовспышку фотоаппарата. Если же вам нужно подключить к преобразователю нагрузку мощностью более 5 А, тогда устанавливайте ключи на составных транзисторах, например TIP120 или TIP3055. Но тогда не забудьте поменять диоды в схеме, на такие которые выдержат токи свыше 10 А, а сами транзисторы уже понадобиться закрепить на радиаторы.
Диоды устанавливайте не любые, которые найдёте, а те которые могут закрываться при обратной полярности тока за время 35 наносекунд, и меньше. Отлично, по этому показателю, для преобразователя подходят диоды 1N914 и 1N4148, но они выдерживают прямой ток не более 4 А. При подключении к преобразователю нагрузки более низкоомной, чем кулер, нужно поставить выпрямители SUF30J, UF510, UF540, которые могут работать при токах 15 – 20 А.
Конденсаторы можно выбрать с изоляционной обкладкой, как из полиэстера, так и из полипропилена. Конденсаторы на 100 пФ и 470 пФ не электролитические, а неполярные, они нужны для фильтрации высоких частот. Конденсатор на выходе, имеющий ёмкость 1,5 мФ, является электролитическим. По напряжению конденсаторы выбирайте в два раза больше, того напряжения, что действует в цепи.
Катушка нужна на величину индуктивности около 1 мГн. Таких катушек полно в радио- и телеаппаратуре, а также в тех же экономлампах.
Резисторы обязательно выбирайте по мощности с запасом. Оптимально для данной схемы подходят резисторы по 0,5 Вт. При увеличении выходного напряжения вдвое, необходимо также и сопротивление резисторов увеличивать вдвое.
Как ранее упоминалось, приведённая схема в первую очередь предназначена для питания компьютерного вентилятора завышенным вдвое входным напряжением. А вы можете, изменив соотношение витков на трансформаторе, изменять входное напряжение и в других пределах. В этом вам поможет умная голова, и умелые руки.
Преобразователи напряжения (инверторы) 12/24 В в 220 В.
Мощность от 100 до 1000Вт.
Собственное производство. Гарантия на инверторы 5 лет.
Преобразователи напряжения 12 в 24В и 24 в 12В
Для таких случаев мы предлагаем преобразователь напряжения ПН12/24-150 , обеспечивающий получение стабилизированного напряжения 24В от автомобильного аккумулятора 12В. Этот преобразователь имеет номинальную выходную мощность 100Вт (выходной ток 4,2А) и максимальную 150Вт (выходной ток 6,3А). Подробное описание и электрическую схему преобразователя ПН12/24-150 смотрите на нашем сайте radio-nn.ru
Также мы предлагаем универсальные преобразователи ПН12/24/220 — 400 и ПН24/12/220-400, имеющие два выходных напряжения: постоянное 12В (24В) и переменное 220В 50Гц. Эти преобразователи построены на базе выпускаемых нашим предприятием преобразователей напряжения ПН12/220-400 и ПН24/220-400. При сохранении своей основной функции, получения переменного напряжения 220В, в преобразователь добавляется дополнительный выход постоянного напряжения 12В (24В). Мощность нагрузки по дополнительному выходу равна номинальной мощности преобразователя. Естественно, что суммарная мощность при работе обоих выходов не должна превышать номинальную.
Рассмотрим схему получения в преобразователе дополнительных выходных напряжений.
Наиболее просто решается задача преобразования постоянного напряжения 12В в 24В.
Преобразователи напряжения 12В в 24В
Так как в подавляющем большинстве случаев 12-вольтовые инверторы построены по полумостовой схеме (см. раздел «Основные типы преобразователей напряжения «), то в этом случае достаточно заменить в выходном каскаде диоды FR207 на более мощные и увеличить емкость злектролитического конденсатора до 2000-4000 мкФ на напряжение 35-50В. Фрагмент электрической принципиальной схемы инвертора с этими элементами показан на рис.1.
Выходной каскад преобразователя напряжения ПН 12/200-300
Так как форма выходного сигнала преобразователя напряжения прямоугольная, то больших значений емкости не требуется. В качестве мощных выпрямительных диодов удобно использовать КД206, так как у них катод соединён с корпусом, и следовательно, их можно установить без изоляции на радиаторы мощных выходных транзисторов. В зависимости от требуемого максимального тока по выходу 24В устанавливаются параллельно один или два диода в каждое плечо мостовой схемы. С целью снижения потерь можно использовать диоды Шоттки, например, SR510 (5А, 100В) или диодные сборки с общим катодом SB16100CT (16A 100В).
Преобразователи напряжения 24В в 12В
Для преобразования постоянного напряжения 24В в 12В в трансформаторе приходится делать дополнительную обмотку, напряжение с которой выпрямляется и фильтруется. Конечно, это не так удобно, как в предыдущем случае, поэтому иногда проще применить отдельный адаптер 24/12В. Такие устройства в большом ассортименте выпускаются промышленностью и достаточно дешевы. Строятся они по принципу линейного (параметрического) или импульсного источника питания. (Подробнее см. «
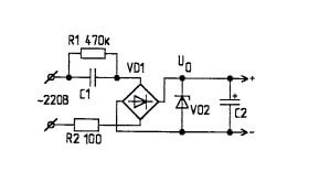
Недавно мы рассматривали устройство понижающее напряжение с 24 до 12 вольт, а теперь изучим повышающий преобразователь 12-24 В. Этот DC-DC преобразователь собран на основе специализированной микросхемы LM2585 производства Texas Instruments.
Схема понадобилась для использования в авто (в частности для зарядки ноутбука на 20 В) и была выбрана за предельную простоту, требующую минимального числа внешних компонентов. Элемент переключения — транзистор, интегрирован внутрь регулятора, и способен выдерживать максимальный ток 3А и 60V напряжения. Частота переключения определяется параметрами внутреннего генератора и зафиксирована на 100 кГц. Дополнительные функции — схема плавного пуска, чтобы устранить скачки тока во время пуска и внутреннее ограничение тока. Поддержание точности выходного напряжения составляет 4% в зависимости от нагрузки.
Схема преобразователя 12-24 ВТехнические характеристики преобразователя
Входные конденсаторе и диоде должны располагаться достаточно близко к регулятору, чтобы свести к минимуму индуктивности. Элементы IC1, L1, D1, C1, C2, C5, C6 — основные части, используемые в преобразователе напряжения. Конденсатор С3 при монтаже должен располагаться как можно ближе к IC1. Конденсаторы выбирайте типа low ESR с низким сопротивлением постоянному току.
При максимальной выходной мощности, заметна значительная выработка тепла, по этой причине микросхема монтируется непосредственно на общей земле платы. Графики работы инвертора
Последний график показывает пульсации выходного напряжения и тока индуктивности. Мы видим, что пульсации выходного напряжения составляет около 0,6 Vpp и пиковый ток 2,4 А. Дроссель в конструкции использован на 5 A постоянного тока, поэтому он может легко выдержать такой ток и без особого нагрева катушки.
Блок питания 1,5в, 3,3в, 5в, 12в, 24в, самому собрать из подручных деталей мощный блок. Схемы блоков питания. Сборка простого блока питания.

Как самому собрать простой блок питания и мощный источник напряжения.
Порой приходится подключать различные электронные приборы, в том числе самодельные, к источнику постоянного напряжения 12 вольт. Блок питания несложно собрать самостоятельно в течении половины выходного дня. Поэтому нет необходимости приобретать готовый блок, когда интереснее самостоятельно изготовить необходимую вещь для своей лаборатории.
Блок питания 12в
Каждый, кто захочет сможет изготовить 12 — ти вольтовый блок самостоятельно, без особых затруднений.
Кому-то необходим источник для питания усилителя, а кому запитать маленький телевизор или радиоприемник …
Шаг 1: Какие детали необходимы для сборки блока питания …
Для сборки блока, заранее подготовьте электронные компоненты, детали и принадлежности из которого будет собираться сам блок ….
-Монтажная плата.
-Четыре диода 1N4001, или подобные. Мост диодный.
-Стабилизатор напряжения LM7812.
-Маломощный понижающий трансформатор на 220 в, вторичная обмотка должна иметь 14В — 35В переменного напряжения, с током нагрузки от 100 мА до 1А, в зависимости от того какую мощность необходимо получить на выходе.
-Электролитический конденсатор емкостью 1000мкФ — 4700мкФ.
-Конденсатор емкостью 1uF.
-Два конденсатора емкостью 100nF.
-Обрезки монтажного провода.
-Радиатор, при необходимости.
Если необходимо получить максимальную мощность от источника питания, для этого необходимо подготовить соответствующий трансформатор, диоды и радиатор для микросхемы.
Шаг 2: Инструменты ….
Для изготовления блока необходимы инструменты для монтажа:
-Паяльник или паяльная станция
-Кусачки
-Монтажный пинцет
-Кусачки для зачистки проводов
-Устройство для отсоса припоя.
-Отвертка.
И другие инструменты, которые могут оказаться полезными.
Шаг 3: Схема и другие …
Для получения 5 вольтового стабилизированного питания, можно заменить стабилизатор LM7812 на LM7805.
Для увеличения нагрузочной способности более 0,5 ампер, понадобится радиатор для микросхемы, в противном случае он выйдет из строя от перегрева.
Однако, если необходимо получить несколько сотен миллиампер (менее, чем 500 мА) от источника, то можно обойтись без радиатора, нагрев будет незначительным.
Кроме того, в схему добавлен светодиод, чтобы визуально убедиться, что блок питания работает, но можно обойтись и без него.
Блок питания 12в 30а
Схема блока питания 12в 30А.
При применении одного стабилизатора 7812 в качестве регулятора напряжения и нескольких мощных транзисторов, данный блок питания способен обеспечить выходной ток нагрузки до 30 ампер.
Пожалуй, самой дорогой деталью этой схемы является силовой понижающий трансформатор. Напряжение вторичной обмотки трансформатора должно быть на несколько вольт больше, чем стабилизированное напряжение 12в, чтобы обеспечить работу микросхемы. Необходимо иметь в виду, что не стоит стремиться к большей разнице между входным и выходным значением напряжения, так как при таком токе теплоотводящий радиатор выходных транзисторов значительно увеличивается в размерах.
В трансформаторной схеме применяемые диоды должны быть рассчитаны на большой максимальный прямой ток, примерно 100А. Через микросхему 7812 протекающий максимальный ток в схеме не составит больше 1А.
Шесть составных транзисторов Дарлингтона типа TIP2955 включенных параллельно, обеспечивают нагрузочный ток 30А (каждый транзистор рассчитан на ток 5А), такой большой ток требует и соответствующего размера радиатора, каждый транзистор пропускает через себя одну шестую часть тока нагрузки.
Для охлаждения радиатора можно применить небольшой вентилятор.
Проверка блока питания
При первом включении не рекомендуется подключать нагрузку. Проверяем работоспособность схемы: подсоединяем вольтметр к выходным клеммам и измеряем величину напряжения, оно должно составлять 12 вольт, или значение очень близко к нему.
Далее подключаем нагрузочный резистор 100 Ом, мощностью рассеивания 3 Вт, или подобную нагрузку — типа лампы накаливания от автомобиля. При этом показание вольтметра не должно изменяться. Если на выходе отсутствует напряжение 12 вольт, отключите питание и проверьте правильность монтажа и исправность элементов.
Перед монтажом проверьте исправность силовых транзисторов, так как при пробитом транзисторе напряжение с выпрямителя прямиком попадает на выход схемы. Чтобы избежать этого, проверьте на короткое замыкание силовые транзисторы, для этого измерьте мультиметром по раздельности сопротивление между коллектором и эмиттером транзисторов. Эту проверку необходимо провести до монтажа их в схему.
Блок питания 3 — 24в
Схема блока питания выдает регулируемое напряжение в диапазоне от 3 до 25 вольт, при токе максимальной нагрузки до 2А, если уменьшить токоограничительный резистор 0,3 ом, ток может быть увеличен до 3 ампер и более.
Транзисторы 2N3055 и 2N3053 устанавливаются на соответствующие радиаторы, мощность ограничительного резистора должно быть не менее 3 Вт. Регулировка напряжения контролируется ОУ LM1558 или 1458. При использовании ОУ 1458 необходимо заменить элементы стабилизатора, подающие напряжение с вывода 8 на 3 ОУ с делителя на резисторах номиналом 5.1 K.
Максимальное постоянное напряжение для питания ОУ 1458 и 1558 36 В и 44 В соответственно. Силовой трансформатор должен выдавать напряжение, как минимум на 4 вольт больше, чем стабилизированное выходное напряжение. Силовой трансформатор в схеме имеет на выходе напряжение 25.2 вольт переменного тока с отводом посредине. При переключении обмоток выходное напряжение уменьшается до 15 вольт.
Схема блока питания на 1,5 в
Схема блока питания для получения напряжения 1,5 вольта, используется понижающий трансформатор, мостовой выпрямитель со сглаживающим фильтром и микросхема LM317.
Схема регулируемого блока питания от 1,5 до 12,5 в
Схема блока питания с регулировкой выходного напряжения для получения напряжения от 1,5 вольта до 12,5 вольт, в качестве регулирующего элемента применяется микросхема LM317.
Ее необходимо установить на радиатор, на изолирующей прокладке для исключения замыкания на корпус.
Схема блока питания с фиксированным выходным напряжением
Схема блока питания с фиксированным выходным напряжением напряжением 5 вольт или 12 вольт. В качестве активного элемента применяется микросхема LM 7805, LM7812 она устанавливается на радиатор для охлаждения нагрева корпуса. Выбор трансформатора приведен слева на табличке. По аналогии можно выполнить блок питания и на другие выходные напряжения.
Схема блока питания мощностью 20 Ватт с защитой
Схема предназначена для небольшого трансивера самодельного изготовления, автор DL6GL. При разработке блока ставилась задача иметь КПД не менее 50%, напряжение питания номинальное 13,8V, максимум 15V, на ток нагрузки 2,7а.
По какой схеме: импульсный источник питания или линейный?
Импульсные блоки питания получается малогабаритный и кпд хороший, но неизвестно как поведет себя в критической ситуации, броски выходного напряжения …
Несмотря на недостатки выбрана схема линейного регулирования: достаточно объемный трансформатор, не высокий КПД, необходимо охлаждение и пр.
Применены детали от самодельного блока питания 1980-х годов: радиатор с двумя 2N3055. Не хватало еще только µA723/LM723-регулятор напряжения и несколько мелких деталей.
Регулятор напряжения напряжения собран на микросхеме µA723/LM723 в стандартная включении. Выходные транзисторы Т2, Т3 типа 2N3055 для охлаждения устанавливаются на радиаторы. При помощи потенциометра R1 устанавливается выходное напряжение в пределах 12-15V. При помощи переменного резистора R2 устанавливается максимальное падение напряжение на резисторе R7, которое составляет 0,7В (между контактами 2 и 3 микросхемы).
Для блока питания применяется тороидальный трансформатор (может быть любой по вашему усмотрению).
На микросхеме MC3423 собрана схема срабатывающая при превышении напряжения (выбросах) на выходе блока питания, регулировкой R3 выставляется порог срабатывания напряжения на ножке 2 с делителя R3/R8/R9 (2,6V опорное напряжение), с выхода 8 подается напряжение открывающее тиристор BT145, вызывающее короткое замыкание приводящее к срабатыванию предохранителя 6,3а.
Для подготовки блока питания к эксплуатации (предохранитель 6,3а пока не участвует) выставить выходное напряжение например, 12.0В. Нагрузите блок нагрузкой, для этого можно подключить галогенную лампу 12В/20W. R2 настройте, что бы падение напряжение было 0,7В (ток должен быть в пределах 3,8А 0,7=0,185Ωх3,8).
Настраиваем срабатывание защиты от перенапряжения, для этого плавно выставляем выходное напряжение 16В и регулируем R3 на срабатывание защиты. Далее выставляем выходное напряжение в норму и устанавливаем предохранитель (до этого ставили перемычку).
Описанный блок питания можно реконструировать для более мощных нагрузок, для этого установите более мощный трансформатор, дополнительно транзисторы, элементы обвязки, выпрямитель по своему усмотрению.
Самодельный блок питания на 3.3v
Если необходим мощный блок питания, на 3,3 вольта, то его можно изготовить, переделав старый блок питания от пк или используя выше приведенные схемы. К примеру, в схема блока питания на 1,5 в заменить резистор 47 ом большего номинала, или поставить для удобства потенциометр, отрегулировав на нужное напряжение.
Трансформаторный блок питания на КТ808
У многих радиолюбителей остались старые советские радиодетали, которые валяются без дела, но которые можно с успехом применить и они верой и правдой вам долго будут служить, одна из известных схем UA1ZH, которая гуляет по просторам интернета. Много копий и стрел сломано на форумах при обсуждении, что лучше полевой транзистор или обычный кремниевый или германиевый, какую температуру нагрева кристалла они выдержат и кто из них надежнее?
У каждой стороны свои доводы, ну а вы можете достать детали и смастерить еще один несложный и надежный блок питания. Схема очень простая, защищена от перегрузки по току и при параллельном включении трех КТ808 может выдать ток 20А, у автора использовался такой блок при 7 параллельных транзисторов и отдавал в нагрузку 50А, при этом емкость конденсатора фильтра была 120 000 мкф, напряжение вторичной обмотки 19в.
Необходимо учитывать, что контакты реле должны коммутировать такой большой ток.
При условии правильного монтажа, просадка выходного напряжения не превышает 0.1 вольта
Блок питания на 1000в, 2000в, 3000в
Если нам необходимо иметь источник постоянного напряжения на высокое напряжение для питания лампы выходного каскада передатчика, что для этого применить? В интернете имеется много различных схем блоков питания на 600в, 1000в, 2000в, 3000в.
Первое: на высокое напряжение используют схемы с трансформаторов как на одну фазу, так и на три фазы (если имеется в доме источник трехфазного напряжения).
Второе: для уменьшения габаритов и веса используют бестрансформаторную схему питания, непосредственно сеть 220 вольт с умножением напряжения. Самый большой недостаток этой схемы — отсутствует гальваническая развязка между сетью и нагрузкой, как выход подключают данный источник напряжения соблюдая фазу и ноль.
В схеме имеется повышающий анодный трансформатор Т1 (на нужную мощность, к примеру 2500 ВА, 2400В, ток 0,8 А ) и понижающий накальный трансформатор Т2 — ТН-46, ТН-36 и др. Для исключения бросков по току при включении и защите диодов при заряде конденсаторов, применяется включение через гасящие резисторы R21 и R22.
Диоды в высоковольтной цепи зашунтированы резисторами с целью равномерного распределения Uобр. Расчет номинала по формуле R(Ом)=PIVх500. С1-С20 для устранения белого шума и уменьшения импульсных перенапряжений. В качестве диодов можно использовать и мосты типа KBU-810 соединив их по указанной схеме и, соответственно, взяв нужное количество не забывая про шунтирование.
R23-R26 для разряда конденсаторов после отключения сети. Для выравнивания напряжения на последовательно соединенных конденсаторах параллельно ставятся выравнивающие резисторы, которые рассчитываются из соотношения на каждые 1 вольт приходится 100 ом, но при высоком напряжении резисторы получаются достаточно большой мощности и здесь приходится лавировать, учитывая при этом, что напряжение холостого хода больше на 1,41.
Еще по теме
Трансформаторный блок питания 13,8 вольта 25 а для КВ трансивера своими руками.
Трансформаторный блок питания
Ремонт и доработка китайского блока питания для питания адаптера.
Доработка блока питания
Схемы блоков питания
Схемы. Самодельный блок питания на 1,5 вольта, 3 вольта, 5 вольт, 9 вольт, 12 вольт, 24 вольта. Стабилизатор 7812, 7805
Купите преобразователь 24 48 вольт-Orion 110/24-15A (360W) Более 50 моделей! IP43, IP67
DC-DC преобразователи Victron Energy Orion 110/24-15A (360W) с максимальным выходным током 15 ампер и рассчитанные на работу в оборудовании с входным напряжением 110 вольт и выходным напряжением 24 вольт.Компания Victron Energy производит большое количество самых разнообразных Orion DC-DC преобразователи изолированные, 360W.
Эти Orion DC-DC преобразователи изолированные, 360W используются в самых разных системах, где есть необходимость изменять напряжение. Напряжение можно как повышать, так и понижать. Обычно используются Orion DC-DC преобразователи изолированные, 360W напряжения на 12-24-36-48 вольт.
Например у вас на машине напряжение 24 вольта, а вам надо подключить оборудование на 12 вольт или наоборот напряжение надо повысить. Тогда здесь и применяются наши Orion DC-DC преобразователи изолированные, 360W. Также с их помощью вы можете заряжать АКБ. Orion DC-DC преобразователи изолированные, 360W c изменяемым выходным напряжением может применяться в качестве ЗУ. Например, для зарядки АКБ на 12 вольт или дополнительного АКБ в устройствах на 24 вольта.
Orion DC-DC преобразователи изолированные, 360W имеют очень большой КПД. Используя синхронное выпрямление, модели Orion 110/24-15A (360W) эффективность Orion 110/24-15A (360W) при максимальной нагрузке 360 Вт. достигает 95%.
Orion 110/24-15A (360W) имеет защиту по стандарту IP43 (Защита от попадания капель или струй, падающих сверху под углом к вертикали не более 60°). Только при установке с винтовыми клеммами, направленными вниз.
Подсоединение оборудования Orion DC-DC преобразователи изолированные, 360W Orion 110/24-15A (360W) осуществляется помощью винтовых клемм. Не требуется специальных инструментов, необходимых для установки.
Некоторые Orion DC-DC преобразователи изолированные, 360W поддерживают дистанционное включение-выключение
Дистанционное включение-выключение Orion 110/24-15A (360W) устраняет необходимость в мощном выключателе во входной проводке. Дистанционное включение-выключение может быть сделано с помощью выключателя с небольшим током коммутации или, даже, с помощью концевых выключателей двигателя (см. Руководство).
Модель Orion 110/24-15A (360W) защищена от короткого замыкания и могжет быть соединена параллельно для увеличения выходного тока. Параллельно могут быть соединено неограниченное количество Orion 110/24-15A (360W).
Плавкий предохранитель – Только для Orion DC-DC преобразователи изолированные, 360W с напряжением 12 В и 24 вольт.
Небольшой размер 64 x 163 x 160 мм. Orion 110/24-15A (360W) позволяет установить его практически в любом удобном месте.
Приходите к нам на YOUTUBE канал, где вы сможете посмотреть видеообзоры на оборудование Victron Energy сравнение между собой и основные советы по использованию.
Чиним преобразователь напряжения 24 12 вольт.
Чиним преобразователь напряжения 24 12 вольт.Чиним преобразователь напряжения 24 12 вольт.
Первая часть Марлезонского балета.
Да, братцы … Столкнулся я с г*** … Три дня жизни — в г*** … И, все — из-за, чего ? Попросили меня знакомые навести порядок в шайтан / проводке и, заодно — подключить и проверить конвертер преобразователь 24 в 12 вольт … С виду — обычная работа .
.. Это — не конвертер 12 в 24 вольт для ABS скоммутировать … Почистил электропроводку от соплей, пробросил новый жгуток и на кронштейн пассажирского сиденья поставил инвертор 24 в 12 для рации и магнитофона (автомагнитолы) …
Проверяю — не работает … Вид у него — не важнецкий … Есть еще один … Переустанавливаю / проверяю — тот же вид, только сбоку — никакой реакции … Привезли какой-то местный самопал … Выглядит фирмово, с лампочкой и кнопочкой, красивая витиеватая надпись — только не работает это руко / блудо изделие от грамотных энергетиков, не выдает заявленные параметры согласно прейскуранту, то есть — вообще ничего не выдает …
Ну, хозя — пробивной, по 8-800 (или, как там?) дозвонился до тех / поддержки, приехал ведущий специалист по конвертированию напряжения в деньги, поменял преобразователь, потыкался Ц-ешкой или, по-современному — мультиметром, поматерился для приличия, сделал еще одну рокировку шила на мыло — и, со словами : у вас тут масса не подключена была … — благополучно отбыл на Родину (на базу), в неизвестном направлении …
Ну — специалисту, конечно же виднее … Хотя, заблудится в трех проводах, как в трех соснах — куда ни глянь : ни елок / ни палок … одни пеньки … Проверяем — о, включается, лампочка на преобразователе горит … Стопэ … Мы, че, светодиод с выключателем покупали? А, где обещанное напряжение 12 вольт ? В π***, как сказали бы более опытные и грамотные товарищи …
Делать — нечего … Как, выяснилось, на преобразователи 24 в 12 V существует некоторый дефицит … Пред / новогодний, что-ли ? … Хотя, раньше, проблемы были — именно с конвертерами 12 в 24в … Пришлось купить проверенный временем и пациентами конвертер 24 в 12в марки 21.3759-05 … Так, как уже имеется негативный опыт общения с подобными электро / техническими изделиями — попросили проверить не пачкая — мало ли, что — хотя-бы попытаться вернуть обратно, хотя в магазине сказали, что обратно не примут … Прикольно, ну и понятно — г***, ведь обратно в ж*** не возвращается?! .
..
Чтобы не сохатить винтами посадочные места, инвертор преобразователь напряжения, размещенный на резиновом коврике в ногах, был аккуратно подключен к фишке питания — и, чудо — устройство без проблем выдало требуемые схеме радио / аппаратуры 12 вольт — без пыли и шума … И, все бы ничего — но, в время проверки, алюминиевый корпус преобразователя 24 в 12 — слегка (едва) коснулся железного корпуса пассажирского сиденья … Проскочила маленькая сине / желтая искорка … Щелкнули реле защиты в конвертере — и выходное напряжение, со скоростью 300000 км / с — перестало поступать на выходной разъем 12в … О-па ! … Ни фига, се — а это, товарищи военные — залет … По полной программе …
Вторая часть Марлезонского балета.
Так уж издревле повелось в России, что чтение инструкций происходит в свободное, от установки преобразователей, время … Теперь, когда очередной конвертер крякнул — свободного времени, хоть завались … Так — что, там по / написано, читаем внимательно …
— Конвертер 24 / 12 в (30А) 21.3759-05 …
— Предназначен для подключения бытовых автомобильных приборов и другой аппаратуры с напряжением питания 12в к бортовой сети грузовых автомобилей и автобусов … Применяется на транспортных средствах любой марки с напряжением бортовой сети 24в …
— Конвертер собран на алюминиевом радиаторе, обеспечивающем надежный отвод тепла … Схема конвертера имеет защиту от короткого замыкания и превышения напряжения на выходе …
— Рекомендации по монтажу : …
— Прибор установить вертикально на металлическом (!!!) основании в защищенном от влаги месте салона грузовика, обеспечив надежную циркуляцию воздуха, и надежно закрепить …
— Вывод 24в / зеленый соединить проводом 2,5 мм2 с + грузовика …
— Вывод 12в / красный соединить проводом 2,5 мм2 с + потребителя …
— Вывод — / черный конвертера и — потребителя надежно соединить с массой грузовика …
— Внимание ! … Категорически запрещается неправильное подключение выводов, приводящее к выходу конвертера из строя .
.. Гарантийный срок 1 год с момента продажи, при условии соблюдения правил эксплуатации …
Адрес изготовителя : ЗАО Энергомаш, Калуга … Производитель автоэлектроники … Странно … Ни — адреса типографии / издательства, ни — заказа и тиража … Сами, что ли, инструкцию — печатали ? …
Как мудро и веско говорят патологоанатомы : вскрытие — покажет … После случившегося инцидента, при подаче питания +24в на конвертер / преобразователь — стали щелкать релюшки схемы защиты, что говорит о его некоторой неисправности … Вскрытие показало неисправность силового транзистора КТ819ГМ первого выходного каскада, если считать от проводов … Так, как есть доноры 21.3759-03 — был выбран примерно рабочий транзистор, впаян, но проверка закончилась неудачно — тем же самым щелканьем релюшек … Надо резать, как сказал бы хирург … Резать — значит, резать …
Для более углубленной и достоверной проверки работоспособности транзисторов нужно изготовить специальное устройство и методом селекции от противного была обнаружена …
Схема простейшего прибора для проверки транзисторов … Хоть я и не люблю мотать катушки — 40 витков еще терпимо … Самое главное никаких ограничений в подручных материалах … Простота изготовления — и не требуется настройка конструкции …
Смотреть картинку, фото : Простейший самодельный прибор для проверки транзисторов …
Простейший самодельный пробник транзисторов изготовлен из подручных материалов : неисправной компьютерной мышки, от которой использованы батарейный отсек, светодиод и резистор где-то на 68 Ом ; из неисправного блока питания компьютера взяты кнопка вкл / выкл, кольцо от тороидального трансформатора, еще один мини / трансформатор разломан для получения тонкой проволоки где-то 0,15 / 0,2 мм … Фольгированная стеклотекстолитовая плата лежала в загашнике, для экспериментов с RTL-SDR, несколько кусков проводов, колодка соединения осветительных проводов, сломанный зажим / крокодил и батарейки 1,5в 2 штуки из заначки для мыши ноутбука .
.. Вот и весь комплект … Резистор на светодиод я не ставил — обойдется … Резистор в коллекторную цепь 68 Ом вместо 100 Ом, из того, что было под руками — переживет … Намотка кольца — криво / косо — и так сойдет … Конструкция сделана жестко, для проверки NPN транзисторов, и при правильном включении испытуемого транзистора — заработала сразу и без наладки …
Кроме, того — с использованием простейшего тестера полупроводниковых — например, силовые транзисторы даже не надо выпаивать из платы — достаточно просто открутить крепежные болты вывода коллектора … Для полноценной проверки транзисторов в схемах без выпайки — где-то я видел высокоомный пробник транзисторов … 25 +15 витков обмотки этого девайса на высокоомный причиндал — не тянут … Ну, и ладно … Работает же …
Смотреть картинку, фото : Проверка исправности силового транзистора …
Ну, не электронщик я — и, поэтому, мне простительно быстро заиметь такие необходимые приборы, без которых проверка транзисторов — совсем уж неприличная … Немного побродив по форумам радио / электроники нашел и скачал типовую схему конвертера, для образца и подспорья в работе … Для ремонта был выбран старый блок преобразователя напряжения 21.3759-03 — и деталей поменьше / и для тренировки, если что-то пойдет не так … Вы то ведь знаете, если что-то должно пойти не так — обязательно так и случится … Снова неисправность силового транзистора первого каскада, управляющего транзистора КТ829А, отгоревшие дорожки на плате … Реле снял, посмотреть, как оно работает …
Смотреть картинку, фото : Последствия неисправности платы конвертера 24в 12в …
Первая мысль — это уже не жилец … Под руками оказался транзистор D1897 / 2SD1897 в пластмассовом корпусе и параметрами 100в / 5А, от какой-то платы коммуникационной аппаратуры — который я попытался, руководствуясь схемой — приспособить вместо неисправного КТ829А … Ниче — блева проканала … А может даже стало и лучше, так как производители, я думаю — впритирку занизили параметры, чтобы не остаться без работы .
..
Примечание : Сорри … Недооценил разработчиков схемы … КТ829А : 100в / 8А … Не поленился посмотреть …
Смотреть картинку, фото : Транзистор D1897, 2SD1897, как аналог КТ829А …
Далее ремонт неисправного преобразователя / конвертера 24в / 12в происходил в такой последовательности :
1)
— Заменил управляющий КТ829А, восстановил дорожки платы, силовые транзисторы не стал устанавливать — проверил работу конвертера подачей питания +24 в … Работает, 13,5в холостого хода есть, при подключении автомобильной лампы 24V / 21W — напряжение падает до 7,5в …
2)
— Запаял силовые транзисторы КТ819ГМ, по одному каскаду на каждую группу реле защиты — то есть, в первый и в третий каскады … Работает, защита не срабатывает, напряжение 13,5в стабильно, при подключении нагрузки / лампы 24V / 21W — не проваливается …
3)
— В схеме подключения на грузовике установлены предохранители 20А на питании +24в и 15А на выходе +12в … Выполняю контрольную проверку коротким замыканием / КЗ цепи выхода +12в на массу — схема тухнет, щелкают реле защиты и ситуация повторяется — конвертер более не работоспособен … Предохранители — целые … Теперь становится понятно, почему производители не установили заводской предохранитель в цепь выхода +12в = потому-что это тупо / бесполезно, транзисторы успевают жахнуть раньше, чем сгорает предохранитель … Нафига тогда цепи защиты, спросите вы, если они не защищают конвертер от перегрузок? Я тоже так хотел спросить … Но, подумав пришел к выводу, что при неисправности конвертера по цепи выхода +12в идет напряжение +20в / +24в, а это чревато тем, что вся 12-ти вольтная электроника погорит к чертям собачьим и потребители — восстанут с претензиями к изготовителю конвертера … А, в случае сработки защиты — ну, да, конвертер вышел из строя, неправильная эксплуатация, готовь три тыщи на новый …
4)
— Проверяю принудительно замкнутый конвертер — D1897 (КТ829А) целый, первый каскад / транзистор — приказал долго жить .
.. Транзистор первого каскада вылетает практически всегда и по любому поводу … Пере / запаиваю силовой транзистор, проверяю — конвертер снова работает … Это второй момент : на более ранней версии конвертера 21.3759-03 достаточно крепкая защита (по крайней мере 50% на 50%, судя по экспонатам) — и это весьма облегчает ремонт, так как не надо лазить в SMD / 1G транзисторы, аналоги BC856, BC857, BC858, BC859 …
5)
— Запаиваю остальные транзисторы и снова проверяю конвертер — все в порядке … Железо / массу корпусом конвертера — не касаюсь, и даже не хочу пытаться … Или, качество сборки страдает, или иные проблемы — неважно, главное знать одно — корпусом конвертера деталей массы автомобиля лучше не касаться … Иначе выход конвертера из строя, ремонт / или, замена … И — неважно, что там написано в инструкции …
С ремонтом конвертера 21.3759-05 — вышли сложности … КТ829А — целый, силовой транзистор КТ819ГМ первого каскада заменил — толку 0 / реле щелкают … Без силовых транзисторов 13,5в дает … Ну, куда я, со 100-ватным паяльником — в SMD технологии ? … Выломал транзистор включения реле защиты, на выход +12в пошло +20в … Хотел вместо него припаять KT368 / 2T368 с параметрами 15в / 30мА, но передумал и нашел в старых платах 2SC2878 транзистор 25в / 300мА — защита снова заработала, но к счастью интерес у меня к данной теме угас, а опыт и знания приумножились … Чего и вам желаю …
декабрь, 2018 …
Популярные теги для сайта.
Самые популярные теги, краткое описание более 1000 страниц менее, чем в 100 ключевых словах … Чтобы найти более подробную информацию, самое простое — использовать поиск по сайту на соответствующие запросу — ключевое слово или фразу …
Decoder данных … Авто … Бесплатно онлайн … Список ПК программ … Россия … Погода … ЭБУ … Sat … Torrent tracker … Работа двигателя … На трассе и по маршруту … Диагностика … ЦУП … УпрДор … Метео … Гидрометцентр .
.. Москва … Екатеринбург … Смотреть прогноз … Расчет … Калькулятор … Онлайн … Вeacon … Calculator … COVID … ECU … Meritor … Motor … OBD … SDR … Telemetry … Tool … USB … Windows … Радио … Развлекательный сайт … Новости сегодня … Связь … Ремонт … Системы … Сканер … Состояние трассы … Диагностика двигателя … Длина волны … Программы для компьютера …
Популярное : …
… Погода М-4 … Фото улучшить онлайн … Погода М-5 … Трекеры 2020 … Delphi на Андроид … Список UDP трекеров … Калькуляторы радио кода … Список HTTP трекеров … Частота в длину волны … Погода Р-22 … RTL SDR, софт и программы …
TechStop-Ekb.ru : познавательные развлечения, техника, технологии … На сайте, для работы и соответствия спецификациям — используются … Протокол HTTPS шифрования для безопасного соединения с сервером и защиты пользовательских данных … Антивирус DrWeb для превентивной защиты пользователей от интернет угроз и вирусов … Ресурс входит в рейтинги Рамблер Топ 100 (познавательно-развлекательные сайты) и Mail Top 100 (авто мото информация) …
Тех Стоп Екб RU (РФ) официальный сайт, популярные темы, погода, новости, обзоры с картинками, бесплатно, актуально, без регистрации … Смотреть утром, днем, вечером и ночью — круглосуточно онлайн …
Меню раздела, новости и новые страницы.
… | … ТехСтоп Екб … | … Главное меню … | … Быстрый поиск … | …
© 2021 Тех Остановка Екатеринбург, создаваемый с 2016++ с вами вместе навсегда бесплатно …
Преобразователь напряжения с 24 на 12 В – все гаджеты автомобилиста будут работать без проблем
Купить преобразователь напряжения 24-12В необходимо, когда требуется обеспечить питание устройств и приборов, рассчитанных на напряжение бортовой сети в 12 В в транспортных средствах с напряжением сети 24 В.
Ставшее стандартом напряжение бортовой сети автомобиля, равное 12 В и масса различных устройств, начиная от обычного прикуривателя и заканчивая навигационными системами, на некоторых транспортных средствах недоступны.
Например, водителям грузовиков, владельцам речного транспорта такие гаджеты уже недоступны из-за использования последовательного соединения двух аккумуляторных батарей, подающих в бортовую сеть 24 В.
Этот стандарт не так распространен, поэтому при наличии устройств, которым требуется питание напряжением 12 вольт, можно не искать выход и, например, делать отвод от одного аккумулятора для подключения его к прикуривателю, а купить специальный преобразователь. Стоит сказать, что такой отвод технически сделать дешевле, но здесь есть ряд обстоятельств, которые следует учитывать:
- Вмешательство в схему электропитания может быть просто запрещено владельцем транспортного средства;
- Вы можете сделать это непрофессионально, а это не исключает короткого замыкания и, как следствие, станет причиной возникновения пожара;
- Неравномерная нагрузка на аккумуляторы приведет к повышению скорости их старения.
Чтобы избежать подобных проблем, следует применить другое, надежное и безопасное решение.
Как получить 12 В при напряжении в бортовой сети транспортного средства 24 В
Решить вышеизложенную задачу просто, безопасно и относительно недорого можно, если приобрести преобразователь напряжения 24 12 В (конвертер), который и обеспечит ваши устройства стандартным питанием. Конструктивно этот прибор выполнен в небольшом корпусе, который подключается к бортовой сети 24 В и на его выходе вы получаете стабильное постоянное напряжение 12 В без помех и пульсаций.
Это классический конвертер, который выполняет трансформацию напряжения на высокой частоте, что снижает потери и позволяет добиться стабильного напряжения на выходе устройства. К такому преобразователю вы можете подключить все оборудование и устройства, которые предназначены для использования с питающим напряжением 12 В, например:
- Автомобильные музыкальные центры;
- Систему сигнализации и навигации;
- Зарядные устройства к мобильным гаджетам;
- И любое другое оборудование, рассчитанное на работу с напряжением 12 В.

Кроме удобной и быстрой возможности обеспечить транспортное средство отдельной системой питания напряжением 12 В, конвертеры 24 12 обеспечивают максимальную безопасность эксплуатации. В них предусмотрена защита от:
- короткого замыкания на выходе;
- превышения максимальной мощности;
- перегрева инвертора;
- неправильного подключения входного напряжения (переполюсовки).
Сегодня на рынке можно найти широкий выбор моделей конвертеров DC-DC с различными характеристиками и по разной цене. Цена такого конвертера определяется, прежде всего, максимальной мощностью нагрузки и уровнем защиты. Поэтому всегда можно подобрать преобразователь с 24 В на 12 с оптимальными характеристиками и требуемым уровнем защиты оборудования.
Как сделать из 12 вольт 3.7 вольта. Как получить нестандартное напряжение. Повышающий преобразователь напряжения
Как получить нестандартное напряжение, которое не укладывается в диапазон стандартного?
Стандартное напряжение – это такое напряжение, которое очень часто используется в ваших электронных безделушках. Это напряжение в 1,5 Вольта, 3 Вольта, 5 Вольт, 9 Вольт, 12 Вольт, 24 Вольт и тд. Например, в ваш допотопный МР3 плеер вмещалась одна батарейка в 1,5 Вольта. На пульте дистанционного управления ТВ используются уже две батарейки по 1,5 Вольта, включенные последовательно, значит уже 3 Вольта. В USB разъеме самые крайние контакты с потенциалом в 5 Вольт. Наверное, у всех в детстве была Денди? Чтобы питать Денди нужно было подавать на нее напряжение в 9 Вольт. Ну 12 Вольт используется практически во всех автомобилях. 24 Вольта используется уже в основном в промышленности. Также для этого, условно говоря, стандартного ряда “заточены” различные потребители этого напряжения: лампочки, проигрыватели, и тд.
Но, увы, наш мир не идеален. Иногда просто ну очень надо получить напряжение не из стандартного ряда. Например, 9,6 Вольт.
Ну ни так ни сяк… Да, здесь нас выручает Блок питания . Но опять же, если использовать готовый блок питания, то наряду с электронной безделушкой придется таскать и его. Как же решить этот вопрос? Итак, я Вам приведу три варианта:
Вариант №1
Сделать в схеме электронной безделушки регулятор напряжения вот по такой схеме (более подробно ):
Вариант №2
На Трехвыводных стабилизаторах напряжения построить стабильный источник нестандартного напряжения. Схемы в студию!
Что мы в результате видим? Видим стабилизатор напряжения и стабилитрон, подключенный к среднему выводу стабилизатора. ХХ – это две последние цифры, написанные на стабилизаторе. Там могут быть цифры 05, 09, 12 , 15, 18, 24. Может уже есть даже больше 24. Не знаю, врать не буду. Эти две последние цифры говорят нам о напряжении, которое будет выдавать стабилизатор по классической схеме включения:
Здесь стабилизатор 7805 выдает нам по такой схеме 5 Вольт на выходе. 7812 будет выдавать 12 Вольт, 7815 – 15 Вольт. Более подробно про стабилизаторы можно прочитать .
U стабилитрона – это напряжение стабилизации на стабилитроне. Если мы возьмем стабилитрон с напряжением стабилизации 3 Вольта и стабилизатор напряжение 7805, то на выходе получим 8 Вольт. 8 Вольт – уже нестандартный ряд напряжения;-). Получается, что подобрав нужный стабилизатор и нужный стабилитрон, можно с легкостью получить очень стабильное напряжение из нестандартного ряда напряжений;-).
Давайте все это рассмотрим на примере. Так как я просто замеряю напряжение на выводах стабилизатора, поэтому конденсаторы не использую. Если бы я питал нагрузку, тогда бы использовал и конденсаторы. Подопытным кроликом у нас является стабилизатор 7805. Подаем на вход этого стабилизатора 9 Вольт от балды:
Следовательно, на выходе будет 5 Вольт, все таки как-никак стабилизатор 7805.
Теперь берем стабилитрон на U стабилизации =2,4 Вольта и вставляем его по этой схеме, можно и без конденсаторов, все-таки делаем просто замеры напряжения.
Опа-на, 7,3 Вольта! 5+2,4 Вольта. Работает! Так как у меня стабилитроны не высокоточные (прецизионные), то и напряжение стабилитрона может чуточку различаться от паспортного (напряжение, заявленное производителем). Ну, я думаю, это не беда. 0,1 Вольт для нас погоды не сделают. Как я уже сказал, таким образом можно подобрать любое значение из ряда вон.
Вариант №3
Есть также другой подобный способ, но здесь используются диоды. Может быть Вам известно, что падение напряжение на прямом переходе кремниевого диода составляет 0,6-0,7 Вольт, а германиевого диода – 0,3-0,4 Вольта ? Именно этим свойством диода и воспользуемся;-).
Итак, схему в студию!
Собираем по схеме данную конструкцию. Нестабилизированное входное постоянное напряжение также и осталось 9 Вольт. Стабилизатор 7805.
Итак, что на выходе?
Почти 5.7 Вольт;-), что и требовалось доказать.
Если два диода соединять последовательно, то на каждом из них будет падать напряжение, следовательно, оно будет суммироваться:
На каждом кремниевом диоде падает по 0,7 Вольт, значит, 0,7+0,7=1,4 Вольта. Также и с германиевыми. Можно соединить и три, и четыре диода, тогда нужно суммировать напряжения на каждом. На практике более трех диодов не используют. Диоды можно ставить даже малой мощности, так как в этом случае ток через них все равно будет мал.
С помощью данного преобразователя напряжения можно получить 220 вольт от аккумуляторной батареи, напряжением 3.7 вольт. Схема не сложная и все детали доступы, этим преобразователям можно запитать энергосберегающую или светодиодную лампу. К сожалению более мощные приборы подключить не получится, так как преобразователь маломощный и больших нагрузок не выдержит.
Итак, для сборки преобразователя нам понадобится:
- Трансформатор от старого зарядного устройства для телефона.
- Транзистор 882P или его отечественные аналоги КТ815, КТ817.
- Диод IN5398, аналог КД226 или вообще любой другой рассчитанный на обратный ток до 10 вольт средней или большой мощности.
- Резистор (сопротивление) на 1 кОм.
- Макетная плата.
Еще естественно понадобится паяльник с припоем и флюсом, кусачки, провода и мульти метр (тестер). Можно конечно изготовить и печатную плату, но для схемы из нескольких деталей не стоит тратить время на разработку разводки дорожек их прорисовку и травление фольгированного текстолита или гетинакса. Проверяем трансформатор. Плата старого зарядного устройства.
Аккуратно выпаиваем трансформатор.
Дальше нам надо проверить трансформатор и найти выводы его обмоток. Берем мультиметр, переключаем его в режим омметра. По очереди проверяем все выводы, находим те которые парой «звонятся» и записываем их сопротивления.1. Первая 0,7 Ом.
2. Вторая 1,3 Ом.
3. Третья 6,2 Ом.
Та обмотка, у которой наибольшее сопротивление была первичной, на нее подавалось 220 В. В нашем устройстве она будет вторичной, то есть выходом. С остальных снималось пониженное напряжение. У нас они будут служить как первичная (та, которая с сопротивлением 0,7 ом) и часть генератора (с сопротивлением 1,3). Результаты замеров у разных трансформаторов могут отличаться, нужно ориентироваться на их соотношение между собой.
Схема устройства
Как видите она простейшая. Для удобства мы пометили сопротивления обмоток. Трансформатор не может преобразовывать постоянный ток. Поэтому на транзисторе и одной из его обмоток собран генератор. Он подает пульсирующее напряжение от входа (батареи) на первичную обмотку, напряжение около 220 вольт снимается с вторичной.
Собираем преобразователь
Берем макетную плату.
Устанавливаем трансформатор на нее. Выбираем резистор в 1 килоом. Вставляем его в отверстия платы, рядом с трансформатором. Загибаем выводы резистора так чтобы соединить их с соответствующими контактами трансформатора. Припаиваем его. Удобно при этом закрепить плату в каком ни будь зажиме, как на фото, чтобы не возникала проблема недостающей «третьей руки». Припаянный резистор. Лишнюю длину вывода обкусываем. Плата с обкусанными выводами резистора. Дальше берем транзистор. Устанавливаем его на плату с другой стороны трансформатора, так как на скриншоте (расположения деталей я подобрал так, чтобы было удобнее их соединять согласно принципиальной схеме). Изгибаем выводы транзистора. Припаиваем их. Установленный транзистор. Берем диод. Устанавливаем его на плату параллельно транзистору. Припаиваем. Наша схема готова.
Припаиваем провода для подключения постоянного напряжения (DC input). И провода для съема пульсирующего высокого напряжения (AC output).
Для удобства провода на 220 вольт берем с «крокодилами».
Наше устройство готово.
Тестируем преобразователь
Для того чтобы подать напряжение выбираем аккумулятор на 3-4 вольта. Хотя можно использовать и любой другой источник питания.
Припаиваем провода входа низкого напряжения к нему, соблюдая полярность. Замеряем напряжение на выходе нашего устройства. Получается 215 вольт.
Внимание. Не желательно прикасаться к деталям при подключенном питании. Это не столь опасно, если у вас нет проблем со здоровьем, особенно с сердцем (хотя две сотни вольт, но ток слабый), но неприятно «пощипать» может.Завершаем тестирование, подключив люминесцентную энергосберегающую лампу на 220 вольт. Благодаря «крокодилам» это несложно сделать без паяльника. Как видите, лампа горит.
Наше устройство готово.Совет.Увеличить мощность преобразователя можно установив транзистор на радиатор.Правда емкости аккумулятора хватит не на долго. Если вы собираетесь постоянно использовать преобразователь, то выберите более емкую батарею и сделайте для него корпус.
kavmaster.ru
Светодиод 3 вольта
Светодиоды разного цвета имеют свою рабочую зону напряжения. Если мы видим светодиод на 3 вольта, то он может давать белый, голубой или зеленый свет. Напрямую подключать его к источнику питания, который генерирует более 3 вольт нельзя.
Расчет сопротивления резистора
Чтобы понизить напряжение на светодиоде, в цепь перед ним последовательно включают резистор. Основная задача электрика или любителя будет заключаться в том, чтобы правильно подобрать сопротивление.
В этом нет особой сложности. Главное, знать электрические параметры светодиодной лампочки, вспомнить закон Ома и определение мощности тока.
R=Uна резисторе/Iсветодиода
Iсветодиода – это допустимый ток для светодиода. Он обязательно указывается в характеристиках прибора вместе с прямым падением напряжения. Нельзя, чтобы ток, проходящий по цепи, превысил допустимую величину. Это может вывести светодиодный прибор из строя.
Зачастую на готовых к использованию светодиодных приборах пишут мощность (Вт) и напряжение или ток. Но зная две из этих характеристик, всегда можно найти третью. Самые простые осветительные приборы потребляют мощность порядка 0,06 Вт.
При последовательном включении общее напряжение источника питания U складывается из Uна рез. и Uна светодиоде. Тогда Uна рез.=U-Uна светодиоде
Предположим, необходимо подключить светодиодную лампочку с прямым напряжением 3 вольта и током 20 мА к источнику питания 12 вольт. Получаем:
R=(12-3)/0,02=450 Ом.
Обычно, сопротивление берут с запасом. Для того ток умножают на коэффициент 0,75. Это равносильно умножению сопротивления на 1,33.
Следовательно, необходимо взять сопротивление 450*1,33=598,5=0,6 кОм или чуть больше.
Мощность резистора
Для определения мощности сопротивления применяется формула:
P=U²/ R= Iсветодиода*(U-Uна светодиоде)
В нашем случае: P=0,02*(12-3)=0,18 Вт
Такой мощности резисторы не выпускаются, поэтому необходимо брать ближайший к нему элемент с большим значением, а именно 0,25 ватта. Если у вас нет резистора мощность 0,25 Вт, то можно включить параллельно два сопротивления меньшей мощности.
Количество светодиодов в гирлянде
Аналогичным образом рассчитывается резистор, если в цепь последовательно включено несколько светодиодов на 3 вольта. В этом случае от общего напряжения вычитается сумма напряжений всех лампочек.
Все светодиоды для гирлянды из нескольких лампочек следует брать одинаковыми, чтобы через цепь проходил постоянный одинаковый ток.
Максимальное количество лампочек можно узнать, если разделить U сети на U одного светодиода и на коэффициент запаса 1,15.
N=12:3:1,15=3,48
К источнику в 12 вольт можно спокойно подключить 3 излучающих свет полупроводника с напряжением 3 вольта и получить яркое свечение каждого из них.
Мощность такой гирлянды довольно маленькая. В этом и заключается преимущество светодиодных лампочек. Даже большая гирлянда будет потреблять у вас минимум энергии. Этим с успехом пользуются дизайнеры, украшая интерьеры, делая подсветку мебели и техники.
На сегодняшний день выпускаются сверхяркие модели с напряжением 3 вольта и повышенным допустимым током. Мощность каждого из них достигает 1 Вт и более, и применение у таких моделей уже несколько иное. Светодиод, потребляющий 1-2 Вт, применяют в модулях для прожекторов, фонарей, фар и рабочего освещения помещений.
Примером может служить продукция компании CREE, которая предлагает светодиодные продукты мощностью 1 Вт, 3Вт и т. д. Они созданы по технологиям, которые открывают новые возможности в этой отрасли.
le-diod.ru
Модуль питания DC-DC, расширяющий возможности платы Arduino Pro mini.Я решил уменьшить габариты и стоимость своей домашней метеостанции на GY-BMP280-3.3 и Ds18b20.Подумав, я пришел к выводу, что самой дорогой и объёмной частью метеостанции является плата Arduino Uno. Самым дешевым вариантом замены может стать плата Arduino Pro Mini. Плата Arduino Pro Mini производится в четырех вариантах. Для решения моей задачи подходит вариант с микроконтроллером Mega328P и напряжением питания 5 вольт. Но есть еще вариант на напряжение 3,3 вольта. Чем эти варианты отличаются? Давайте разберемся. Дело в том, что на платах Arduino Pro Mini устанавливается экономичный стабилизатор напряжения. Например такой, как MIC5205 c выходным напряжением 5 вольт. Эти 5 вольт подаются на вывод Vcc платы Arduino Pro Mini, поэтому и плата будет называться «плата Arduino Pro Mini с напряжением питания 5 вольт». А если вместо микросхемы MIC5205 будет поставлена другая микросхема с выходным напряжением 3,3 вольта, то плата будет называться «плата Arduino Pro Mini с напряжением питания 3,3 вольт»
Плата Arduino Pro Mini может получать энергию от внешнего нестабилизированного блока питания с напряжением до 12 вольт. Это питание должно подаваться на вывод RAW платы Arduino Pro Mini. Но, ознакомившись с даташитом (техническим документом) на микросхему MIC5205, я увидел, что диапазон питания, подаваемого на плату Arduino Pro Mini, может быть шире. Если, конечно, на плате стоит именно микросхема MIC5205.
Даташит на микросхема MIC5205:
Входное напряжение, подаваемое на микросхему MIC5205, может быть от 2,5 вольт до 16 вольт. При этом на выходе схемы стандартного включения должно быть напряжение около 5 вольт без заявленной точности в 1%. Если воспользоваться сведениями из даташита: VIN = VOUT + 1V to 16V (Vвходное = Vвыходное + 1V to 16V) и приняв Vвыходное за 5 вольт, мы получим то, что напряжение питания платы Arduino Pro Mini, подаваемое на вывод RAW, может быть от 6 вольт до 16 вольт при точности в 1%.
Даташит на микросхему MIC5205:Для питания платы GY-BMP280-3.3 для измерения барометрического давления и температуры я хочу применить модуль с микросхемой AMS1117-3.3. Микросхема AMS1117 — это линейный стабилизатор напряжения с малым падением напряжения.Фото модуль с микросхемой AMS1117-3.3:
Даташиты на микросхему AMS1117:Схема модуля с микросхемой AMS1117-3.3:
Я указал на схеме модуля с микросхемой AMS1117-3.3 входное напряжение от 6,5 вольт до 12 вольт, основывая это документацией на микросхему AMS1117.
Продавец указывает входное напряжение от 4,5 вольт до 7 вольт. Самое интересное, что другой продавец на Aliexpress.com указывает другой диапазон напряжений — от 4,2 вольт до 10 вольт.
В чем же дело? Я думаю, что производители впаивают во входные цепи конденсаторы с максимально допустимым напряжением меньшим, чем позволяют параметры микросхемы — 7 вольт, 10 вольт. И, может быть, даже ставят бракованные микросхемы с ограниченным диапазоном питающих напряжений. Что произойдет, если на купленную мной плату с микросхемой AMS1117-3.3, подать напряжение 12 вольт, я не знаю.Возможно для повышения надежности китайской платы с микросхемой AMS1117-3.3 надо будет поменять керамические конденсаторы на электролитические танталовые конденсаторы. Такую схему включения рекомендует производитель микросхем AMS1117А минский завод УП «Завод ТРАНЗИСТОР».
Даташит на микросхему AMS1117А:Удачных покупок!
Стоимость: ~23
Подробнее на Aliexpress
usamodelkina.ru
как сделать в авто с 12 вольт на 3 вольта?
погасить сопротивлением. Вначале переменным резистором, затем, замерив полученное, можно вставлять постоянное.
Схема электродвигатель-генератор.
Поставить стабилизатор на 3 вольта импортную кренку
Я бы просто спаял простейший стабилизатор напряжения: мощный проходной транзистор (например, КТ-805), стабилитрон (если не найдёте на нужное напряжение, то ставите любой другой, делитель и повторитель на транзисторе меньшей мощности) , резистор и парочка электролитических конденсаторов. (Вот типовая схема, электролитические конденсаторы не показаны) . А можно идти по другому пути: в компьютерных магазинах продают преобразователи, втыкаемые в гнездо прикуривателя, на выходе — различные напряжения, как больше, так и меньше 12 вольт (такие приборы используют, например, для питания нетбуков от бортсети) . Не знаю, правда, бывает ли на выходе 3 вольта.
touch.otvet.mail.ru
Делаем DC-DC преобразователь 12>3 Вольт своими руками
DC-DC преобразователь 12>3 Вольт, был создан для запитки маломощных плееров с питанием от двух пальчиковых батареек. Поскольку плееры были предназначены для работы в автомобиле, а бортовая сеть автомобиля доставляет 12 Вольт, то каким-то образом нужно было понизить напряжения до номинала 3-4 Вольт. Недолго думая, решил изготовить самый простой понижающий преобразователь, если представленное устройство вообще можно назвать преобразователем. Конструкция DC-DC преобразователя довольно проста и основана на явлении спада напряжения, которое проходит через кристалл полупроводникового диода.При заведенном двигателе автомобиля, напряжение бортовой сети повышается до 14 Вольт, это тоже нужно принять во внимание.
Как известно, проходя через полупроводниковый диод, номинал постоянного напряжения спадает в районе 0,7 Вольт. Поэтому, чтобы получить нужный спад напряжения, были использованы 12 дешевых полупроводниковых диода серии IN4007. Это обычные выпрямительные диоды с током 1 Ампер и с обратным напряжением порядка 1000 Вольт, желательно использовать именно эти диоды, поскольку они являются самым доступным и дешевым вариантом. Ни в коем случае не стоит использовать диоды с барьером Шоттки, на них спад напряжения слишком мал, следовательно, для наших целей они не подходят.
После диодов желательно поставить конденсатор (электролит 100-470мкФ) для сглаживания пульсаций и помех.
Выходное напряжение нашего «DC-DC преобразователя» составляет 3,3-3,7 Вольт, выходной ток (максимальный) до 1 Ампер. В ходе работы диоды должны чуток перегреваться, но это вполне нормально.
Весь монтаж можно выполнить на обычной макетной плате или же навесным образом, но не стоит забывать, что вибрации могут разрушить места припоев, поэтому в случае использования навесного варианта, диоды желательно приклеить друг к другу с помощью термоклея.
Аналогичным способом можно понизить напряжение бортовой сети автомобиля до 5 Вольт, для зарядки портативной цифровой электроники — планшетных компьютеров, навигаторов, GPS приемников и мобильных телефонов.
Читайте так-же:
Преобразователь напряжения с 12 В на 220 В / 50 Гц
Повышающий преобразователь напряжения.
Питание цифрового фотоаппарата от внешнего аккумулятора
Автомобильное зарядное usb
acule.ru
Ремонт усилителя воспроизведена плейера иностранного производства часто бывает затруднителен из-за использования в нем низковольтной микросхемы, аналог которой найти очень трудно Поэтому приходится делать новую конструкцию на транзисторах или микросхемах отечественного производства, но в этом случае радиолюбитель испытывает определенные затруднения в выборе нужной схемы с низким значением напряжения источника питания. Для примера, при повторении схем, описанных в , необходимо использовать 53 радиодетали в варианте на микросхемах или 72 радиодетали при транзисторном исполнении. Оптимальнее применить упрощенную схему . У этой схемы очевидные преимущества — один активный элемент (микросхема К157УД2), малое количество используемых деталей, достаточно хорошие характеристики. Но есть один существенный и вроде бы непреодолимый для низковольтного плейера недостаток: высокое напряжение питания микросхемы (в данном усилителе 9В). Из создавшегося положения есть выход — использовать преобразователь первичного напряжения питания плейера, обычно 3 В, во вторичное, более высокое, от которого уже и питать усилитель. В таком варианте для конструкции потребуются всего 10 элементов для преобразователя и 21 для усилителя.
Разработанный вариант преобразователя питания усилителя воспроизведения плейера (питание коллекторного электродвигателя осуществляется непосредственно от источника тока) имеет следующие технические характеристики:
Выходное напряжение, В, при выходном токе 15 мА и входном напряжении 2-3 В……………..7 — 10
Коэффициент пульсаций вторичного напряжения, %, не более……………………………………………0,001
Частота преобразования, кГц……………………………………………………………………………………………100…200
КПД, %, не менее………………………………………………………………………………………………………………… 55
Габариты, мм…………………………………………………………………………………………………………………..14х10х10
Преобразователь напряжения построен по схеме двухтактного генератора (рис. 1), что позволило получить достаточно высокий КПД. Роль переключателей выполняют транзисторы VТ1 и VТ2, которые поочередно открываются и закрываются подобно транзисторам симметричного мультивибратора. Фазировка их работы осуществлена соответствующим включением коллекторных и базовых обмоток трансформатора Т1. Делитель напряжения R2R1 обеспечивает запуск преобразователя. При включении напряжения питания падение напряжение на резисторе R2 (порядка 0,7 В) плюсом приложено к базам транзисторов и открывает их. Вследствие разброса параметров транзисторов токи коллекторов (и токи в коллекторных обмотках трансформатора Т1) не могут быть совершенно одинаковыми, а увеличение тока в одном из плеч генератора приводит к появлению положительной обратной связи на базу данного транзистора и, как следствие, лавинообразному нарастанию тока до его насыщения. При уменьшении скорости нарастания тока в коллекторной обмотке противоЭДС создает положительную связь на базу транзистора другого плеча, ток коллектора в первом плече спадает и лавинообразно увеличивается в цепи коллектора и обмотке другого транзистора. Таким образом, в магни-топроводе трансформатора наводится переменный во времени магнитный поток, который будет создавать во вторичной обмотке (выводы 7-8) ЭДС. Диодный мост VD1 — VD4 переменное напряжение преобразует в пульсирующее, а его сглаживание осуществляется элементами цепи питания усилителя воспроизведения. В устройстве преобразователя конденсатор С1 повышает надежность процесса самовозбуждения.
В конструкции применены самые распространенные транзисторы КТ315, причем можно взять транзисторы с любым буквенным индексом и параметром h 21Э >50. Однако не следует выбирать транзисторы с слишком большим h 21Э, так как при этом падает экономичность устройства. Использование других транзисторов (кроме КТ373Г) нежелательно, так как напряжение насыщения перехода коллектор-эмиттер рекомендованных транзисторов составляет всего 0,4 В, и они обладают небольшими габаритами. Резисторы и конденсатор любые малогабаритные. Тарнсформатор выполнен на кольцевом магнитопроводе К7Х4Х2 из феррита марок 600НН, 400НН. Коллекторная обмотка намотана в два провода (диаметром 0,2 мм) и содержит 11 витков, а базовая (тоже в два провода диаметром 0,13 мм) имеет 17 витков. Вторичная (выходная) обмотка содержит 51 виток провода диаметром 0,13 мм. Намотка производится внавал проводом ПЭВ или ПЭЛ. Вместо диодов КД522Б можно использовать германиевые малогабаритные диоды, при соответствующем изменении числа витков трансформатора. Это даже приведет к повышению КПД преобразователя на 10-15 %. Если в преобразователе применить двухполупериод-ную схему выпрямления с выводом от средней точки вторичной обмотки, то это позволит уменьшить число диодов на два и дополнительно повысить КПД, так как последовательно с нагрузкой (усилителем) будет включен один выпрямляющий диод вместо двух. При этом необходимо произвести перерасчет преобразователя.
Монтаж преобразователя — любой, его детали можно расположить на одной плате с деталями усилителя или оформить в виде отдельного блока. В авторской конструкции был использован второй вариант (рис. 2). Детали преобразователя склеены между собой в объемную конструкцию, состоящую из трех слоев. Слой первый — конденсатор С1 и резисторы R1, R2. Второй — трансформатор и диодный мост, спаянный из VD1- VD4. Третий — транзисторы VТ1, VТ2, спаянные между собой выводами эмиттеров. Перед установкой транзисторов для уменьшения габаритов блока их следует сточить с боков до длины 7 мм. Выводы трансформатора припаяны прямо к выводам деталей. Остальные соединения сделаны тонкими проводниками. После этого следует припаять входные и выходные проводники и проверить работоспособность блока. При использовании исправных элементов и правильно выполненном монтаже конструкция сразу заработает. Если этого не произошло, то надо проверить правильность подключения обмоток трансформатора. После этого всю конструкцию следует залить эпоксидной смолой. Полностью изготовленный и проверенный на работоспособность блок помещают в коробочку из тонкой бумаги, предварительно в ней сделать отверстия для выводов и заполнить объем компаундом.
Как получить нестандартное напряжение, которое не укладывается в диапазон стандартного?
Стандартное напряжение – это такое напряжение, которое очень часто используется в ваших электронных безделушках. Это напряжение в 1,5 Вольта, 3 Вольта, 5 Вольт, 9 Вольт, 12 Вольт, 24 Вольт и тд. Например, в ваш допотопный МР3 плеер вмещалась одна батарейка в 1,5 Вольта. На пульте дистанционного управления ТВ используются уже две батарейки по 1,5 Вольта, включенные последовательно, значит уже 3 Вольта. В USB разъеме самые крайние контакты с потенциалом в 5 Вольт. Наверное, у всех в детстве была Денди? Чтобы питать Денди нужно было подавать на нее напряжение в 9 Вольт. Ну 12 Вольт используется практически во всех автомобилях. 24 Вольта используется уже в основном в промышленности. Также для этого, условно говоря, стандартного ряда “заточены” различные потребители этого напряжения: лампочки, проигрыватели, и тд.
Но, увы, наш мир не идеален. Иногда просто ну очень надо получить напряжение не из стандартного ряда. Например, 9,6 Вольт. Ну ни так ни сяк… Да, здесь нас выручает Блок питания . Но опять же, если использовать готовый блок питания, то наряду с электронной безделушкой придется таскать и его. Как же решить этот вопрос? Итак, я Вам приведу три варианта:
Вариант №1
Сделать в схеме электронной безделушки регулятор напряжения вот по такой схеме (более подробно ):
Вариант №2
На Трехвыводных стабилизаторах напряжения построить стабильный источник нестандартного напряжения. Схемы в студию!
Что мы в результате видим? Видим стабилизатор напряжения и стабилитрон, подключенный к среднему выводу стабилизатора. ХХ – это две последние цифры, написанные на стабилизаторе. Там могут быть цифры 05, 09, 12 , 15, 18, 24. Может уже есть даже больше 24. Не знаю, врать не буду. Эти две последние цифры говорят нам о напряжении, которое будет выдавать стабилизатор по классической схеме включения:
Здесь стабилизатор 7805 выдает нам по такой схеме 5 Вольт на выходе. 7812 будет выдавать 12 Вольт, 7815 – 15 Вольт. Более подробно про стабилизаторы можно прочитать .
U стабилитрона – это напряжение стабилизации на стабилитроне. Если мы возьмем стабилитрон с напряжением стабилизации 3 Вольта и стабилизатор напряжение 7805, то на выходе получим 8 Вольт. 8 Вольт – уже нестандартный ряд напряжения;-). Получается, что подобрав нужный стабилизатор и нужный стабилитрон, можно с легкостью получить очень стабильное напряжение из нестандартного ряда напряжений;-).
Давайте все это рассмотрим на примере. Так как я просто замеряю напряжение на выводах стабилизатора, поэтому конденсаторы не использую. Если бы я питал нагрузку, тогда бы использовал и конденсаторы. Подопытным кроликом у нас является стабилизатор 7805. Подаем на вход этого стабилизатора 9 Вольт от балды:
Следовательно, на выходе будет 5 Вольт, все таки как-никак стабилизатор 7805.
Теперь берем стабилитрон на U стабилизации =2,4 Вольта и вставляем его по этой схеме, можно и без конденсаторов, все-таки делаем просто замеры напряжения.
Опа-на, 7,3 Вольта! 5+2,4 Вольта. Работает! Так как у меня стабилитроны не высокоточные (прецизионные), то и напряжение стабилитрона может чуточку различаться от паспортного (напряжение, заявленное производителем). Ну, я думаю, это не беда. 0,1 Вольт для нас погоды не сделают. Как я уже сказал, таким образом можно подобрать любое значение из ряда вон.
Вариант №3
Есть также другой подобный способ, но здесь используются диоды. Может быть Вам известно, что падение напряжение на прямом переходе кремниевого диода составляет 0,6-0,7 Вольт, а германиевого диода – 0,3-0,4 Вольта ? Именно этим свойством диода и воспользуемся;-).
Итак, схему в студию!
Собираем по схеме данную конструкцию. Нестабилизированное входное постоянное напряжение также и осталось 9 Вольт. Стабилизатор 7805.
Итак, что на выходе?
Почти 5.7 Вольт;-), что и требовалось доказать.
Если два диода соединять последовательно, то на каждом из них будет падать напряжение, следовательно, оно будет суммироваться:
На каждом кремниевом диоде падает по 0,7 Вольт, значит, 0,7+0,7=1,4 Вольта. Также и с германиевыми. Можно соединить и три, и четыре диода, тогда нужно суммировать напряжения на каждом. На практике более трех диодов не используют. Диоды можно ставить даже малой мощности, так как в этом случае ток через них все равно будет мал.
DC-DC преобразователь 12>3 Вольт, был создан для запитки маломощных плееров с питанием от двух пальчиковых батареек. Поскольку плееры были предназначены для работы в автомобиле, а бортовая сеть автомобиля доставляет 12 Вольт, то каким-то образом нужно было понизить напряжения до номинала 3-4 Вольт.
При заведенном двигателе автомобиля, напряжение бортовой сети повышается до 14 Вольт, это тоже нужно принять во внимание.
Недолго думая, решил изготовить самый простой понижающий преобразователь, если представленное устройство вообще можно назвать преобразователем. Конструкция DC-DC преобразователя довольно проста и основана на явлении спада напряжения, которое проходит через кристалл полупроводникового диода. Как известно, проходя через полупроводниковый диод, номинал постоянного напряжения спадает в районе 0,7 Вольт. Поэтому, чтобы получить нужный спад напряжения, были использованы 12 дешевых полупроводниковых диода серии IN4007. Это обычные выпрямительные диоды с током 1 Ампер и с обратным напряжением порядка 1000 Вольт, желательно использовать именно эти диоды, поскольку они являются самым доступным и дешевым вариантом. Ни в коем случае не стоит использовать диоды с барьером Шоттки , на них спад напряжения слишком мал, следовательно, для наших целей они не подходят.
После диодов желательно поставить конденсатор (электролит 100-470мкФ) для сглаживания пульсаций и помех.
Выходное напряжение нашего «DC-DC преобразователя» составляет 3,3-3,7 Вольт, выходной ток (максимальный) до 1 Ампер. В ходе работы диоды должны чуток перегреваться, но это вполне нормально.
Весь монтаж можно выполнить на обычной макетной плате или же навесным образом, но не стоит забывать, что вибрации могут разрушить места припоев, поэтому в случае использования навесного варианта, диоды желательно приклеить друг к другу с помощью термоклея.
Аналогичным способом можно понизить напряжение бортовой сети автомобиля до 5 Вольт, для зарядки портативной цифровой электроники — планшетных компьютеров, навигаторов, GPS приемников и мобильных телефонов.
Как и зачем подключать 12-вольтовую систему с двумя батареями, чтобы получить 12 или 24 вольт Эффективная 24-вольтовая система с удвоенной скоростью проворачивания
Легковые автомобили, грузовики, жилые дома и автодома работают от двух 12-вольтных батарей по разным причинам. В зависимости от того, как вы подключаете 12-вольтовую систему с двумя батареями, результатом может быть 12-вольтовая система или 24-вольтовая система, или даже одновременно 12 и 24 вольта.
- Будет 12 вольт (около 14,2 вольт с генератором переменного тока), если батареи не соединены вместе, а изолированы друг от друга. Вы можете использовать два отдельных жгута или использовать разъединитель аккумулятора или селекторный переключатель.
- Будет 12 вольт, если батареи соединены вместе по параллельно : положительный вывод к положительному выводу, а отрицательный к отрицательному. Выход усилителя будет суммой нескольких батарей, подключенных таким образом.
- Будет 24 В (около 28 В с генератором), если две 12-вольтовые батареи соединены вместе в серии : Подключите положительный полюс одной батареи к отрицательной клемме другой батареи.Напряжение удваивается, но ампер остается прежним.
Примеры использования двух батарей:
Балласт гоночного автомобиля: Две установленные в багажнике батареи могут обеспечить критический балласт, особенно в классах, где правила запрещают использование специального балласта.
Автомобиль без генератора переменного тока: Если вы не используете генератор переменного тока, но используете современную систему зажигания высокой мощности и другие энергоемкие устройства (например, электрический водяной насос, электрический топливный насос, транс- тормоза, азотные соленоиды и коробки задержки) в тягаче одна батарея может быть выделена только для системы зажигания, а другая питает оставшихся потребителей тока.
Посмотреть все 3 фотографии Изолятор батареи отделяет вспомогательную батарею от основной, чтобы дополнительные нагрузки не разряжали батарею. Powermaster PN 194, показанный здесь, имеет номинальную мощность 200 ампер и (по состоянию на июнь 2020 года) стоит 143,99 доллара на Summit Racing.Фото предоставлено: Summit Racing
Высококлассные «шоу-машины» с аудиосистемой high-zoot: Отдельная батарея, предназначенная только для звуковой системы и изолированная от остальной электрической системы, может потребоваться, если автомобиль сидит на парковке с динамиками, излучающими большую вибрацию в течение длительного периода времени.Подобная установка будет включать две батареи, механический морской переключатель с двумя батареями и изолятор батареи. Это позволяет генератору перезаряжать как основную, так и вспомогательную батареи, когда автомобиль работает, но при выключении вспомогательная батарея, используемая для питания звуковой системы, разряжается.
Жесткий запуск с высокой степенью сжатия и большим ускорением: Параллельная работа нескольких аккумуляторов генерирует больше тока холодного запуска во время запуска, хотя напряжение все еще составляет 12 вольт.Современные аккумуляторные батареи и стартеры настолько эффективны, что обычно это не проблема; Прежде чем что-либо делать, сначала проверьте, нет ли чрезмерного падения напряжения или плохого заземления на кабелях стартера, а не на слабую батарею или стартер.
Посмотреть все 3 фотографии В основном это разница между последовательным и параллельным подключением двух 12-вольтовых батарей. Параллельная цепь по-прежнему генерирует 12 вольт, но удваивает выходную силу тока. Последовательная схема дает систему с напряжением 24 В, но сила тока не меняется.24 вольта на стартер и соленоид заставляют его проворачивать в два раза быстрее, чем 12 вольт.Фотография предоставлена: MARLAN DAVIS
Максимальная мощность запуска: Когда даже две 12-вольтовые батареи, подключенные параллельно, не могут выполнить свою работу, или если вы — автомобиль аварийной службы AAA, который должен Crook, начни что-нибудь, пора сжечь 24 вольта, подключив батареи последовательно. Подключите положительную клемму одной батареи к отрицательной клемме другой батареи (см. Рисунок).Это обеспечивает большую пусковую мощность, чем даже две 12-вольтовые батареи, подключенные параллельно. Пускатели с прерывистым режимом работы могут работать с напряжением 24 В, ну, с перебоями.
Постоянное напряжение 24 В: Если этого достаточно для реактивного истребителя, то для моей машины вполне достаточно. Кроме того, я просто пускаю слюни на все эти уловки в магазине излишков. Проблема в том, что полное преобразование на 24 В в автомобиле может оказаться непрактичным в реальном мире. Автомобильные аксессуары для постоянного режима работы не выдерживают 24 вольт в течение длительного времени (если вообще), а 24-вольтовые эквиваленты для повседневных автомобильных запчастей могут оказаться непрактичными или недоступными.(Но если две 12-вольтовые батареи подключены для получения 24-вольтовой системы, вы все равно можете использовать 12-вольтовый генератор для их зарядки.)
Двойная 12/24-вольтовая система: Еще один «поворот» проводки заключается в использовании соленоида длительного режима Littelfuse (ранее Cole Hersee) для создания распределительной цепи « последовательно / параллельно », которая вырабатывает 24 В при проворачивании коленчатого вала, а затем по умолчанию возвращается к 12 В для питания всего остального при нормальных условиях работы.
Littelfuse Inc., Чикаго, Иллинойс, 773.628.1000, Littelfuse.com
Powermaster Motorsports, W. Chicago, IL, 630.957.4019 (продажи) или 630.849.7754 (технические), PowermasteMotorsports.com
Summit Racing Equipment, Akron, OH, 800.230.3030 (США) или 330.630. 3030 (за пределами США), SummitRacing.com
Дает ли соединение двух 12-вольтовых батарей вместе 24 вольта?
- Две или более 12-вольтовых батареи, подключенные параллельно — положительный к положительному, отрицательный к отрицательному — по-прежнему представляют собой систему на 12 В.
- Две или более 12-вольтовых батареи, соединенные последовательно — положительный полюс одной батареи, соединенный с отрицательной клеммой второй батареи — вырабатывают 24 вольта, но сила тока не меняется.
Аккумулятор 24 В, разъемы аккумулятора
Узнайте, как соединить две 12-вольтовые батареи, чтобы получить одну 24-вольтовую батарею. Это обычное приложение, необходимое для подачи питания на троллинговый двигатель, требующий 24 вольт. Некоторым более крупным троллинговым двигателям потребуется 36 вольт при последовательном соединении 3 12-вольтных батарей глубокого цикла.
Аналогично батареям для фонарей
Соединить вместе 2 или более 12-вольтовых батарей глубокого разряда очень просто и не страшно.Во-первых: задумайтесь — вы привыкли соединять 2 или более стандартных сухих элемента питания AA, AAA, C или D в серию, например, для фонарика. Некоторые фонарики вмещают 4-6 ячеек «D» встык. Это означает, что конец (+) касается конца (-) следующей батареи. Каждая батарея = 1,5 вольта. Фонарь, который содержит 6 ячеек «D», подает питание на источник света напряжением 9 вольт: вы складываете вольт вместе в этом приложении «Series». Если вы случайно закоротите элемент, случайно сделав что-то, что заставит положительный конец коснуться его отрицательного конца, с этими маленькими батарейками для фонарей обычно не будет фейерверков.Это одна большая разница с 12-вольтовыми автомобильными или морскими аккумуляторами — прикосновение (+) к (-) одной и той же батареи вызовет искры! Будь осторожен.
Батарея 24 В — последовательное соединение
Используя тот же процесс, что и для фонарей с несколькими батареями, вы можете соединить две 12-вольтовые батареи глубокого разряда вместе, чтобы, по сути, получить 24-вольтовую батарею, которая может питать 24-вольтовый аксессуар — например, троллинговый двигатель. В этом приложении используются батареи глубокого разряда, поскольку они предназначены для выдачи энергии с течением времени, в отличие от типичной стартерной батареи, которая предназначена для создания толчка мощности для запуска двигателя.Ниже приведена схема изготовления батареи на 24 В:
Какой размер провода?
Вам необходимо использовать более толстый провод, чем при подключении к батарее радиоприемников, скважинных насосов или эхолотов. Обратите внимание на провода, идущие от аккумулятора к стартеру двигателя вашего автомобиля. Или обратите внимание на провод, который выходит из вашего троллингового двигателя. Вы должны соответствовать этому размеру как можно ближе. Скорее всего, это будет калибр 6-8.
Используя ту же последовательность, вы можете настроить 36-вольтовую систему.На пресноводных рыболовных судах аккумуляторная система на 24 или 36 вольт чаще всего используется для питания троллингового двигателя. Не подключайте 3 батареи на 12 В для работы троллингового двигателя 24 В. Ваш троллинговый двигатель будет поврежден, если вы попытаетесь подключить 36 вольт, а ваш двигатель рассчитан только на 24 вольт. Внимательно прочтите инструкции. Некоторые новые для рынка троллинговые двигатели 2020 года могут работать от 24 или 36 вольт. Снова читайте внимательно.
Мы являемся партнером Amazon.Если вы покупаете продукт, который мы рекомендовали, или другой продукт, находясь на Amazon, мы может получить небольшую комиссию. Наши сотрудники рекомендуют то, что у нас есть лично принадлежал, использовал / тестировал, исследовал или ловил рыбу с проверенными рыболовами, которые рекомендую их. Эти продукты не будут стоить вам дороже, чем размещен.
Параллельное соединение 12 В
Бывают случаи, когда вам требуется более продолжительное питание, но при этом вы хотите поддерживать подачу только 12 вольт. Например, на больших судах с несколькими электрическими устройствами, одновременно требующими питания, вы увидите две, если не больше батареи глубокого цикла, соединенные вместе.. Вы можете сделать это путем «параллельного соединения» двух или более 12-вольтных батарей. Это приложение также часто встречается в жилых автофургонах. Ниже представлена схема того, как это можно сделать:
10 самых популярных страниц PFT для поиска
24 В от 12
24 В от 12* ПРИМЕЧАНИЕ: — Этот метод подходит только для привода прерывистых нагрузок с малым рабочим циклом, таких как носовое подруливающее устройство или лебедка. Время выключения (зарядки) должно быть как минимум в 10 раз больше времени использования. Это традиционная проблема, которая обычно связана с очень опасным и дорогостоящим переключением. Обычно это делается со второй батареей, которая находится параллельно с пусковой 12-вольтовой батареей или домашней батареей для зарядки, но подключается последовательно с этой батареей для работы 24-вольтового элемента — носового подруливающего устройства, лебедки и т. Д. Это дорого и опасно. . Вы должны использовать два сверхмощных переключателя: один для переключения отрицательного полюса дополнительной батареи с -12 на + 12 пусковой батареи, а другой для отключения +12 дополнительной батареи от пусковой батареи. НО ВРЕМЯ ВАЖНА. Если сработать один переключатель раньше другого, вы закоротите аккумулятор и вызовете взрыв. На принципиальной схеме вы увидите, что вспомогательная батарея подключена параллельно 12-вольтовой батарее через пару фар, одна к положительному проводу, а другая — к отрицательному. При разомкнутом переключателе «24 VOLT» заряд дополнительной батареи будет таким же, как и у пусковой 12-вольтовой батареи, потому что фары, которые имеют пару ампер при включении, будут заряжать дополнительную батарею до полного напряжения.В нормальных условиях на фары будет подаваться только часть вольт, поэтому, за исключением тяжелых условий зарядки / разрядки, они останутся выключенными или будут иметь очень тусклое свечение. На нагрузку 24 В будет поступать 12 вольт, когда переключатель находится в положении 12 вольт, но поскольку фары включены последовательно со схемой, если бы носовое подруливающее было включено, протекала бы только пара ампер и фары загорелись. Когда вы замыкаете переключатель 24 В, батареи теперь включены последовательно, и 24 В доступно для носового подруливающего устройства.В режиме 24 В через каждую фару проходит пара ампер, и они загораются на полную мощность. Однако количество потраченной впустую энергии невелико по сравнению с емкостью батареи, и несколько ампер, подаваемых через них, существенно не уменьшают высокий ток, доступный для двигателя малой тяги. |
ВЫБОР КОМПОНЕНТОВ
БАТАРЕЯ Емкость вспомогательного устройства будет зависеть от того, как долго, по вашему мнению, вам понадобится носовое подруливающее устройство за один сеанс, и как часто будут проводиться сеансы.Обратитесь к требованиям к току носового подруливающего устройства, чтобы определить этот показатель. Например, если носовое подруливающее устройство потребляет 50 ампер (около 1,5 лошадиных сил), и вам нужно иметь возможность проработать его до 30 минут, получается 50 x 0,5 часа = 25 ампер-часов. Вы должны удвоить это число, чтобы обеспечить коэффициент безопасности и сократить циклическое использование аккумулятора ниже 50% уровня заряда. Так что автомобильный аккумулятор на 100 ампер-час примерно за 35 долларов был бы идеальным. Вы должны соответствовать химическому составу батареи с химией стартовой батареи — не смешивайте батарею AGM или GELL с ВЛАЖНОЙ свинцово-кислотной.В противном случае батареи могут быть разного возраста, производителя или стиля. Аккумулятор глубокого разряда здесь не нужен — его использование больше похоже на использование аккумулятора стартера в автомобиле.
Время зарядки после типичного использования можно рассчитать, разделив использованные ампер-часы, скажем, 25 за 30-минутный период, на зарядный ток, скажем, 4 ампера = 6 часов, или в 12 раз больше времени разряда.
ФАРА обычно должна быть самой высокой мощностью, которую вы можете найти. На самом деле я использую фару дальнего / ближнего света и соединяю клеммы высокого и низкого света вместе, так что обе нити накала параллельны.Высокая температура сократит жизнь, но так как они будут работать максимум несколько минут в день, кого это волнует? Основным преимуществом использования фар для ограничения тока является нелинейное сопротивление. По мере остывания сопротивление резко падает, и они, как правило, потребляют постоянный ток для зарядки, даже если не горят ярко. Вам следует подумать о размещении фар так, чтобы свет был виден с панели управления носового подруливающего устройства, чтобы не забыть переключиться обратно в режим ЗАРЯДКА, когда носовое подруливающее устройство больше не требуется, иначе фары со временем разрядят вспомогательную батарею.
ПЕРЕКЛЮЧАТЕЛЬ должен быть рассчитан на максимальный ток носового подруливающего устройства плюс запас прочности. Для экономичной установки идеально подойдет простой выключатель аккумуляторной батареи. Если вам нужен пульт дистанционного управления, вам следует использовать простое однополюсное нормально разомкнутое реле вместо переключателя. В нашем каталоге запчастей и комплектов есть реле на 130 ампер, которые подходят для многих двигателей.
Просто подключите одну сторону катушки к удаленному двухпозиционному переключателю, подключенному к +12 на панели управления, а другая сторона катушки подключится к нормальному отрицательному напряжению 12 вольт. |
КАБЕЛИ должны иметь размер, рекомендованный производителем носового подруливающего устройства с учетом длины пробега. Обратите внимание, что этого размера должны быть только кабели, идущие к коммутатору. Кабели к фарам должны выдерживать лишь несколько ампер, поэтому достаточно провода калибра 12 или 14.
ЯНДИНА ПРОИЗВОДИТ АВТОМАТИЧЕСКИЕ СЕРИИ / ПАРАЛЛЕЛЬНЫЕ ПЕРЕКЛЮЧАТЕЛИПреобразование на 24 В для силовых колес на 12 В с зарядным устройством
Этот комплект преобразует любые 12-вольтовые серые аккумуляторные колеса Power Wheels в 24-вольтовые и позволяет вернуться к 12-вольтовому напряжению в любое время.Это также увеличивает время работы на 33% по сравнению со стандартной батареей. В комплект входит зарядное устройство на 24 В, позволяющее зарядить батареи за 6 часов. Световой индикатор, сообщающий, когда батареи заряжены, и кондиционер, чтобы вы не испортили батареи зимой.
Комплект включает:
2 наших аккумулятора 12 В, 12 А, подключенных к 24 В, с предохранителем на 40 А и разъемом типа Power Wheels
1 зарядное устройство-кондиционер 24 В с разъемом типа Power Wheels
Лопаточные соединения дадут вам возможность легко заменить одну батарею из вашего блока, чтобы заменить неисправную или переключить на другое напряжение.
Паяные соединения обеспечивают самое прочное физическое соединение и наилучшее электрическое соединение для снижения силы тока.
Размер каждой батареи:
Длина: 5,95 дюйма
Ширина: 3,96 дюйма
Высота 3,74 дюйма
Их можно ставить бок о бок, встык или стоять на краю.
Если в батарейном отсеке нет это много места, рассмотрите возможность использования нашего 24-вольтового комплекта для переоборудования Dune Racer, который разделяет 2 батареи на 2 разных отсека. Измерьте размер. При необходимости вы также можете обрезать батарейный отсек или использовать наш удлинительный шнур для батарей, чтобы переместить их в другое место.Обязательно используйте двигатели с напряжением 24 В.
Для автомобилей, произведенных не Power Wheels, вам необходимо заменить разъем аккумулятора вашего автомобиля на тот, который указан на этой странице (продается отдельно).
Батареи отправляются только в США. Priority Mail. Заказы, размещенные другими способами, будут заменены.
Зарядка и обслуживание аккумулятора
Комплект для преобразования на квадроцикл Stage IV и 24 В
Stage IV Wrangler с комплектом для переоборудования 24 В
24v Mustang и 24v Dune Racer
12 В, 24 В или 48 В
Вопрос: Что выбрать: автономную систему питания на 12, 24 или 48 вольт?
Ответ: Короче говоря, потребление энергии должно определять напряжение вашей энергосистемы.У вас не должно быть постоянного тока более 100 А.
Ознакомьтесь с нашими примерами автономных систем и узнайте, как потребление связано с напряжением. В примерах перечислены типичные приборы, которые можно найти в обычных домах; получите бесплатное ценовое предложение, пока вы там.
Основы
- Мощность (энергия) (P) = Вт
- Ток (расход) (I) = Ампер
- Напряжение (давление) (В) = Вольт
- Ячейка = Отдельный компонент батареи
- Аккумулятор ( Аккумуляторный блок) = Набор элементов, соединенных последовательно или параллельно
Мощность — Ток — Напряжение
- 1000 Вт = 83 А при 12 В
- 2000 Вт = 83 А при 24 В
- 4000 Вт = 83 А при 48 вольт
- 20 000 ватт = 83 ампера при 230 вольт
Чем выше ток (измеренный в амперах или амперах), тем больше должны быть компоненты проводки и защиты цепи.Для больших токов требуются кабели большего диаметра и предохранители / прерыватели, которые дороги. Удвоив напряжение (I = P / V), вы получите удвоенную мощность (Ватт) при том же токе.
Работа с токами более 100 А является дорогостоящей (и, следовательно, неэффективной) и потенциально опасной. Перспектива: стандартный бытовой удлинитель, рассчитанный на максимальный ток 10 А (обычное значение). 100А расплавит его и может вызвать пожар!
Промышленный стандарт
Раньше 12 вольт были стандартом для энергосистем сверхнизкого напряжения.Сегодня большинство систем рассчитаны на 24 или 48 В и включают в себя инвертор на 230 В переменного тока. Это означает, что электропроводка в доме не должна отличаться от проводки в любом другом доме, подключенном к сети, а затраты на прокладку кабеля значительно снижаются.
Для электропроводки 230 В (низкое напряжение) вы должны попросить квалифицированного электрика подключить к вашему дому электропроводку 230 В переменного тока. Таким образом, вы можете использовать стандартные приборы переменного тока и освещение, большинство из которых намного более доступны по цене, а многие становятся все более эффективными.
Размер системы
В прошлом мы пытались снизить стоимость автономной системы, ограничив ее размер.Это было достигнуто за счет использования приборов и освещения на 12 В или 24 В, для которых не требуется инвертор. В последние годы инверторы и солнечные панели стали более эффективными и более доступными. Вдобавок большинство клиентов, похоже, хотят с годами больше мощности. Систему 12 В постоянного тока с крошечным инвертором сложно, если вообще возможно, модернизировать / увеличить. Не говоря уже о том, что очень немногие компании продают сверхнизковольтные приборы или освещение и обслуживают в основном рынок жилых автофургонов. Кроме того, движение к более широкому использованию химии батарей на основе лития ограничивает экономичность до 24 и 48 В из-за экономии на масштабе производства.
Подводя итог: большинство систем, которые мы проектируем, рассчитаны на 24 или 48 В с инвертором 230 В. Критерии, которые мы используем, — это энергопотребление и масштабируемость. Мы предлагаем систему питания 12 В постоянного тока (например, Rainbow Power Cube) только в том случае, если вам нужно немного света в сарае или караване и вы хотите подключить его самостоятельно.
Размер батарейного блока
Ограничения
При использовании солнечных панелей в качестве первичного источника энергии традиционно рекомендовалось иметь как минимум 5-дневное хранение батареи, при этом батарея батарей сохраняет минимум 50% заряда после окончания срока службы. те 5 дней.Один доступный аккумуляторный блок обеспечит X ампер-часов в течение 100 часов и будет разряжен на 50% в конце этого периода. Не рекомендуется увеличивать емкость накопителя путем подключения двух или более батарейных блоков рядом (параллельно). Однако при удвоении количества ячеек в батарее напряжение батареи удваивается, поэтому ток (в амперах) от нагрузок уменьшается вдвое, поэтому удвоение напряжения имеет тот же эффект, что и удвоение емкости аккумуляторной батареи в ампер-часах без необходимости аккумуляторная батарея подключена параллельно.
Напряжение аккумуляторной батареи, обычно используемое для автономных систем питания, составляет 12 В, 24 В, 48 В, 120 В постоянного тока.
Решение
Дополнительные элементы можно разместить последовательно, чтобы увеличить напряжение системы и повысить эффективность. Если требуется более низкое напряжение питания, можно использовать преобразователь постоянного тока в постоянный.
Размер инвертора
Ограничения
Для любого конкретного напряжения батареи существует ограничение на размер доступного инвертора.С более высоким напряжением батареи доступны более крупные инверторы. Поэтому, если вы ожидаете большие нагрузки 230 В переменного тока, выберите более высокое напряжение для вашей автономной системы
Мощность инвертора — напряжение батареи
- 1-1500 Вт = система 12 В
- 1500-3000 Вт = система 24 В
- 3000-10000 Вт = 48 В система
Решения
Если ваши потребности со временем увеличиваются и более высокое напряжение для вашей системы не является возможным вариантом, вы можете преодолеть недостаток инвертора, используя несколько инверторов или инверторы. которые могут работать в тандеме.
Длина и размер кабеля
Ограничения
Чем ниже напряжение батареи, тем выше ток, потребляемый батареей для питания данной нагрузки (измеряется в ваттах). Существует приемлемый предел падения напряжения в кабеле, прежде чем падение напряжения станет чрезмерным, а результирующее выходное напряжение станет слишком низким. Более серьезным ограничением кабеля является его «допустимая токовая нагрузка» (ccc). При превышении CCC кабель плавится и / или загорается.
Решения
Удвоение напряжения эффективно снижает вдвое нагрузки постоянного тока и снижает вдвое падение напряжения. Поскольку напряжение батареи удваивается, процент падения напряжения по отношению к напряжению батареи составляет только четверть процента падения с более низким напряжением батареи. Следовательно, для системы на 24 вольта длина кабеля должна составлять всего четверть диаметра, как в системе на 12 вольт. Если кабели не являются исключительно длинными или потребляемая мощность (в амперах) нагрузок не является исключительно высокой, это соображение не будет проблемой.
Вместо того, чтобы выбирать более высокое напряжение, проблему могло бы решить увеличение сечения кабеля. И напряжение аккумулятора, и емкость аккумулятора в ампер-часах должны соответствовать вашим потребностям. Избегайте параллельной установки большого количества маленьких батарей. Ячейки батареи, подключенные последовательно, в порядке.
См. Нашу схему подключения / подключения.
Количество требуемых солнечных панелей
Ограничения
Солнечные регуляторы обычно ограничены максимумом 100 ампер.Для большой 12-вольтовой системы вам может потребоваться в два раза больше кабелей и вдвое больше регуляторов, чем для эквивалентной 24-вольтовой системы.
Решения
Это ограничение можно преодолеть, если подключить несколько солнечных батарей по отдельности через отдельные регуляторы. Следует помнить, что максимальная скорость зарядки большинства свинцово-кислотных аккумуляторных батарей составляет 10% от их емкости в ампер-часах; подробнее о литиевых батареях (см. «Максимальная скорость заряда»).
Максимальная скорость зарядки
Выдержка из
Ограничения
Традиционно максимальная скорость зарядки аккумуляторной батареи обычно составляет 10% от ее емкости в ампер-часах для свинцово-кислотных аккумуляторов, измеренной при 10-часовой скорости (C10) .Поэтому аккумулятор на 600 Ач не следует заряжать более 60 ампер. Емкость обычно обозначается как ампер-часы (Ач), но также может быть описана в киловатт-часах (кВтч).
Литиевые батареи обычно имеют более высокую емкость заряда, часто 1 час (C1), хотя она значительно варьируется в зависимости от различных конфигураций химического состава лития. Емкость обычно выражается в ватт-часах (Втч) или киловатт-часах (кВтч).
Solutions
Для увеличения скорости зарядки необходимо увеличить общую емкость аккумулятора в ампер-часах / киловатт-часах.
Напряжение источника заряда
Ограничения
Если в систему встроена большая ветряная турбина с выходом постоянного тока или большой генератор постоянного тока, напряжение системы будет определяться доступностью и напряжением этих источников зарядки.
Решения
Соедините элементы последовательно с отдельными источниками заряда, регуляторами и нагрузками.
Установка аксессуаров 12 В в системы 24 В
Установка радиоприемников 12 В в систему 24 В полна опасностей.Люди, которые подключают свои радиоприемники через батарею высокого напряжения, удивляются, почему они курят при подключении антенн. Вот ключ. В HMMWV или любой системе на 24 В у вас есть 2 батареи по 12 В, соединенные последовательно, чтобы дать вам 24 В. Батарея с низким уровнем заряда — это батарея, отрицательная клемма которой подключена к токовому шунту в аккумуляторном отсеке. Это фактически основная точка в HMMWV. Это та забавно выглядящая латунная штуковина, похожая на нож для сыра, в левой передней части батарейного отсека.В обычном MV эта точка была бы связана с рамой транспортного средства. HMMWV не полагается на тело как на землю из-за того, как он построен, а скорее включает в себя провода заземления в электрическом жгуте для выполнения этой функции. Положительный полюс на «разряженной» батарее — это тот, который соединяется с перемычкой между батареями, коротким звеном между двумя батареями. Затем он подключается к отрицательной клемме аккумуляторной батареи «высокого уровня». Напряжение в этой точке составляет +12 В относительно токового шунта.Положительный полюс на «высокой стороне» батареи — это точка, в которой электрическая система получает +24 вольт. Тяжелый провод, который прикреплен здесь, идет непосредственно к плюсовой клемме стартера в грузовиках ранних серий и к большой латунной клеммной колодке в более поздних грузовиках. Эта клеммная колодка представляет собой тяжелую латунную полосу с множеством болтов на ней, которая передает +24 В в систему.Когда вы случайно подключаете какие-либо предметы к «высокой стороне» батареи, вы получаете +12 В от батареи, но когда вы подключаете дополнительный отрицательный провод к отрицательной клемме, эта точка все еще находится на 12 В выше заземления транспортного средства, и если корпус аксессуаров или антенна касается тела ток потечет и все сгорит.Подключение аксессуаров, которые потребляют много энергии, даже при правильном подключении через «низкую» батарею, вызывает дисбаланс, когда батареи заряжаются, что неравномерно изнашивает ваши батареи.
Если вы хотите использовать 12-вольтовые аксессуары в своем грузовике, лучше всего установить понижающий напряжение (регулятор напряжения), который подключает к системе +24 вольт и электронным образом регулирует его до +12 вольт. Подключение аксессуаров на 12 В к выходу регулятора автоматически подключает заземление к нужной точке в электрической системе и потребляет энергию от обеих батарей, чтобы они заряжались нормально.Здесь вам нужно быть осторожным, так это то, что вы покупаете капельницу (регулятор), которая может обеспечить достаточный ток для питания вашего устройства. Если это что-то вроде простого чертежа радио на 1 или 2 ампера, купите регулятор, который будет обеспечивать 5 ампер. Это создает подушку безопасности. Иногда люди ошибочно называют это трансформатором, но трансформаторы не работают от постоянного тока, обеспечиваемого батареями.
Надеюсь, это простое объяснение поможет.
В чем преимущество системы 24 В перед системой 12 В?
Вы можете получить инверторы на 24 В или 48 В гораздо большей мощности, чем на 12 В.Выбор более высокого напряжения постоянного тока дает ряд преимуществ.
— Для любой данной нагрузки половина постоянного тока и потери уменьшаются на. Сниженный риск возгорания.
— Лучшее регулирование ввода. Падение линии 0,5 В при 12 В = падение питания 4,6%, тогда как падение линии 0,25 В при 24 В = падение 1,04%.
— Повышенная эффективность и регулировка инвертора. То есть меньше потерь при преобразовании в 240 В переменного тока. Инвертору не нужно много работать, чтобы поддерживать постоянный выход переменного тока.
— Большой рабочий диапазон рабочего напряжения (для приемлемого DOD), доступный от батарей.
До 3 кВт максимального потребления качественный инвертор на 24 В все равно будет в порядке. Практическое правило — максимальный ток потребления от инвертора не должен превышать 120-140 ампер. Если мощность превышает 3 кВт, выберите систему на 48 В. 150 А — это предел для экономичной прокладки кабелей, коммутации, прерывателей и предохранителей.
Короче говоря, потребление энергии должно определять напряжение вашей энергосистемы. У вас не должно быть постоянного тока более 100 А.
Мощность — Ток — Напряжение
1000 Вт = 83 А при 12 В
2000 Вт = 83 А при 24 В
4000 Вт = 83 А при 48 В
20000 Вт = 83 А при 230 В
Чем выше ток (измеренный в амперах или амперах), тем больше должны быть компоненты.Для больших токов требуются кабели большого диаметра и предохранители, которые стоят дорого. Удвоив напряжение, вы получите удвоенную мощность (ватт) при том же токе.
Работа с токами более 100 А является дорогостоящей (и, следовательно, неэффективной) и потенциально опасной. Перспектива: стандартный бытовой удлинитель рассчитан на макс 10А. ток. 100А, вероятно, расплавит его и может вызвать пожар!
Отраслевой стандарт
12 вольт раньше был стандартом для энергосистем сверхнизкого напряжения.Сегодня большинство систем рассчитаны на 24 или 48 В и включают в себя инвертор на 230 В переменного тока. Это означает, что электропроводка в доме не должна отличаться от проводки в любом другом доме, подключенном к сети, а затраты на прокладку кабеля значительно снижаются.
Мы советуем вам обратиться к электрику для подключения вашего дома к сети переменного тока 230 В. Таким образом, вы можете использовать стандартные приборы переменного тока и освещение, большинство из которых намного дешевле купить, а многие становятся довольно эффективными.

