Плазменные телевизоры на шасси FM33AA И FM24AA
На шасси FM33AA выпускались телевизоры 37FD9944/01S и 37PF9965/12S. На шасси FM24AA продавались модели 42FD9944/01S и 42PF9965/12S.Эти телевизоры объединяет то, что все они используют высококачественные плазменные панели производства FUJITSU. 42 дюйма панель FPF42C128128UB-72 и 37 дюймов панель FPF37C128128UB-72. Во многом благодаря этому обстоятельству, телевизоры обеспечивают высочайшее качество картинки, даже после поломки телевизоров владельцы предпринимают все возможное, чтобы починить их. Приступим к описанию неисправностей.
Ремонт плазменных телевизоров этой модели во многом сводится к восстановлению работоспособности часто выходящего из строя модуля питания. При неквалифицированном ремонте дефект часто затрагивает другие модули и существенно увеличивает сроки и стоимость ремонта.Внешне неисправность блока питания проявляется постоянными проблемами включения телевизора из холодного состояния(несколько раз щелкает реле потом часто мигает красный индикатор). Как правило после непродолжительных манипуляций телевизор запускается и работает. На утро все повторяется вновь.При появлении данного дефекта владельцу не следует дожидаться усугубления дефекта и обратится к нам в сервисный центр выполнить срочный ремонт телевизоров на дому.
Стоит заметить, что матрица FUJITSU примененная в этих телевизорах имеет достаточно разветвленную и чувствительную схему защиты с обратной связью на модуль SSB ( в отличии от панелей SAMSUNG или LG) по шине I2C. Сигнал ошибки на плату SSB приходит с платы логики или с блока питания,после чего телевизор мгновенно выключается и начинает часто моргать красный индикатор на лицевой панели. Поэтому при львиной доле дефектов внешнее проявление одинаковое. Телевизор включается, даже загорается зеленый индикатор и после нескольких секунд все выключается и красный индикатор часто мигает.Данное внешнее проявление не говорит ни о чем и только диагностика проведенная опытным инженером поможет локализовать неисправность.
Немного о ремонте блока питания.
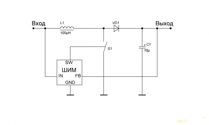
Блок питания очень сложный,вырабатывает большое количество вторичных напряжений. Основное напряжение Vs около 80в используется платами YSUS и XSUS в основном в процессе формирования периода SUSTAIN. Также вырабатывается напряжение Va 60в для работы модулей вертикальной адресации и VCC 5в в основном используемое платами YSUS и XSUS при формировании напряжений питающих низковольтную логику этих плат. На модуле питания присутствует отдельный узел STANDBY вырабатывающий напряжение 9в для питания запускающих реле и 3.3в питающих плату логики и SSB. В этом узле дефекты возникают частенько(конденсаторы 2510,2508 и др.).Модулем вырабатывается еще ряд напряжений для работы платы SSB(SCAVIO) и аудио усилителя.На входе блока питания реализована схема PFC(интегратор мощности потребляемой от сети переменного тока 220в). Собран узел PFC на микросхеме MC33368 и мощном транзисторе STY34NB50. Бывает что выходит из строя,правда редко.Напряжение Vs вырабатывается двухтактной схемой питания контролируемой микросхемой MC34067P. Множество дефектов связаны с этим узлом модуля,часто выходит из строя сама MC34067P или элементы окружения,например 7092 7093 2663 и 2664.Напряжения Va и VCC вырабатываются из напряжения Vs с помощью преобразователей собранных на микросхемах TEA1507.Неисправности этих преобразователей встречаются редко.Замечу, что напряжения от блока питания появляются в строгой последовательности, контролируемой платой логики и нарушение этой последовательности(неквалифицированный ремонт) влечет за собой поломку множества узлов телевизора. Также плата логики регулирует величину напряжений Vs и Va, поэтому при замене платы логики необходимо «перезалить» содержимое EEPROM в новую плату из старой.Модуль питания сигнализирует о своих ошибках плате SSB(SCAVIO) посредством шины I2C.Схема защиты собрана на микросхемах 7308,7330,7310.
PHILIPS 32FD9944. Ремонт, схема, сервис
PHILIPS
Model: 32FD9944/01S PLAZMA
Chassis/Version: FM23 AB
Panel: FPF32C106128UA-72
Inverter (backlight): PLAZMA
PWM Power: 312212360046 3122 123 60046
MOSFET Power: MC33368P, PCF8574AT, TEA1507P, PSMN035, MC34067P
MainBoard: 31221236001.7 3122 123 6001.7
IC MainBoard: M51V18165F60J, M29W160DT, PCF8591T, MSP3415G 88 V3, HCT573, AD9887KS-140, SAA5801H\015 ALTERA, EP1K30FC256-3, CY62126BVLL-70ZI, AM290L184DT
Тuner: FTR9965 Chassis: F22RE
Общие рекомендации по ремонту TV LCD
Возможные проявления дефектов
— Телевизор плазменный PHILIPS 32FD9944 не включается. Отсутствуют какие-либо признаки работоспособности. Индикаторы на передней панели не светят и не мигают, а на пульт и кнопки управления не реагирует.
В подавляющем большинстве таких случаев неисправность обнаруживается в модуле питания . Необходимо замерить его вторичные выходные напряжения, а в случае их отсутствия проверить в преобразователях на предмет короткого замыкания силовые ключи (MC33368P, PCF8574AT, TEA1507P, PSMN035, MC34067P ) и выпрямительные диоды.
Ключи Mos-Fet, применяемые в импульсных источниках питания, обычно выходят из строя по причине неисправности других элементов, которые могут вывести его из работы в ключевом режиме, либо спровоцировать превышение максимальных значений тока или напряжения. Это могут быть питающие, демпферные цепи, либо элементы ООС (отрицательной обратной связи) стабилизации. Причиной пробоя силового ключа может быть и ШИМ (PWM) 312212360046 3122 123 60046. Проверяется только заменой на заведомо исправный.
— Индикатор моргает или светится постоянно, телевизор не включается, на пульт не реагирует.
Ремонт или диагностика материнской платы 31221236001.7 следует начать с проверки стабилизаторов и преобразователей питания, необходимых для питания микросхем и матрицы. При необходимости, следует обновить или заменить ПО (программное обеспечение). Иногда требуют проверки или замены (если это необходимо) элементы платы MainBoard — M51V18165F60J, M29W160DT, PCF8591T, MSP3415G 88 V3, HCT573, AD9887KS-140, SAA5801H\015 ALTERA, EP1K30FC256-3, CY62126BVLL-70ZI, AM290L184DT . В случаях использования процессора BGA его неисправность обычно выявляется методом локального прогрева.
Владельцам и пользователям телевизора PHILIPS 32FD9944 следует помнить, что самостоятельный ремонт без специальных знаний, навыков и квалификации, может быть чреват негативными последствиями, которые могут привести к полной неремонтопригодности устройства!
Макгруп McGrp.Ru |
- Контакты
- Форум
- Разделы
- Новости
- Статьи
- Истории брендов
- Вопросы и ответы
- Опросы
- Реклама на сайте
- Система рейтингов
- Рейтинг пользователей
- Стать экспертом
- Сотрудничество
- Заказать мануал
- Добавить инструкцию
- Поиск
- Вход
- С помощью логина и пароля
Или войдите через соцсети
- Регистрация
- Главная
- Страница не найдена

- Реклама на сайте
- Контакты
- © 2015 McGrp.Ru
MC34063 Один из самых распространенных ШИМ (ЧИМ) контроллеров и небольшой экскурс в принципы работы DC-DC конвертеров.
Некоторое время назад я уже публиковал обзор, где показал как при помощи КРЕН5 сделать ШИМ стабилизатор. Тогда же я упомянул о одном из самых распространенных и наверное самых дешевых контроллеров DC-DC преобразователей. Микросхеме МС34063.Сегодня я попробую дополнить предыдущий обзор.
Вообще, данную микросхему можно считать устаревшей, но тем не менее она пользуется заслуженной популярностью. В основном из-за низкой цены. Я их до сих пор иногда использую в своих всяких поделках.
Найти можно и дешевле, но я заказывал их в комплект к другим деталям (обзоры зарядного для литиевого аккумулятора и стабилизатор тока для фонарика). Есть еще четвертый компонент, который я заказал там же, но о нем в другой раз.
Ну я наверное уже утомил длинным вступлением, потому перейду к обзору.
Предупрежу сразу, будет много всяких фото.
Пришло это все в пакетиках, замотанное в ленту из пупырки. Такая себе кучка 🙂
Сами микросхемы аккуратно запакованы в пакетик с защелкой, на него наклеена бумажка с наименованием. Написано от руки, но проблемы распознать надпись, думаю не возникнет.
Данные микросхемы производятся разными производителями и маркируются так же по разному.
MC34063
KA34063
UCC34063
И т.д.
Как видно, меняются только первые буквы, цифры остаются неизменными, потому обычно ее называют просто 34063.
Мне достались первые, MC34063.
Фото рядом с такой же микрухой, но другого производителя.
Обозреваемая выделяется более четкой маркировкой.
Что дальше можно обозреть я не знаю, потому перейду ко второй части обзора, познавательной.
DC-DC преобразователи используются во многих местах, сейчас наверное уже тяжело встретить электронное устройство, где их нет.
Существует три основные схемы преобразования, все они описаны в даташите к 34063, а так же в дополнении по ее применению, ну и в еще одном описании.
Все описанные схемы не имеют гальванической развязки. Так же, если вы посмотрите внимательно все три схемы, то заметите, что они очень похожи и отличаются перестановкой местами трех компонентов, дросселя, диода и силового ключа.
Сначала самая распространенная.
Step-down или понижающий ШИМ преобразователь.
Применяется там, где надо понизить напряжение, причем сделать это с максимальным КПД.
Напряжение на входе всегда больше, чем на выходе, обычно минимум на 2-3 Вольта, чем больше разница, тем лучше (в разумных пределах).
При этом ток на входе меньше, чем на выходе.
Такую схемотехнику применяют часто на материнских платах, правда преобразователи там обычно многофазные и с синхронным выпрямлением, но суть остается прежней, Step-Down.
В этой схеме дроссель накапливает энергию при открытом ключе, а после закрытия ключа напряжение на дросселе (за счёт самоиндукции) заряжает выходной конденсатор
Следующая схема применяется немного реже первой.
Ее часто можно встретить в Power-bank, где из напряжения аккумулятора в 3-4.2 Вольта получается стабилизированные 5 Вольт.
При помощи такой схемы можно получить и больше, чем 5 Вольт, но надо учитывать, что чем больше разница напряжений, тем тяжелее работать преобразователю.
Так же есть одна не очень приятная особенность данного решения, выход нельзя отключить «программно». Т.е. аккумулятор всегда подключен к выходу через диод. Так же в случае КЗ ток будет ограничен только внутренним сопротивлением нагрузки и батареи.
Для защиты от этого применяют либо предохранители, либо дополнительный силовой ключ.
Так же как и в прошлый раз, при открытом силовом ключе сначала накапливается энергия в дросселе, после закрытия ключа ток на дросселе меняет свою полярность и суммируясь с напряжением батареи поступает на выход через диод.
Напряжение на выходе такой схемы не может быть ниже напряжения на входе минус падение на диоде.
Ток на входе больше чем на выходе (иногда значительно).
Третья схема применяется довольно редко, но не рассмотреть ее будет неправильно.
Это схема имеет на выходе напряжение обратной полярности, чем на входе.
Называется — инвертирующий преобразователь.
В принципе данная схема может как повышать, так и понижать напряжение относительно входного, но из-за особенностей схемотехники чаще используется только для напряжений больше или равных входному.
Преимущество данной схемотехники — возможность отключения напряжения на выходе при помощи закрытия силового ключа. Это так же умеет делать и первая схема.
Как и в предыдущих схемах, энергия накапливается в дросселе, а после закрытия силового ключа поступает в нагрузку через обратно включенный диод.
Когда я задумывал данный обзор, то не знал, что лучше выбрать для примера.
Были варианты сделать понижающий преобразователь для РоЕ или повышающий для питания светодиода, но как то все это было неинтересно и совсем скучно.
Но несколько дней назад позвонил товарищ и попросил помочь ему с решением одной задачки.
Надо было получить выходное стабилизированное напряжение независимо от того, входно больше или меньше выходного.
Т.е. нужен был повышающе-понижающий преобразователь.
Топология данных преобразователей называется SEPIC (Single-ended primary-inductor converter).
Еще пара неплохих документов по данной топологии. 1, 2.
Схема данного типа преобразователей заметно сложнее и содержит дополнительный конденсатор и дроссель.
Вот по этой схеме я и решил делать
Для примера я решил делать преобразователь, способный давать стабилизированные 12 Вольт при колебаниях входного от 9 до 16 Вольт. Правда мощность преобразователя невелика, так как используется встроенный ключ микросхемы, но решение вполне работоспособно.Если умощнить схему, поставить дополнительный полевой транзистор, дроссели на больший ток и т.д. то такая схема может помочь решить проблему питания 3,5 дюйма жесткого диска в машине.
Так же, такие преобразователи могут помочь решить проблему получения, ставшего уже популярным, напряжения 3.3 Вольт от одного литиевого аккумулятора в диапазоне 3-4.2 Вольта.
Но для начала превратим условную схему в принципиальную.
После этого превратим ее в трассировку, не будем же мы на монтажной плате все ваять.
Ну дальше я пропущу этапы, описанные в одном из моих обзоров, где я показал, как изготавливать печатную плату.
В итоге получилась небольшая платка, размеры платы 28х22.5, толщина после запайки деталей — 8мм.
Нарыл по дому всяких разных деталек.
Дроссели у меня были в одном из обзоров.
Резисторы всегда есть.
Конденсаторы частично были, а частично выпаял из разных устройств.
Керамический на 10мкФ выпаял из старого жесткого диска (еще они водятся на платах мониторов), алюминиевый SMD взял из старого CD-ROMа.
Спаял платку, получилось вроде аккуратно. Надо было сделать фото на каком нибудь спичечном коробке, но забыл. Размеры платы примерно в 2.5 раза меньше спичечного коробка.
Плата поближе, старался компоновать плату поплотнее, свободного месте не очень много.
Резистор 0.25 Ома образован четырьма по 1 Ом параллельно в 2 этажа.
Ну а дальше результаты проверки.
Фотографий много, потому убрал под спойлер
Проверял в четырех диапазонах, но случайно получилось в пяти, не стал этому противиться, а просто сделал еще одно фото.У меня не было резистора на 13КОм, пришлось впаять на 12, поэтому на выходе напряжение несколько занижено.
Но так как плату я делал просто для проверки микросхемы (т.е. сама по себе эта плата больше для меня никакой ценности не несет) и написания обзора, то не стал заморачиваться.
В качестве нагрузки была лампа накаливания, ток нагрузки около 225мА
На входе 9 Вольт, на выходе 11.45
На входе 11 Вольт, на выходе 11.44.
На входе 13 вольт, на выходе все те же 11.44
На входе 15 Вольт, на выходе опять 11.44. 🙂
После этого думал закончить, но так как в схеме указал диапазон до 16 Вольт, то и проверить решил на 16.
На входе 16.28, на выходе 11.44
Так как я разжился цифровым осциллографом, то решил снять осциллограммы.
Я их так же спрятал под спойлер, так как их довольно много
Это конечно игрушка, мощность преобразователя смешная, хотя и полезная.
Но товарищу я подобрал несколько более мощный вариант на Алиэксрессе.
Возможно кому то будет и полезно.
Ссылки по теме.
Повышающе-понижающий DC-DC преобразователь 7..14В / 9В 0,5А
MC34063 sepic
Стабилизатор тока светодиодов на микросхеме МС34063
MC34063A описание, схема подключения.
Калькулятор DC-DC MC34063
Файл печатной платы, схема, даташит. — ссылка.
В общем вот такой получился спонтанный микрообзор микросхемы.
Резюме.
Микросхемы вполне годные, меня устроили, особенно по этой цене.
Надеюсь, что обзор будет полезен. Если есть идеи по доработке, буду рад выслушать.
Наверняка где нибудь накосячил, так как писал без шпаргалок, потому если заметили ошибки, сильно не ругайте.
Хинт по 34063
Многие знают, что так как эта микросхема не является полноценным ШИМ контроллером, а скорее ЧИМ, т.е. у нее частота имеет свойство «плавать» в зависимости от напряжения и нагрузки.
Из-за этого дроссель может неприятно «жужжать».
Избавиться от этого эффекта поможет резистор номиналом 300-680к, подключенный между выводом подключения времязадающего конденсатора и выходом на точку соединения дросселя, диода и силового ключа микросхемы (для схемы Step-Down).
На других топологиях не проверял, но думаю, что тоже поможет.
Вместо котика
А вот так выглядит кристалл 34063 при более детальном рассмотрении в электронный микроскоп.Но так как микроскоп я еще не купил, то фото из инета.

Микросхема MC34063 схема включения | Практическая электроника
MC34063 – универсальная микросхема для самых простых импульсных преобразователей. На ней без применения внешних переключающих транзисторов можно строить понижающие, повышающие и инвертирующие преобразователи. А это основные типы преобразователей, не имеющих гальванической развязки.
Основные технические характеристики MC34063
- Широкий диапазон значений входных напряжений: от 3 В до 40 В;
- Высокий выходной импульсный ток: до 1,5 А;
- Регулируемое выходное напряжение;
- Частота преобразователя до 100 кГц;
- Точность внутреннего источника опорного напряжения: 2%;
- Ограничение тока короткого замыкания;
- Низкое потребление в спящем режиме.
Понять как работает микросхема проще всего по структурной схеме.
Разберем по пунктам:
- Источник опорного напряжения 1,25 В;
- Компаратор, сравнивающий опорное напряжение и входной сигнал с входа 5;
- Генератор импульсов сбрасывающий RS-триггер;
- Элемент И объединяющий сигналы с компаратора и генератора;
- RS-триггер устраняющий высокочастотные переключения выходных транзисторов;
- Транзистор драйвера VT2, в схеме эмиттерного повторителя, для усиления тока;
- Выходной транзистор VT1, обеспечивает ток до 1,5А.
Генератор импульсов постоянно сбрасывает RS-триггер, если напряжение на входе микросхемы 5 – низкое, то компаратор выдает сигнал на вход S сигнал устанавливающий триггер и соответственно включающий транзисторы VT2 и VT1. Чем быстрее придет сигнал на вход S тем больше времени транзистор будет находиться в открытом состоянии и тем больше энергии будет передано со входа на выход микросхемы. А если напряжение на входе 5 поднять выше 1,25 В, то триггер вообще не будет устанавливаться. И энергия не будет передаваться на выход микросхемы.
Производители этой микросхемы (например Texas Instruments) в своих datasheets пишут, что её работа основана на широтно-импульсной модуляции (PWM). Даже если и можно назвать то, что делает MC34063 ШИМом, то очень уж примитивным.
- Самый главный недостаток MC34063 – отсутствие встроенного усилителя ошибки. Поэтому пульсации выходного напряжения получаются достаточно большими. И не просто так в рекомендациях по применению предлагается на выход преобразователя устанавливать дополнительный LC-фильтр.
- Второй недостаток – не простое подключение внешнего МДП транзистора.
Мое же мнение, что если требуется низкий уровень пульсаций, либо большая мощность преобразователя, то лучше использовать другие микросхемы – с внутренним усилителем ошибки и с драйвером работающим с полевыми транзисторами.
MC34063 для нетребовательных к пульсациям и мощности применений!
MC34063 повышающий преобразователь
Например я данную микросхему использовал чтобы получить 12 В питание интерфейсного модуля от ноутбучного порта USB (5 В), таким образом интерфейсный модуль работал когда работал ноутбук ему не нужен был свой источник бесперебойного питания.
Также имеет смысл использовать микросхему для питания контакторов, которым нужно более высокое напряжение, чем другим частям схемы.
Хотя MC34063 выпускается давно, но возможность работы от 3 В, позволяет её использовать в стабилизаторах напряжения питающихся от литиевых аккумуляторов.
Рассмотрим пример повышающего преобразователя из документации. Эта схема рассчитана на входное напряжение 12 В, выходное — 28 В при токе 175мА.
- C1 – 100 мкФ 25 В;
- C2 – 1500 пФ;
- C3 – 330 мкФ 50 В;
- DA1 – MC34063A;
- L1 – 180 мкГн;
- R1 – 0,22 Ом;
- R2 – 180 Ом;
- R3 – 2,2 кОм;
- R4 – 47 кОм;
- VD1 – 1N5819.
В данной схеме ограничение входного тока задается резистором R1, выходное напряжение определяется соотношением резистором R4 и R3.
Понижающий преобразователь на МС34063
Понизить напряжение значительно проще – существует большое количество компенсационных стабилизаторов не требующих катушек индуктивности, требующих меньшего количества внешних элементов, но и для импульсного преобразователя находиться работа когда выходное напряжение в несколько раз меньше входного, либо просто важен КПД преобразования.
В технической документации приводиться пример схемы с входным напряжение 25 В и выходным 5 В при токе 500мА.
- C1 – 100 мкФ 50 В;
- C2 – 1500 пФ;
- C3 – 470 мкФ 10 В;
- DA1 – MC34063A;
- L1 – 220 мкГн;
- R1 – 0,33 Ом;
- R2 – 1,3 кОм;
- R3 – 3,9 кОм;
- VD1 – 1N5819.
Данный преобразователь можно использовать для питания USB устройств. Кстати можно повысить ток отдаваемый в нагрузку, для этого потребуется увеличить емкости конденсаторов C1 и C3, уменьшить индуктивность L1 и сопротивление R1.
МС34063 схема инвертирующего преобразователя
Третья схема используется реже двух первых, но не менее актуальна. Для точного измерения напряжений или усиления аудио сигналов часто требуется двуполярное питание, и МС34063 может помочь в получении отрицательных напряжений.
В документации приводиться схема позволяющая преобразовать напряжение 4,5 .. 6.0 В в отрицательное напряжение -12 В с током 100 мА.
- C1 – 100 мкФ 10 В;
- C2 – 1500 пФ;
- C3 – 1000 мкФ 16 В;
- DA1 – MC34063A;
- L1 – 88 мкГн;
- R1 – 0,24 Ом;
- R2 – 8,2 кОм;
- R3 – 953 Ом;
- VD1 – 1N5819.
Обратите внимание, что в данной схеме сумма входного и выходного напряжения не должна превышать 40 В.
Аналоги микросхемы MC34063
Если MC34063 предназначена для коммерческого применении и имеет диапазон рабочих температур 0 .. 70°C, то её полный аналог MC33063 может работать в коммерческом диапазоне -40 .. 85°C.
Несколько производителей выпускают MC34063, другие производители микросхем выпускают полные аналоги: AP34063, KS34063. Даже отечественная промышленность выпускала полный аналог К1156ЕУ5, и хотя эту микросхему купить сейчас большая проблема, но вот можно найти много схем методик расчетов именно на К1156ЕУ5, которые применимы к MC34063.
Если необходимо разработать новое устройство и какжется MC34063 подходит как нельзя лучше, то соит обратить внимание на более современные аналоги, например: NCP3063.
mc34067p лист данных (1/16 страницы) ONSEMI | ВЫСОКОЭФФЕКТИВНЫЕ КОНТРОЛЛЕРЫ РЕЗОНАНСНОГО РЕЖИМА ПЕРЕКЛЮЧАТЕЛЯ НУЛЕВОГО НАПРЯЖЕНИЯ
1
2
3
4
5
6
7
8
16
000
000
000
000
10
9
MC34067
MC33067
ВЫСОКОПРОИЗВОДИТЕЛЬНЫЙ
ПЕРЕКЛЮЧАТЕЛЬ НУЛЕВОГО НАПРЯЖЕНИЯ
РЕЗОНАНСНЫЙ РЕЖИМ
9000 КОНТРОЛЛЕРЫ MC2 КОНТРОЛЛЕРЫ ПОДКЛЮЧЕНИЯКОРПУС 648
DW SUFFIX
ПЛАСТИКОВЫЙ УПАКОВКА
КОРПУС 751G
(SO – 16L)
16
1
(вид сверху)
Vref
Osc3000 Контроль тока Osc2Gnd
Ошибка выхода усилителя
Инвертирующий вход
Неинвертирующий вход
One-Shot RC
9 0002 VCCDrive Output B
CSoft – Start
Enable / UVLO
Adjust
Drive Output A
Power Gnd
Fault Input
Device
Operation
Температурный диапазон
TA От 0 до + 70 ° C
TA = от — 40 ° до + 85 ° C
ИНФОРМАЦИЯ ДЛЯ ЗАКАЗА
MC34067DW
SO – 16L
MC34067P
Пластиковый DIP
MC33067DW
000 MC33067DW SO
Пластиковый DIP
ПОЛУПРОВОДНИК
ТЕХНИЧЕСКИЕ ХАРАКТЕРИСТИКИ
16
1
1
MOTOROLA ANALOG IC DEVICE DATA
High Performance
MC3000 Resonant Mode Controllers
09/
Резонансный переключатель MC3000 с режимом работы
/контроллеры, предназначенные для автономного режима и преобразователя постоянного тока в постоянный
, в которых используется частотно-модулированная константа выключения. временная или постоянная
контроль запаздывания.Эти интегральные схемы включают в себя генератор переменной частоты
, точный перезапускаемый таймер с однократным запуском, опорный сигнал
с температурной компенсацией, широкополосный усилитель ошибки с высоким коэффициентом усиления, триггер рулевого управления и двойные сильноточные выходы
на тотемный полюс, идеально подходящие для вождения. мощность
МОП-транзисторов.
Также включены защитные функции, состоящие из высокой скорости неисправностей
компаратора, программируемый плавного пуска схемы, вход пониженного напряжения заблокирует
с возможностью выбора пороговых значений, а также минимального напряжения опорного блокировки.
Эти устройства доступны в двухрядных корпусах и корпусах для поверхностного монтажа.
• Работа переключателя нулевого напряжения в резонансном режиме
• Генератор переменной частоты с диапазоном регулирования, превышающим 1000: 1
• Прецизионный таймер однократного действия для контролируемого времени выключения
• Эталонное значение ширины запрещенной зоны с внутренней подстройкой
• Усилитель ошибки 4,0 МГц
• Двойные сильноточные выходы на тотемный полюс
• Выбираемые пороги блокировки при пониженном напряжении с гистерезисом
• Разрешающий вход
• Программируемая схема плавного пуска
• Низкий пусковой ток для работы в автономном режиме
Упрощенная блок-схема
Упрощенная блок-схема
Вход
11
8
6
16
3
2
1
Osc Charge
Enable /
UVLO Adjust
VCC
000 1213
Vref UVLO
Ошибка
Amp
VCC UVLO / 90 003
Включить
Детектор неисправностей
2.5 В
Зажим
Soft – Start
One – Shot
Output B
Inverting Input
Soft – Start
7
Error Amp
Output
One – Shot
Oscillator
Контроллер тока
Osc RC
9
Земля
4
Fault Input
10
Pwr Gnd
Output A
Vref
Variable
Frequency
000
000 Flipator
000
5.0 ВСсылка
© Motorola, Inc. 1999
Ред. 1, 05/99
.mc34067p лист данных (2/16 страниц) ONSEMI | ВЫСОКОПРОИЗВОДИТЕЛЬНЫЕ КОНТРОЛЛЕРЫ РЕЗОНАНСНОГО РЕЖИМА ПЕРЕКЛЮЧАТЕЛЯ НУЛЕВОГО НАПРЯЖЕНИЯ
MC34067 MC33067
2
MOTOROLA ANALOG IC DEVICE DATA
МАКСИМАЛЬНЫЕ НОМИНАЛЬНЫЕ РЕЗУЛЬТАТЫ
9000 9000 9000 9000 9000 9000 9000 9000 9000 9000 9000 9000 9000 9000 9000 Мощность Блок питания
Символ Значение
В
Выходной ток преобразователя, источник или сток (Примечание 1)
Непрерывный
Импульсный (0,5
мкс, рабочий цикл 25%
IO
0.3
1,5
A
Усилитель ошибок, неисправность, однократный импульс, осциллятор и
Входы плавного пуска
Vin
— 1,0 до + 6,0
В
UVLO Adjust Input
Vin (UVLO) Vin (UVLO)
— 1.0 по VCC
В
Рассеиваемая мощность и тепловые характеристики
Суффикс DW, пластиковый корпус, корпус 751G
TA = 25 ° C
Термическое сопротивление, переход к воздуху
P Суффикс, пластиковый корпус , Корпус 648
TA = 25 ° C
Термическое сопротивление, переход к воздуху
PD
R
θJA
PD
R
θJA
862
145 9.25
100
мВт
° C / Вт
Вт
° C / Вт
Рабочая температура перехода
TJ
+ 150
° C
Рабочая температура окружающей среды
0003 MC30003MC3000
TA
от 0 до + 70
от 40 до + 85
° C
Температура хранения
Tstg
от 55 до + 150
° C
ЭЛЕКТРИЧЕСКИЕ ХАРАКТЕРИСТИКИ (VCC = 12 В [Примечание 2] , ROSC = 18.2 кОм, RVFO = 2940, COSC = 300 пФ, RT = 2370 кОм, CT = 300 пФ,
CL = 1,0 нФ. Для типичных значений TA = 25 ° C, для мин. / Макс. Значений TA — это диапазон рабочих температур окружающей среды, который применяется [Примечание 3], если
не указано иное.)
Характеристика
Символ
Мин.
Тип
Макс.
блок ССЫЛКА РАЗДЕЛ
Ссылка Выходное напряжение (ИО = 0 мА, т = 25 ° С)
Vref 5,0
5.1 5.2
В
Регулировка линии (VCC = от 10 до 18 В)
Regline
—
1.0
20
мВ
Регулировка нагрузки (IO = от 0 мА до 10 мА)
Regload
—
1,0
20
мВ
Суммарные колебания выходного сигнала по линии, нагрузке и температуре
Vref
4,9
—
5,3
В
Ток короткого замыкания на выходе
9000IO 2 100
190
мА
Порог блокировки при пониженном напряжении
Vth
3.8
4,3
4,8
В
УСИЛИТЕЛЬ ОШИБКИ
Напряжение смещения входа (VCM = 1,5 В)
VIO
—
1,0
10
мВ
В )
IIB
—
0,2
1,0
µA
Входной ток смещения (VCM = 1,5 В)
IIO
—
0
0,5
µA Открытое напряжение Loop
µA = 1.5 В, VO = 2,0 В)
AVOL
70
100
—
дБ
Произведение на коэффициент усиления (f = 100 кГц)
GBW
3,0
5,0
—
Коэффициент подавления синфазного сигнала на входе (VCM = от 1,5 до 5,0 В)
CMR
70
95
—
дБ
Коэффициент подавления от источника питания (VCC = от 10 до 18 В, f = 120 Гц)
PSR
80
100
—
дБ
Колебание выходного напряжения
Высокое состояние
Низкое состояние
VOH
VOL
2.8
—
3,2
0,6
—
0,8
В
ПРИМЕЧАНИЯ: 1. Необходимо соблюдать максимальные пределы рассеиваемой мощности корпусом.
2. Отрегулируйте VCC выше порога запуска перед установкой на 12 В.
3. Во время теста используются импульсные методы с малой скважностью, чтобы поддерживать температуру перехода как можно ближе к температуре окружающей среды.
Tlow = 0 ° C для MC34067
Бедро = + 70 ° C для MC34067
= — 40
° C для MC33067
Бедро = + 85 ° C для MC33067
.mc34067p лист данных (1/16 страницы) ONSEMI | Контроллеры с высокопроизводительным резонансным режимом
© Semiconductor Components Industries, LLC, 2005
Октябрь 2005 г. — Ред. 11
1
Номер для заказа публикации:
MC34067 / D
MC34067, MC33067
High Performance Reson0002
High Performance Reson0002 Контроллеры режимов
MC34067 / MC33067 — это высокопроизводительные контроллеры с переключателем нулевого напряжения
, работающие в резонансном режиме, предназначенные для автономных преобразователей и преобразователей постоянного тока
, в которых используется частотно-модулированная постоянная
времени отключения или постоянное управление мертвым временем.Эти интегральные схемы
включают генератор переменной частоты, точный перезапускаемый таймер
с однократным запуском, опорный сигнал с температурной компенсацией, усилитель ошибки полосы пропускания
с широким усилением, управляемый триггер и идеально подходят два сильноточных выхода на тотемный полюс
для силовых МОП-транзисторов.
Также включены защитные функции, состоящие из высокоскоростного сбоя
, компаратор и защелка, программируемая схема плавного пуска, блокировка минимального напряжения входа
с выбираемыми порогами и блокировка минимального напряжения
.Эти устройства доступны в двухрядных корпусах и корпусах
для поверхностного монтажа.
Характеристики
• Работа в резонансном режиме переключателя нулевого напряжения
• Генератор переменной частоты с диапазоном регулирования
Превышение 1000: 1
• Прецизионный таймер однократного действия для контролируемого времени выключения
• Эталонная ширина запрещенной зоны с внутренней подстройкой
• Усилитель ошибки 4,0 МГц
• Двойные сильноточные выходы на тотемный полюс
• Выбираемые пороги блокировки при пониженном напряжении с гистерезисом
• Вход разрешения
• Программируемая схема плавного пуска
• Низкий пусковой ток для работы в автономном режиме
• Доступны пакеты без свинца *
Рисунок 1.Упрощенная блок-схема
Неинвертирующий
Вход
11
8
6
16
3
2
1
OSC Charge
000 V
5
14
12
13
Vref UVLO
Error
Amp
VCC UVLO /
Enable
Fault Detector /
Latch
2.5 В
Зажим
Мягкий пуск
One-Shot
Выход B
Инвертирующий вход
Мягкий пуск
7
Усилитель ошибки
Выход
One-Shot
Контроллер токаOSC RC
9
Заземление
4
Вход неисправности
10
Pwr GND
Выход A
Vref
Переменная
00030002000200020003
Управление частотой вращения
5.0 V
Ссылка
* Для получения дополнительной информации о нашей бессвинцовой стратегии и деталях пайки, пожалуйста,
загрузите ON Semiconductor Soldering and Mounting Techniques
Reference Manual, SOLDERRM / D.
МАРКИРОВКА
ДИАГРАММЫ
x
= 3 или 4
A
= Место сборки
WL = Партия пластин
YY =
WW = Рабочая неделя
G
9000 бесплатноPDIP − 16
P SUFFIX
CASE 648
1
16
SOIC − 16W
DW SUFFIX
CASE 751G
1
2
000 3
000 3
7
8
16
15
14
13
12
11
10
9
КОНТАКТНЫЕ СОЕДИНЕНИЯ
(вид сверху)
9000 OSC2(вид сверху) OSC2
9000 RCУправляющий ток OSC
GND
Ошибка выхода усилителя
Инвертирующий вход
Неинвертирующий вход
One-Shot RC
VCC
Выход привода B
CSoft − Start
Enable / UVLO
Adjust
Drive Output A
Power GND
Fault Input
http: // onsemi.com
16
1
MC3x067DW
AWLYYWWG
См. подробную информацию о заказе и доставке в разделе размеров упаковки
на стр. 2 данного технического описания.
ИНФОРМАЦИЯ ДЛЯ ЗАКАЗА
16
1
MC3x067P
AWLYYWWG
16
.mc34067p лист данных (10/16 страниц) ONSEMI | ВЫСОКОПРОИЗВОДИТЕЛЬНЫЕ КОНТРОЛЛЕРЫ РЕЗОНАНСНОГО РЕЖИМА ПЕРЕКЛЮЧАТЕЛЯ НУЛЕВОГО НАПРЯЖЕНИЯ
MC34067 MC33067
10
MOTOROLA ANALOG IC DEVICE DATA
ПРИМЕНЕНИЕ
заявки. ИС оптимизирована для двухсторонних двухтактных преобразователей
или мостовых преобразователей, работающих в режиме постоянной проводимости
.Работа этого типа ZVS с резонансными свойствами
аналогична стандартным двухтактным или мостовым схемам в том, что энергия
передается во время работы транзистора. Разница
состоит в том, что обычно вводят последовательно резонансный резервуар
для формирования напряжения на силовом транзисторе перед включением
. Резонансный резервуар в этой топологии не используется для подачи энергии на выход
, как в случае с топологиями переключателей
с нулевым током.Когда силовой транзистор включен, напряжение
на нем уже должно быть нулевым, что дает минимальные потери при переключении
. На рисунке 19 показана временная диаграмма для полумоста
ZVS QRC. Схема приложения показана на
Рис. 20. Построенная схема представляет собой полумостовой преобразователь постоянного тока
, выдающий 75 Вт на выход от источника 48 В.
При построении схемы переключателя нулевого напряжения (ZVS) цель
состоит в том, чтобы изменить форму волны напряжения силового транзистора
так, чтобы напряжение на транзисторе было равно нулю
при включении устройства.Назначение управляющей ИС
— позволить резонансному резервуару изменять форму волны напряжения на силовом транзисторе
, сохраняя при этом регулирование. Это
достигается поддержанием фиксированного мертвого времени и
изменением частоты; таким образом, эффективный рабочий цикл
изменен.
Резонанс на первичной стороне может использоваться с цепями ZVS. В прикладной схеме
элементами, составляющими резонансный резервуар
, являются индуктивность рассеяния первичной обмотки трансформатора
(LL) и средняя выходная емкость (COSS) силового полевого МОП-транзистора
(CR).Требуемая резонансная частота для прикладной схемы
рассчитывается по уравнению 6:
LL 2CR
(6)
1
=
π
2
ƒr
В прикладной цепи рабочее напряжение является низким и
значение COSS в зависимости от напряжения стока известно. Поскольку
COSS полевого МОП-транзистора изменяется с напряжением стока, значение
CR приблизительно равно среднему COSS полевого МОП-транзистора
.Для прикладной схемы средний COSS может быть
, рассчитанный по уравнению 7:
, измеренный при
(7)
CR
1
2
2 * COSS
=
в
V
V
Выбранный полевой МОП-транзистор фиксирует CR, а LL настроен на
для достижения желаемой резонансной частоты.
Однако желаемая резонансная частота
менее критична, чем индуктивность рассеяния. На рисунке 19 показан первичный ток
, линейно увеличивающийся до своего пикового значения во время резонансного перехода
.
В это время через вторичную индуктивность протекает циркулирующий ток
, который фактически приводит к закорочению первичной индуктивности
. Следовательно,
ток через первичную обмотку будет нарастать до своего пикового значения на
со скоростью, контролируемой индуктивностью рассеяния и приложенным напряжением
. Энергия не передается во вторичную обмотку в течение
этого этапа, потому что первичный ток не преодолел циркулирующий ток
во вторичной обмотке.Чем больше индуктивность утечки
, тем больше времени требуется для нарастания первичного тока.
На практике это снижает рабочий цикл, таким образом
сокращает рабочий диапазон.
Максимальный рабочий цикл контролируется индуктивностью утечки
, а не MC34067. Функция One-Shot в
MC34067 гарантирует только включение выключателя питания
при нулевом напряжении. Настройте единичный период так, чтобы
выходной переключатель активировался, в то время как первичный ток
вращается, но до того, как ток изменит полярность.Резонансный каскад
должен быть спроектирован таким образом, чтобы обеспечить время
первичного тока до нуля ампер.
.