| |
| Лабораторный БП 0-30 вольт Драгметаллы в микросхемах Металлоискатель с дискримом Ремонт фонарика с АКБ Восстановление БП ПК ATX Кодировка SMD деталей | |||||||||||
Схема сварочного инвертора мма 250 — Topsamoe.
ru
Современные сварочные работы проводятся при применении специальных инверторов. Ранее для подобной обработки металла использовали обычные трансформаторы, которые характеризуются меньшей эффективностью. Принципиальная схема сварочного инвертора может несколько отличаться, но все они характеризуются легкостью и компактностью. Только при учете конструктивных особенностей можно провести ремонт сварочного инвертора и его точную настройку.
Элементы электрической схемы сварочных инверторов
Принципиальная электрическая схема инверторного сварочного аппарата предусматривает сочетание нескольких элементов, которые связаны между собой. Основными можно назвать:
- Блок, отвечающий за подачу энергии к силовой части. Этот элемент представлен сочетанием нескольких устройств, которые способны изменять параметры тока до требуемых значений. Как правило, включается емкостный фильтр и выпрямитель.
- В устройство входит силовой трансформатор. Также в блок питания сварочного инвертора входит транзистор 4n90.

- Отдельный элемент отвечает за питание слаботочной части конструкции.
- Для контроля основных параметров устанавливается ШИМ контроллер. Он представлен сочетанием датчика тока нагрузки и трансформатора.
- Отдельный блок отвечает за защиту конструкции от воздействия тепла. При прохождении электрического тока некоторые элементы могут серьезно нагреваться. Поэтому дополнительно устанавливается охлаждающий модуль, представленный вентилятором и датчиком температуры.
- Блоки управления, которые позволяют устанавливать основные параметры, а также элементы индикации.
Пример принципиальной схемы для тока 250А
Оборудование диодного моста для сварочного аппарата производится и устанавливается с учетом мощности устройства и некоторых других моментов. Каждый аппарат имеет свои особенности, которые рассмотрим далее подробно.
Схемы аппаратов Сварис
Сварочный аппарат Сварис 200 характеризуется простотой в применении и невысокой стоимостью.
Уже моделям Сварис 160 были присущи высокие эксплуатационные характеристики, а новый вариант исполнения был усовершенствован. Схема инверторного сварочного аппарата определяет следующие эксплуатационные характеристики:
- Максимальный показатель потребления составляет 5 кВт.
- Сварочный ток может варьировать в пределе от 20-200 А.
- Показатель напряжения холостого хода 62 В.
- Показатель КПД 85%.
- Рекомендуемые электроды 1,6-5,0.
В целом можно сказать, что инвертор выполнен по классической схеме, которая была рассмотрена выше.
Схемы моделей ММА-200 и ММА-250
Большое распространение получили модели ММА-200 и ММА-250. Эти инверторы практически идентичны, разница заключается лишь в нижеприведенных моментах:
- Схема сварочного инвертора ММА 250 предусматривает наличие в выходном каскаде по 3 резистора полевого типа. Все ни подключены параллельно. Схема сварочного инвертора ММА 200 указывает лишь на наличие двух резисторов.

- У новой версии три импульсных трансформатора, в то время как у старой только два.
Основная схема обеих моделей практически полностью идентична.
Схема инвертора ММА-200
Схемы Inverter 3200 и 4000
Для проведения ручной дуговой сварки можно использовать Inverter 4000 или 3200. Оба аппарата обладают практически идентичной конструкцией, которая обеспечивает наличие следующих функций:
- Защита от эффекта залипания электрода.
- Защита основных элементов от серьезного перепада напряжения.
- Контроль основных параметров дуги.
- Встроенный элемент охлаждения с контрольными датчиками.
При изготовлении инверторов была обеспечена защита по классу IP21. Мощность устройства составляет 5,3 кВт, питается от стандартной сети энергоснабжения. Подробная схема inverter 3200 pro определяет весьма привлекательные свойства этих моделей, за счет чего они получили широкое распространение.
youtube.com/embed/7lYhuy3TXds?feature=oembed»/>
Схемы других моделей
Как ранее было отмечено, практически все инверторы работают по схожему принципу, и создаваемые схемы могут отличаться несущественно. Все сварочные аппараты делятся на несколько основных групп:
- Для проведения электродуговой сварки при применении покрытых специальным составом электродов применяется оборудование типа ММА. Подобная схема характеризуется высокой эффективность, а конструкция имеет небольшой вес.
- Для применения тугоплавких электродов применяется сварочное оборудование типа ММА+TIG. Они могут работать в среде инертных газов.
- На производственных линиях встречаются агрегаты с полуавтоматической подачей прутка. В этом случае работа, как правило, проводится в среде инертных газов или в специальных ванночках.
- При кузнечном или прочем ремонте используется точечная сварка.
Модель ARC 160, схема которой довольно сложна, может применяться для проведения самых различных работ.
В отличии от arc 140, схема новой модели лишена основных недостатков.
Сварочный инвертор ТОРУС 250
Вариант исполнения торус 250 состоит из следующих элементов:
- Генератора тактового типа, построенного на микросхеме TL Стоит учитывать, что схема мощного инвертора не предусматривает использование ШИМ, но в микросхеме есть два компаратора с датчиками тепловой защиты.
- Система защиты и регулировочный модуль выполнены на основе LM Датчик, определяющий параметры тока, помещен на ферритовом кольце с обмоткой.
- В схему включается также два выходных драйвера, построенные на IR
В отдельную категорию относят схему сварочного инвертора на тиристорах, которая получила весьма широкое распространение.
Ремонт Торус 250 следует проводить с открытия конструкции и визуального осмотра основных элементов. В рассматриваемом случае они следующие:
- Выпрямитель выходного типа представлен отдельной платой, на которой размещается два радиатора.

Они служат в качестве основания для размещения диодных сборок. Также в модуль входит один трансформатор и дроссель. Количество элементов в выходном выпрямителе во многом зависит от конкретной сборки. - Модуль ключей представлен четырьмя транзисторами в каждой из четырех групп. Для того чтобы снизить степень нагрева все они размещаются на отдельных радиаторах, которые изолированы специальными прокладками.
- В качестве выходного выпрямителя используется мощный диодный мост. В рассматриваемом случае он расположен в нижней части конструкции. На этой модели устанавливается крайне надежный и практичный мост, который сложно спалить при исправной работе системы охлаждения.
- Микросхема управления является основным элементом конструкции. Как правило, от правильности его работы зависит долговечность всего аппарата. Самостоятельно проверить блок можно только при наличии специального осциллографа и соответствующих навыков работы с ним.
- Корпус с вентилятором системы охлаждения.
Как правило, охлаждающий блок выходит из строя только в случае механического воздействия.
Для диагностики многих элементов приходится проводить их демонтаж. Именно поэтому лучше всего доверить работу профессионалам, так как неправильная сборка может привести к существенным проблемам.
Сварочный инвертор САИ 200, схема которого несущественно отличается от аппаратов схожего типа, применяется для ручной дуговой сварки и наплавки при применении штучных электродов. RDMMA 200 относится к оборудованию нового типа, которое создается без применения трансформаторов. За счет этого возможна более точная и плавная регулировка показателей тока, при работе не появляется сильного шума.
Несмотря на применение схожей схемы при создании практически всех инверторов, они существенно отличаются друг от друга. Именно поэтому перед проведением каких-либо работ нужно подробно ознакомиться с конструктивными особенностями устройства.Если вы нашли ошибку, пожалуйста, выделите фрагмент текста и нажмите Ctrl+Enter.
Основным элементом простейшего сварочного аппарата является трансформатор, работающий на частоте 50 Гц и имеющий мощность несколько кВт. Поэтому его вес десятки килограмм, что не совсем удобно.
С появлением мощных высоковольтных транзисторов и диодов широкое распространение получили сварочные инверторы. Основные их достоинства: малые габариты, плавная регулировка сварочного тока, защита от перегрузки. Вес сварочного инвертора с током до 250 Ампер всего несколько килограмм.
Принцип работы сварочного инвертора понятен из ниже приведенной структурной схемы:
Переменное сетевое напряжение 220 В поступает на без трансформаторный выпрямитель и фильтр (1), который формирует постоянное напряжение 310 В.
Это напряжение питает мощный выходной каскад (2). На вход этого мощного выходного каскада подаются импульсы частотой 40-70 кГц от генератора (3). Усиленные импульсы подаются на импульсный трансформатор (4) и далее на мощный выпрямитель (5) к которому подключены сварочные клеммы. Блок управления и защиты от перегрузки (6) осуществляет регулировку сварочного тока и защиту.
Так как инвертор работает на частотах 40-70 кГц и выше, а не на частоте 50 Гц, как обычный сварочник, габариты и вес его импульсного трансформатора в десятки раз меньше чем обычного сварочного трансформатора на 50 Гц. Да и наличие электронной схемы управления позволяет плавно регулировать сварочный ток и осуществлять эффективную защиту от перегрузок.
Рассмотрим конкретный пример.
Инвертор перестал варить. Вентилятор работает, индикатор светится, а дуга не появляется.
Такой тип инверторов довольно распространен. Эта модель называется «Gerrard MMA 200»
Удалось найти схему инвертора «ММА 250», которая оказалась очень похожа и существенно помогла в ремонте.
Основное ее отличие от нужной схемы ММА 200:
- В выходном каскаде по 3 полевых транзистора , включенных параллельно, а у ММА 200 — по 2.
- Выходных импульсных трансформатора 3, а у ММА 200 — всего 2.
В остальном схема идентична.
Коротко о самой схеме.
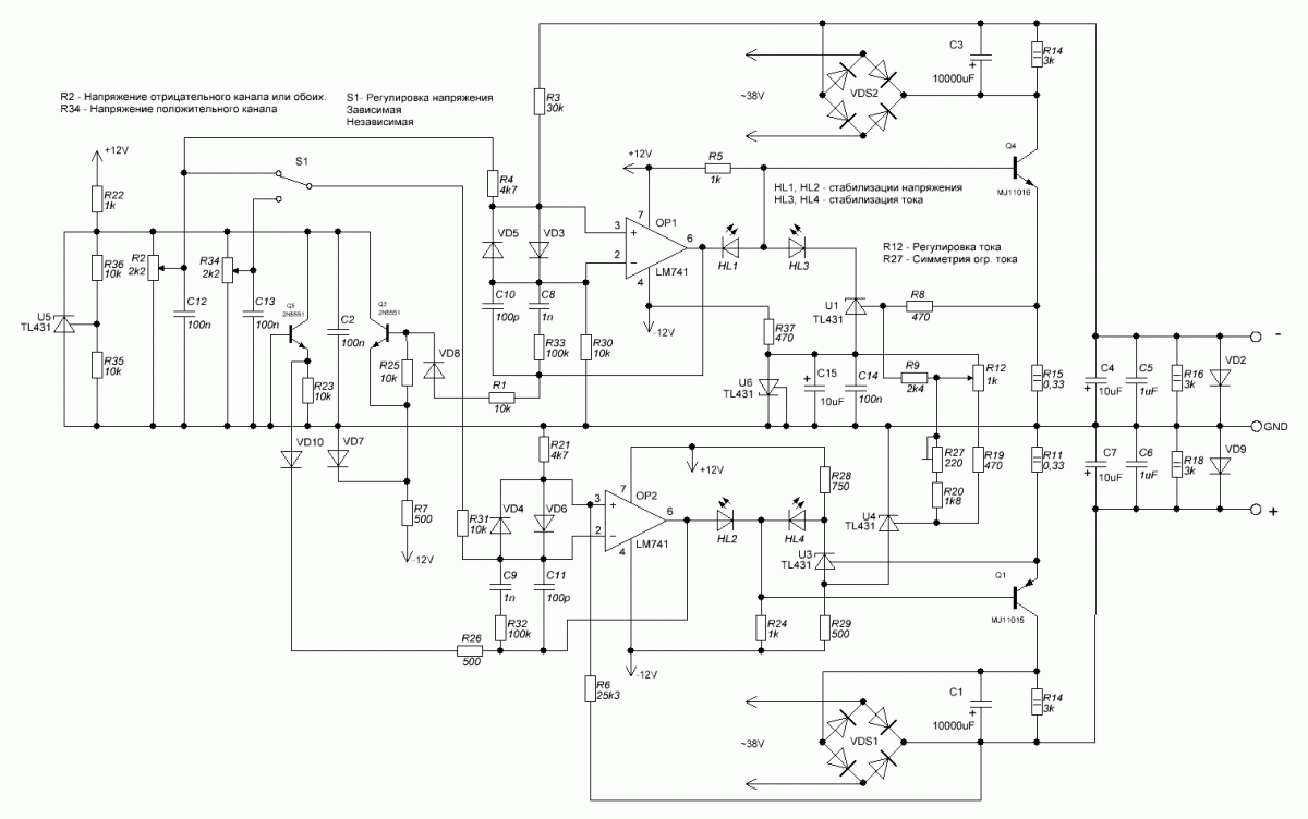
В начале статьи приводится описание структурной схемы сварочного инвертора. Из этого описания понятно, что сварочный инвертор, это мощный импульсный блок питания с напряжением холостого хода около 55 В, что необходимо для возникновения сварочной дуги, а также, регулируемым током сварки, в данном случае, до 200 А. Генератор импульсов выполнен на микросхеме U2 типа SG3525AN, которая имеет два выхода для управления последующими усилителями. Сам генератор U2 управляется через операционный усилитель U1 типа СА 3140. По этой цепи осуществляется регулировка скважности импульсов генератора и таким образом величина выходного тока, устанавливаемая резистором регулировки тока, выведенным на переднюю панель.
С выхода генератора импульсы поступают на предварительный усилитель выполненный на биполярных транзисторах Q6 — Q9 и полевиках Q22 – Q24 работающих на трансформатор Т3. Этот трансформатор имеет 4 выходные обмотки которые через формирователи подают импульсы на 4 плеча выходного каскада собранного по мостовой схеме. В каждом плече в параллель стоят по два или по три мощных полевика. В схеме ММА 200 – по два, в схеме ММА – 250 – по три. В моем случае ММА – 200 стоят по два полевых транзистора типа K2837 (2SK2837).
C выходного каскада через трансформаторы Т5, Т6 мощные импульсы поступают на выпрямитель. Выпрямитель состоит из двух (ММА 200) или трех (ММА 250) схем двухполупериодных выпрямителей со средней точкой. Их выходы соединены параллельно.
С выхода выпрямителя через разъемы Х35 и Х26 подается сигнал обратной связи.
Также сигнал обратной связи с выходного каскада через токовый трансформатор Т1 подается на схему защиты от перегрузок, выполненную на тиристоре Q3 и транзисторах Q4 и Q5.
Выходной каскад питается от выпрямителя сетевого напряжения, собранного на диодном мосте VD70, конденсаторах С77-С79 и формирующего напряжение 310 В.
Для питания низковольтных цепей используется отдельный импульсный блок питания, выполненный на транзисторах Q25, Q26 и трансформаторе Т2. Этот блок питания формирует напряжение +25 В, из которого дополнительно через U10 формируется +12 В.
Вернемся к ремонту. После открывания корпуса визуальным осмотром был обнаружен подгоревший конденсатор 4,7 мкФ на 250 В.
Это один из конденсаторов, через которые подключаются выходные трансформаторы к выходному каскаду на полевиках.
Конденсатор был заменен, инвертор заработал. Все напряжения в норме. Через несколько дней инвертор снова перестал работать.
При детальном осмотре были обнаружены два разорванных резистора в цепи затворов выходных транзисторов. Их номинал 6,8 Ом, фактически они в обрыве.
Были проверены все восемь выходных полевых транзистора.
Как упоминалось выше, они включены по два в каждом плече. Два плеча, т.е. четыре полевика, вышли из строя, их выводы накоротко соединены между собой. При таком дефекте высокое напряжение от цепей стока попадает в цепи затворов. Поэтому были проверены входные цепи. Там также обнаружены неисправные элементы. Это стабилитрон и диод в цепи формирования импульсов на входах выходных транзисторов.
Проверка производилась без выпаивания деталей путем сравнения сопротивлений между одинаковыми точками всех четырех формирователей импульсов.
Также были проверены все остальные цепи вплоть до выходных клемм.
При проверке выходных полевиков все они были выпаяны. Неисправных, как выше упоминалось, оказалось 4.
Первое включение делалось вообще без мощных полевых транзисторов. При этом включении была проверена исправность всех источников питания 310 В, 25 В, 12 В. Они в норме.
Точки проверки напряжений на схеме:
Проверка напряжения 25 В на плате:
Проверка напряжения 12 В на плате:
После этого были проверены импульсы на выходах генератора импульсов и на выходах формирователей.
Импульсы на выходе формирователей, перед мощными полевыми транзисторами:
Затем были проверены на утечку все выпрямительные диоды. Так как они включены в параллель и к выходу подключен резистор, сопротивление утечки было около 10 кОм. При проверке каждого отдельно взятого диода утечка более 1 мОм.
Далее было принято решение собрать выходной каскад на четырех полевых транзисторах, поставив в каждое плечо не по два, а по одному транзистору. Во-первых, риск выхода из строя выходных транзисторов хотя и минимизирован проверкой всех остальных цепей и работой источников питания, но все же после такой неисправности остается. К тому же, можно предположить, что если в плече по два транзистора, то выходной ток до 200 А (ММА 200), если по три транзистора, то выходной ток до 250 А, а если будет по одному транзистору, то ток вполне сможет достигать 80 А. Это значит, что при установке по одному транзистору в плечо, можно варить электродами до 2мм.
Первое контрольное кратковременное включение в режиме ХХ решено сделать через кипятильник на 2,2 кВт. Это может минимизировать последствия аварии, если все-таки какая-то неисправность была пропущена. При этом измерялось напряжение на клеммах:
Все работает нормально. Не проверенными оказались только цепи обратной связи и защиты. Но сигналы этих цепей появляются только при наличии выходного тока значительной величины.
Так как включение прошло нормально, напряжение на выходе также в пределах нормы, убираем последовательно включенный кипятильник и включаем сварку в сеть напрямую. Снова проверяем выходное напряжение. Оно немного выше и в пределах 55 В. Это вполне нормально.
Пробуем кратковременно варить, наблюдая при этом за работой схемы обратной связи. Результатом работы схемы обратной связи будет изменение длительности импульсов генератора, за которыми мы будем наблюдать на входах транзисторов выходных каскадов.
При изменении тока нагрузки они изменяются.
Значит схема работает правильно.
А вот импульсы при наличии сварочной дуги. Видно, что их длительность изменилась:
Можно покупать недостающие выходные транзисторы и устанавливать на место.
Материал статьи продублирован на видео:
Здравствуйте читатели сайта Elwo.ru! Много читал тут про ремонт различных СА, а теперь хочу и сам поделиться опытом. Принесли на той неделе на ремонт сварочный инвертор для дуговой сварки «Герой МMA MINI-250».
Выполнен аппарат по технологии IGBT или (полу-мостовой).
С жалобой от хозяина на то, что электрод залипает, и не хочет сваривать. После включения в сеть
и попыток сварить деталь, ничего не получалось. И после изменения тока сварки на более высокое, сварка задымилась и услышал электрический треск. Владелец сказал что причиной поломки, был вызван не правильный выбор сварочного тока для электрода.
Внимание: все работы по ремонту, и восстановлению сварочного инвертора, вы выполняете на свой страх и риск.
После разборки было решено открутить и проверить БП.
Был найден сгоревший резистор на 150 Ом на 10W.
Диодный мост на 100V 35A и реле на 24 35А оказались рабочими.
А в БП был найден вздувшийся конденсатор 470 мкФ х 450 В который был заменён.
Далее проверяем верхнюю плату.
На этой плате установлен:
- Драйвер силовых ключей. (проверяется всё что можно на этой платке сопротивление должно быть не более 10 Ом).
- Силовые ключи.
- Блок питания 24 В. (проверяется транзистор К2611 или его аналог и его обвес см фото).
- Задающий генератор. (проверяются все полевые транзисторы можно проверить включив сварку при включении и выключении должен появиться писк генератора).
Как проверить силовые ключи
Здесь установлены ключи IRG4PC50UD или его аналоги. Мультиметром в режиме проверки диодов нужно прозвонить ножки транзистора «E» и «C» в одну сторону они должны прозваниваться, а в другую сторону они не должны прозваниваться транзистор нужно разрядить (замкнуть все ножки).
На ножках «G» и «E» сопротивление должно быть бесконечное, не зависимо от полярности.
Далее нужно подать на ножку «G»-«+» а на «E» «-» 12 вольт постоянного тока. и прозвонить ножки «C» и «E» они должны звониться. Далее нужно снять заряд с транзистора (замкнуть ножки ). Ножки «C» и «E» должно быть сопротивление бесконечное. Если все эти условия соблюдаются то транзистор работает, и так нужно проверить все транзисторы.
Диоды ломаются крайне редко, но если ломается один то за собой он ломает все остальные. Примерная схема этой сварки ММА-250 находится тут (не полная). После того как заменили все неисправные детали, собираем сварочник в обратной последовательности и проверяем на работоспособность. Автор статьи 4ei3
Электрическая и принципиальная схема сварочного инвертора
Чтобы обеспечить горение сварочной дуги, используются инверторы. У данных устройств есть определенные преимущества, недостатки, отличительные особенности. Схема сварочного инвертора включает в себя конструкционные элементы, каждый узел выполняет свою операцию.![]()
Принцип работы
Если разобрать сварочный инвертор, можно поближе рассмотреть силовой трансформатор. Он является основным узлом конструкции и отвечает за уровень напряжения. Ток, исходящий от источника, должен быть понижен.
Схема сварочного инвертораВажно! На плате управления используются конденсаторы, резисторы, отвечающие за проводимость электрического потока.
Чтобы частота находилась на уровне 50 герц, используется стабилизатор. К дополнительным элементам относится выпрямитель тока (отвечает за пульсацию) и дроссель, стабилизирующий выходное напряжение. Устройство работает в цепи постоянного, переменного тока. Когда напряжение выпрямляется, оно подается на дугу и разрешается заниматься сварочными работами.
Сварочные работыТехнические характеристики
При рассмотрении инверторов рекомендуется сосредоточиться на таких характеристиках:
- напряжение от сети,
- допустимый размер электрода,
- напряжение без нагрузки,
- рабочий цикл,
- класс защиты,
- показатель нагревостойкости,
- температура эксплуатации.

Конструкция инверторного сварочного аппарата
Внутри сварочного инвертора имеется множество элементов, которые взаимодействуют между собой. К основным модулям силового блока приписывают следующее:
- выпрямитель напряжения,
- помеховый фильтр,
- преобразователь (он же инвертор),
- высокочастотный выпрямитель на выходе.
Рассматривая плату управления, на ней используются системы для охлаждения транзисторов, фильтров. У современных инверторов установлен радиатор, выпрямитель и преобразователь. Есть кулер, нацеленный на понижающий трансформатор.
Понижающий трансформаторВажно! На плате управления может быть один или несколько помеховых фильтров и конденсаторов под них.
Рядом с понижающим трансформатором необходим датчик тока, интегральный стабилизатор. Продвинутые инверторы высокого уровня поставляются с реле мягкого пуска.
Достоинства и недостатки
К сильным сторонам оборудования важно приписать следующее:
- высокая эффективность,
- значительная удельная мощность,
- ассортимент в наличии,
- сфера применения.

Недостатки также всем знакомы, речь идёт о высокой стоимости продукции. Агрегаты не отличаются долгим сроком эксплуатации. Когда электронная плата перегорает, сделать что-либо нереально.
Электронная платаПроблема кроется в незащищенности корпуса. На рабочем месте, как правило, большое количество пыли и грязи. Всё это оседает на внутренних элементах конструкции и происходит сбой.
Правильное назначение
Сварочные аппараты подходят для продуктивной работы в домашних условиях, а также в мастерских. Разнообразие функций в устройствах делает их разносторонними. Стандартные сварочные инверторы обеспечивают постоянный ток сварки, поэтому считаются универсальными агрегатами. Они подходят для сварки и резки чёрных, цветных металлов.
Полуавтоматика отличается тонким и ровным швом, практически не оставляет после себя следов. Плазморез востребован в промышленной сфере, годится для профессиональных работ. Резка металла происходит на высокой скорости. Допускаются различные типы заготовок.
Интересно! Плазморезы годятся для длинных разрезов, к примеру, бронзы либо алюминия.
Аппараты аргонно-дуговой сварки считаются более подходящими для цветных металлов. Обеспечивается значительная глубина проварки и практически нет ограничений. Модели точечной сварки также могут называться споттерами, применимы на металлообрабатывающих предприятиях. Точечные аппараты подходят для резки крупных изделий.
Аппараты аргонно-дуговой сваркиКак правильно использовать
Чтобы приступить к сварочным работам, необходимо подготовить установку.
Основные этапы:
- размещение инвертора,
- проверка заземления,
- уборка лишних предметов,
- подключение к электросети,
- подсоединение удлинителя,
- использование генераторов,
- установка сварочных кабелей,
- настройка.
Чтобы агрегат работал должным образом, с учётом выбранного металла, производится регулировка частоты напряжения.
Важно подобрать соответствующий электрод (минимальный диаметр 3 мм). Когда с подготовкой покончено, осуществляется розжиг дуги. Необходимо несколько раз стукнуть по металлу, важно контролировать положение электрода.
Совет! Во время сварки электрод передвигается вдоль линии разреза.
Действовать разрешается под прямым или небольшим углом (не более 60 градусов). В труднодоступных местах работают другие правила. Электродом разрешается сваривать углом вперёд либо назад. Надо контролировать уровень прогрева металла.
Схемы сварочного аппарата
При рассмотрении сварочного оборудования изучается электрическая и принципиальная схема. Если обратиться к понятиям, заметно, что они несут разные посылы. Учитывается информативность и модель построения. Электросхема представляет собой документ, который сообщает о важных частях оборудования. Основная задача — показать путь прохождения электрической энергии по оборудованию.
ЭлектросхемаКомпоненты взаимодействуют между собой и на схеме можно это проследить.
Используются специальные обозначения для каждого отдельного компонента. При составлении электрических схем учитывается структура, а также функциональность.
Важно! Все стандарты прописаны в ГОСТе 2.702-75.
Принципиальная схема также относится к электрическому типу, однако имеет другие задачи. Документ представляет собой чертеж, на котором также отображены компоненты агрегата. Разница заключается в том, что в принципиальной электрической схеме отображаются электромагнитные связи. По факту, они выглядят не такими детальными, как функциональные электрические схемы. Если посмотреть на чертеж, отображаются лишь основные узлы.
Принципиальная схемаЭлектрическая
Стандартная электрическая схема инверторного сварочного аппарата включает в себя мощные транзисторы с частотой 50 Герц. Они действуют в цепи постоянного тока. Подача энергии происходит на выпрямитель для обеспечения стабильного выходного напряжения.
Выпрямитель на схемеВажная информация! Чтобы частота не прыгала, используется диодный мост.
Элемент работает на пару с фильтрующим конденсатором.
Мосты отличаются по мощности и вырабатывают высокую температуру. С целью их охлаждения применяются вентиляторы, радиаторы. Для фильтрующих конденсаторов необходим предохранитель, который убережет компонент в случае замыкания цепи.
Замыкания цепиТакже на схеме обозначен электромагнитный фильтр, который отвечает за совместимость тока. Напряжение подаётся от выпрямителя, представленный блок отвечает за высокочастотные помехи. В случае с трансформаторами проблема является актуальной. Есть схемы аппарата, включающие два мощных транзистора, которые применяются с отдельными радиаторами.
Трансформатор установлен высокой частоты, он обеспечивает быстрое преобразование напряжения. Его коммутация происходит на обмотке, поэтому максимальное напряжение в устройствах подобного плана доходит до 340 вольт. Чтобы при большом напряжении создать низкий уровень тока, необходима первичная обмотка. У инверторов параметр составляет 120 ампер.
Интересно! Быстродействующие диоды, которые установлены с катодом, можно только предполагать о связи с выпрямителями.
По конструкции элементы просты, способны включаться по команде. Они отвечают за открытие и закрытие моста. Основная функция опять же связана с защитой агрегата. Сразу после подключения цепи к источнику питания по схеме задействуются конденсаторы. Они начинают заряжаться, уровень тока возрастает до максимума. Основная нагрузка подаётся на мосты, поэтому уровень заряда ограничивается.
Конденсаторы на схемеПринципиальная
Принципиальная схема выстроена таким образом, что напряжение идёт от выпрямителя к инвертору и подается на трансформатор. Далее ток проходит через вторичный выпрямитель, выходит через дроссель непосредственно к электроду.
Вторичный выпрямительПлюс ко всему, от вторичного выпрямителя ток поступает по принципиальной схеме на блок обратной связи. Он взаимосвязан с блоком управления.
От блока обратной связи сигнал может поступить непосредственно на инвертор.
Выше рассмотрена электрическая, принципиальная схема сварочного инвертора. Изучен принцип работы, особенности моделей. При оценке агрегатов учитываются технические характеристики, достоинства, недостатки, назначение и сфера использования.
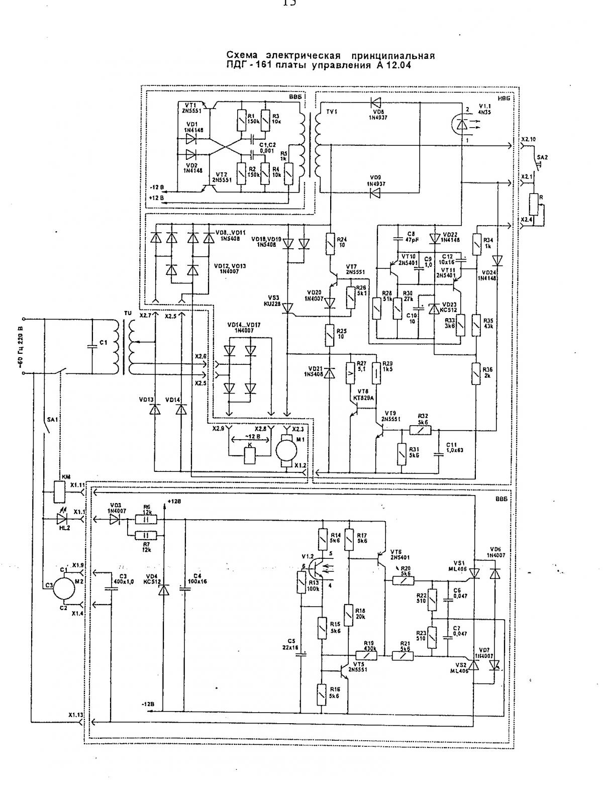
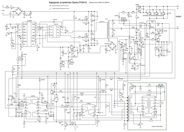
Схема инверторного сварочного аппарата Микроша 160 и 180
Описание работы схемы электрической принципиальной сварочных инверторных аппаратов
_ «МИКРОША»
При включении в сеть замыкаются 2 группы контактов выключателя S1. При этом S1.1 подключает напряжение питания к диодному мосту сетевого выпрямителя через конденсатор С7. На частоте 50 Гц конденсатор имеет реактивное сопротивление несколько сотен Ом, что позволяет обеспечить плавную зарядку электролитических конденсаторов сетевого фильтра.
Цепь S1.2 включает цепь питания реле. По мере зарядки конденсаторов цепи +300В, заряжается и конденсатор временной задержки С13 через резисторы R44, R45, R50. При достижении напряжения на нем уровня +2,5В управляемый стабилитрон VD15 открывается, реле К1 срабатывает, шунтируя своими контактами С7.
При неисправности в высоковольтной цепи +300В ( транзисторы, либо эл. конденсаторы- утечка ), VD15 не откроется, напряжение +15В будет присутствовать на его катоде и резисторе R25, транзистор VT1 откроется, шунтируя терморезистор R4, что вызовет срабатывание компаратора на ОУ2 «ПЕРЕГРЕВ, АВАРИЯ» и блокировку ШИМ контроллера.
Блок питания +15В построен на ТОР258GN. Представляет собой DC-DC преобразователь без гальванической развязки. Сумма напряжений стабилитронов VD5 и внутреннего стабилитрона микросхемы 5,6В задает величину выходного напряжения ( 5,6+9,1=14,7В ). Параллельно внутреннему установлен защитный стабилитрон VD6. Кроме того VD16 защищает цепь питания от непредвиденных ситуаций и при превышении уровня напряжения вызывает срабатывание защиты микросхемы по току.![]()
КОМПАРАТОРЫ ЗАЩИТ
М/сх IC2 — LM224D : ОУ2 выв.5,6,7 – на вывод 5 подается опорное напряжение 2,3В с делителя R5, R6. На инвертирующий вход 6 – с делителя R3, R4. При нагреве радиатора диодов сопротивление терморезистора уменьшается с ростом температуры. Когда величина напряжения этого делителя уменьшается до уровня опорного, на выводе 7 появляется высокий уровень напряжения, которое через резистор R39 поступает на светодиод «ПЕРЕГРЕВ» и на аналоговый вход PIC контроллера (1). Через R37 это же напряжение поступает на сумматор аварийных сигналов –ОУ3 (выв.8,9,10), с выхода 10 блокируя работу ШИМ контроллера через транзистор VT6. Так же к ОУ2 (выв.5,6,7) подключены транзисторы VT1, VT2. Первый открывается при аварии в цепи +300В, второй открывается сигналом PIC контроллера при низком/высоком напряжении питания, что вызывает ту же реакцию, что и нагрев терморезистора. Компаратор ОУ2(5,6,7) обладает гистерезисом, смещая температурный порог обратного включения через R24, VD7.
ОУ1 выв. 1,2,3 – мониторит напряжение +15В. Опорное — R22, VD8, измеряемое – R20, R21. При включении аппарата, при достижении уровня питания +13,5В на выв.1 появляется лог.0. При снижении напряжения менее 11,5В – лог.1, поступающая на сумматор ОУ3 (5,6,7), запрещая подачу питания на ШИМ контроллер IC4. Гистерезис обеспечивается цепью R34, VD17. Данная защита необходима транзисторам инвертора. При снижении амплитуды импульсов управления менее 10В возможен переход силовых транзисторов в линейный режим с большими потерями и как следствие – выход из строя с разрушением кристалла.
ОУ3 выв. 5,6,7 – компаратор-сумматор. При появлении на входе 10 хотя бы одного сигнала: а) с термодатчика №1 через R37, б) с компаратора питания через R35, в) с термодатчика №2 через R40, вызывает появление напряжения высокого уровня на выводе 8, которое запирает транзистор VT6, блокируя подачу питания ШИМ контроллера.
Работа термодатчика №2 на IC3 ничем не отличается от описанного ранее №1.
Он устанавливается на аппараты с ферритовыми сердечниками и настроен на температуру срабатывания по перегреву феррита 95-100 С. На модификациях с нанокристаллическими сердечниками он отсутствует.
ОУ4 выв. 12,13,14 – усилитель ошибки. Сигнал с трансформатора тока TV1 выпрямляется диодным мостом VD11-VD14, интегрируется цепью R23, C12 и через резистор R38 подается на инвертирующий вход 13 ОУ. На его неинвертирующий вход приходит напряжение задания величиной от 0В до +5В с резистора регулировки тока сварки R88. Величина проинтегрированного напряжения с ТТ имеет аналогичный порядок. Напряжение управления с вывода 14 IC2 через делитель/интегратор R54, R63, C24 поступает на вывод 2 IC4 ШИМ контроллера для регулировки тока по среднему значению. R32, C14 – цепь коррекции.
IC4 – SG2525AP – двухтактный ШИМ контроллер. Рабочая частота для ферритовых сердечников в моделях 160, 180 – 60 кГц.
Для нанокристаллических – 42 кГц. Для моделей 200 и 220 – 42 кГц для любых сердечников. Стандартное включение. Цепи коррекции. Выходные сигналы усиливаются транзисторными сборками IC5, IC6 для раскачки трансформатора гальванической развязки ( ТГР ). На выходах ТГР – предусилители-корректоры (драйвера) выполнены по схеме с отрицательным смещением в паузе. На затворы силовых транзисторов подается сигнал, имеющий в импульсе амплитуду +15В, в паузе -2,7В. Отрицательное смещение необходимо для защиты от приоткрывания транзистора противоположного плеча от случайных наводок и флюктуаций.
Силовая часть – полумостовой квазирезонансный преобразователь. Частота коммутации выше резонансной частоты, образованной контуром С44, 45, 46, 47, 50, 51 совместно с индуктивностью рассеяния трансформатора, в связи с чем форма вершины импульса тока имеет несколько колоколообразный, закругленный вид и ток выключения транзистора не превышает его тока включения, не взирая на отсутствие выходного дросселя.
Силовой трансформатор имеет соотношение витков 14/6=2,33 что позволяет работать при низком напряжении в электросети. Для 200-220 модификаций с ферритовыми сердечниками 16/7=2,28, с нанокристаллическими – 11/5=2,2.
Защита от приваривания электрода. При наличии дуги на выходе – напряжение на С49 всегда будет более 18В. Оптрон ОС3 открыт. Напряжение задания с R88 поступает на усилитель ошибки IC2 (выв.12). При КЗ на выходе С49 разряжается через R114,115,116 в течении 0,5-0,8 сек. Далее оптрон закрывается и напряжение задания падает до минимально возможного значения.
Регулировка тока и форсажа производится переменными резисторами R88, R91. При горящей дуге выходное напряжение составляет не менее 18В. При дуговой сварке покрытым электродом дуга при меньшем значении напряжения существует кратковременно и стремится потухнуть. Выходное напряжение интегрируется цепью R96, R97, R111, C65. При его штатном значении стабилитрон VD34 открыт, транзистор оптрона ОС2 так же открыт, шунтируя переменный резистор «форсаж».
При значениях выходного напряжения, стремящихся к КЗ, т.е. менее 18В, стабилитрон закрывается, транзистор оптрона так же закрывается и резистор R91 подключается в цепь задания тока, увеличивая его на заданную величину. Это же значение поступает на второй аналоговый вход процессора – выв. 3 платы индикации. Контроллер индицирует изменяющиеся значения тока уставки.
Ограничение выходной мощности осуществляется оптроном ОС1. Вызвано необходимостью снижения выходной и потребляемой мощности при значительном, нештатном растягивании дуги, либо при тестировании оборудования с помощью балластного реостата на большом, не соответствующем ГОСТ значении сопротивления нагрузки. Т.к. аппараты имеют большой запас по Ктр силового трансформатора и соответственно по возможности ШИМ регулирования, то могут тянуть дугу, например модели 200 и 220 до 40В при 200А. Это вызывает перегрузку диодных мостов, эл. конденсаторов и т.д. Делитель R87, R89 подобран таким образом, что для моделей 160, 180 ограничение начинается при превышении напряжением значения 27,5В, для 200, 220 – 30В.
При достижении этих значений, открывается управляемый стабилитрон VD26, транзистор оптрона ОС1 открывается, подключая делитель R66, R67 к напряжению задания. Ток уменьшается.
Измерение напряжения электросети . По цепи делителя VD39, C37, R95, R101, R102, через LC фильтр L2, C55 измеряемое напряжение подается на выв.2 платы индикации и поступает на первый аналоговый вход контроллера PIC18F14K22. Процессор периодически выводит значение напряжения на индикатор, сменяя значение тока уставки.
Плата индикации. Программа прошивается и проверяется до установки в основную плату. Задействованы оба АЦП и один цифровой вход процессора. При поступлении сигнала «ПЕРЕГРЕВ», либо значения напряжения сети менее 85 и более 255 вольт, выдается сигнал блокировки работы с вывода 7 платы, который поступает через резистор R49 на базу транзистора VT2, вызывая по цепям ОУ блокировку ШИМ контроллера. Возможна только калибровка по напряжению сети. Для этого необходимо при выключенном аппарате замкнуть «джампером»(перемычкой) двухштыревой разъем на плате индикации.
Установить с ЛАТРа сетевое напряжение 220 вольт. Включить аппарат. При этом на индикатор будет выводиться мигающее значение 220. Контроллер измеряет, усредняет и запоминает это напряжение, как эталонное, в течение некоторого времени. Для ранних моделей – 30 сек, для более поздних – 10 сек. Затем значение цифр сменяется на мигающие 100. Необходимо уменьшить напряжение питания с ЛАТРа до величины 100 вольт, затем снять «джампер». После этого процессор начнет запоминать эталонный уровень 100 вольт. По окончании «мигания» необходимо выключить аппарат. После повторного включения снизить напряжение сети до 85 вольт. Должна сработать блокировка, засветится светодиод «перегрев» и на более поздних моделях на семисегментном цифровом индикаторе бегущей строкой появится сообщение «НАПР. СЛАБОЕ» и мигающие цифры 85. Проверить обратное включение при напряжении 90 вольт. Аналогично протестировать аппарат при напряжении 255В – блокировка и появление надписи «НАПР.
ОГО-ГО», «255». При 250В – снятие блокировки. Далее замкнуть любой терморезистор проволочной перемычкой. Блокировка и появление надписи «ПЕРЕГРЕВ 100 С». Лексическая бедность сообщений вызвана невозможностью отображения на цифровом индикаторе большинства букв русского алфавита.
РЕМОНТ
При проверке работы схемы управления от блока питания, без подачи высокого напряжения, подать +15В в схему, подпаявшись, например к VD16. Предварительно необходимо заблокировать защиту от пониженного напряжения электросети, для чего замкнуть проволочной перемычкой резистор R26.
При проверке моделей 200, 220 необходимо подать напряжение +27В, подпаявшись к местам пайки выводов вентиляторов.
Проверить осциллографом наличие импульсов +15, -3В на затворах транзисторов FGh50N60SMD.
ВНИМАНИЕ ! Нельзя менять местами провода, идущие с сетевого выключателя S1.1, S1.2. Одна группа контактов коммутирует напряжение сети.
Другая, напряжение питания реле. При попадании напряжения сети в цепь питания реле, как минимум придется заменить VD15, VD16. На ранних моделях применялся выключатель большего размера для коммутации полного тока, потребляемого от сети. Данные выключатели показали свою крайнюю ненадежность, в связи с чем и была произведена модернизация с изменением цепей коммутации.
НЕИСПРАВНОСТИ
1. Ток не регулируется. На индикаторе значение 00. Поломка переменного резистора регулировки в результате фронтального удара. Заменить резистор 10 кОм .
В моделях выпуска с февраля 2015 г. резисторы заменены на другие, с дополнительным креплением к плате. Печатная плата изменена. Крышка корпуса удлинена на 5 мм для дополнительной защиты регуляторов.
2. Вращение регулятора «ФОРСАЖ» изменяет значение тока. Ток при попытке сварки минимален, сварка невозможна. Повышенное напряжение холостого хода +95_+115В. Причина — отсутствует контакт выхода + с диодом VD37.
Осуществляется через заклепку на радиатор крепления диодов VD35, VD36. Устранение неисправности — припаять провод к диоду VD37, другой конец к выходной клемме +. На последних моделях провод добавлен штатно, дублируя контакт через заклепку.
Аналогично проверить контакт минусового провода на оптроны ОС2, ОС3.
3. Блок питания делает попытки запуска и уходит в защиту. Либо при напряжении от ЛАТР 80 – 230 В запускается штатно, а при подаче напряжения сети 230-250В начинает «икать» или запускается, а через некоторое время снова уходит в защиту. Причина – повышенное потребление тока схемой управления. Разрядив сетевые электролиты, подать напряжение от лабораторного блока питания, зашунтировав R26. Проверить осциллограммы на затворах. Проверить потребление тока от лабораторного БП. Оно не должно превышать величину 1 ампер. При повышенном потреблении тока отпаять выводы вентиляторов. Проверить потребление тока каждым вентилятором в отдельности.
В аппарат устанавливались вентиляторы с током потребления 0,2 и 0,3 ампера. Либо оба 0,2А, либо задний 0,3 а передний вентилятор 0,2А. Если обнаружено, что в результате ошибки и пересортицы производителя установлены оба вентилятора с током 0,3А, то необходимо последовательно со вторым припаять резистор мощностью 1-2Вт сопротивлением 24-27 Ом. Мощность и потребление тока вентилятором снизится и м/сх TOP258GN перестанет уходить в защиту. Изменить порог защиты по току в данной м/сх невозможно.
4. Выход из строя силовых транзисторов в результате попадания влаги, грязи и т.д. пояснений для опытных мастеров не требует. Замена сложности не представляет. Необходимо зачистить от лака радиатор по краю места посадки транзисторов. Проверить исправность стабилитронов в драйверах, затворных резисторов. Подать питание от БП, как описано ранее и проверить осциллограммы.
5. Выход из строя диодного моста GBPC3508W. Аппарат молчит. Все напряжение сети приложено к конденсатору С7.
Его реактивное сопротивление позволяет аппарату находиться в таком положении сколь угодно долго. Прозвонить мост. Заменить. Если перегрев произошел по причине повреждения заднего вентилятора – заменить вентилятор.
6. Постоянно светится «ПЕРЕГРЕВ». Пробой конденсатора С5 из-за наводок. Прозвонить Заменить на 0,1 мкфх100В размер СМД 1206, либо выводной.
7. Индикатор мигает, отображаемые цифры «999» — Сбой памяти контроллера. Необходимо перекалибровать по напряжению сети, как описано выше, в описании платы индикации.
Принцип работы схемы аппаратов 200 и 220 ампер аналогичен. Нумерация компонентов сохранена.
С уважением, инженер-конструктор
Малик Э. В.
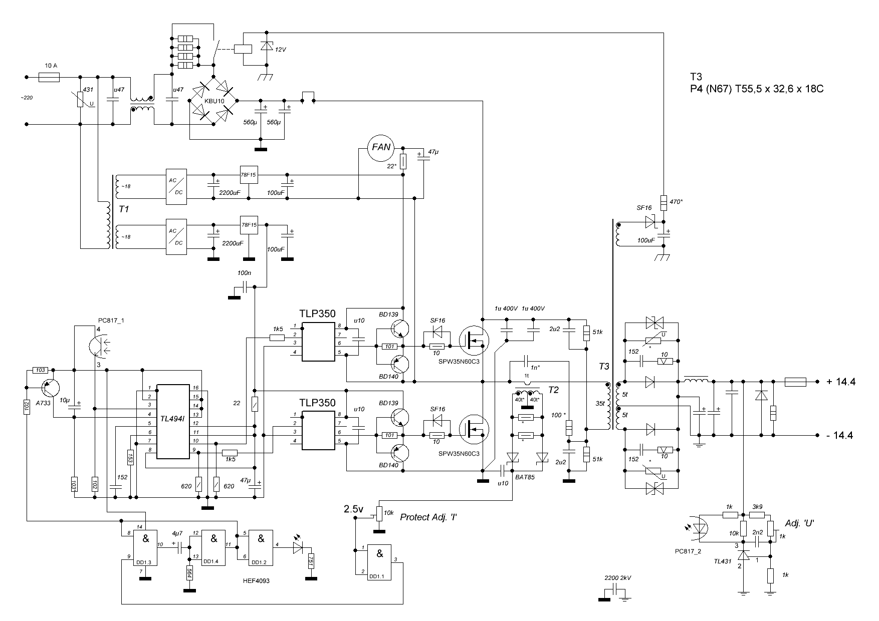
Сварочный инвертор Ресанта САИ 250
Сварочный инвертор «Ресанта-250» является наиболее мощным среди представленных в линейке аналогичных аппаратов производителя. Однако, компактность и малый вес инвертора позволяют с легкостью перемещать последний по всему фронту работ, а также транспортировать его к месту назначения.Внешний вид сварочного инвертора Ресанта-250
Из технических особенностей сварочного инвертора «Ресанта-250» стоит отметить:
— рабочее напряжение составляет 220 В, что позволяет подключать его к обычной однофазной бытовой сети;
— максимальный потребляемый ток составляет всего 35А;
— напряжение холостого хода — 80 Вольт;
— напряжение дуги — 29 Вольт;
— диапазон регулировки сварочного тока составляет от 10 до 250 Ампер, что позволяет вести сварочные работы штучными электродами различного диаметра, в зависимости от свариваемого материала;
— максимальный диаметр электрода — 6мм.
Электрическая принципиальная схема сварочного инвертора Ресанта-250
Сварочный инвертор «Ресанта-250» выполнен в классическом металлическом корпусе и имеет на передней панели ряд индикаторов и регулировочных рукояток, а также рабочие разъемы. К ним относятся:
— индикатор «сеть»;
— индикатор «перегрев»;
— регулировка величины тока;
— силовые разъемы подключения сварочных кабелей.
Поскольку при выполнении сварочных работ, несмотря на инверторное исполнение агрегата выделяется значительное количество тепла, «Росанта-250» оснащается вентилятором принудительного охлаждения, решетка которого видна при внешнем осмотре изделия.
Принцип работы сварочного инвертора «Ресанта-250» не отличается от однотипных аппаратов сторонних производителей. Поступающее переменное напряжение бытовой электрической сети 220В преобразуется сначала до постоянного величиной 400В, которое в дальнейшем меняется на высокочастотное модулированное напряжение. Далее в работу вступает понижающий трансформатор, который понижает преобразованное напряжение до рабочего.
Для повышения качества работы, а также получения большего комфорта во время проведения сварочных работ, сварочный инвертор «Ресанта-250» оснащается функциями «Anti Stick» и «Hot Start».
Функция «Anti stick» (антизалипание), как видно из названия, предотвращает прилипание электрода к поверхности свариваемых материалов.
То есть, во время поджига дуги происходит автоматическое снижение сварочного тока, которое моментально восстанавливается после отрыва электрода. А для того, чтобы получить сразу же, после начала сварки, красивый и прочный шов, в аппарате реализована функция «Hot Start» (горячий старт). При этом, в момент поджига дуги, происходит кратковременное повышение сварочного тока, которое сразу же снижается до нормального, требуемого состояния.
При работе со сварочным инвертором «Ресанта-250» необходимо соблюдать меры безопасности. Так, поскольку аппарат выполнен в металлическом корпусе, категорически запрещается использовать последний при повышенной влажности.
Попадающие внутрь стружки и металлическая пыль способны вывести из строя электронную часть, либо даже привести к замыканию. Поэтому использование «болгарок» и аналогичного инструмента вблизи сварочного инвертора запрещается. И, конечно, необходимо следить за состоянием силовых и питающего провода. Видео обзор сварочного инертора «Ресанта-250»:
youtube.com/embed/x9YKB6SrsVA?rel=1&wmode=transparent» frameborder=»0″ allowfullscreen=»»>
Кроме статьи «Сварочный инвертор Ресанта САИ 250» смотрите также:
Электрические схемы и схемы — инструментальные средства
Для чтения и интерпретации электрических схем и схем необходимо понимать основные символы и условные обозначения, используемые на чертеже. В этой статье основное внимание уделяется тому, как электрические компоненты представлены на схемах и схемах.
Символика
Чтобы читать и интерпретировать электрические схемы и схемы, читатель должен сначала хорошо разбираться в том, что представляют собой многие символы. В этой главе обсуждаются общие символы, используемые для обозначения многих компонентов электрических систем.После усвоения эти знания должны позволить читателю успешно понять большинство электрических схем и схем.
Следующая информация предоставляет подробные сведения об основных символах, используемых для обозначения компонентов в схемах и схемах электрической передачи, коммутации, управления и защиты.
Рисунок 1 Основные символы трансформатора
Трансформаторы
Основные символы для различных типов трансформаторов показаны на Рисунке 1 (A).На рис. 1 (B) показано, как изменяется основной символ трансформатора для обозначения конкретных типов и применений трансформатора.
Помимо самого символа трансформатора, иногда используются метки полярности для обозначения протекания тока в цепи. Эта информация может использоваться для определения фазового соотношения (полярности) между входными и выходными клеммами трансформатора. Метки обычно отображаются в виде точек на символе трансформатора, как показано на Рисунке 2.
Рисунок 2 Полярность трансформатора
На первичной стороне трансформатора точка указывает ток на входе; на вторичной стороне точка указывает текущий выход.
Если в данный момент ток течет в трансформатор на точечном конце первичной катушки, он будет выходить из трансформатора на отмеченном точками конце вторичной катушки.
Ток, протекающий через трансформатор с использованием точечных символов, показан на рисунке 2.
Переключатели
На рисунке 3 показаны наиболее распространенные типы переключателей и их символы. Термин «полюс», используемый для описания переключателей на рисунке 3, относится к количеству точек, в которых ток может поступать на переключатель.
Показаны однополюсные и двухполюсные переключатели, но переключатель может иметь столько полюсов, сколько требуется для выполнения своей функции. Термин «бросок», используемый на рисунке 3, относится к количеству цепей, которые каждый полюс переключателя может замкнуть или контролировать.
Рисунок 3 Переключатели и символы переключателей
На рисунке 4 представлены общие символы, которые используются для обозначения автоматических переключателей, и поясняется, как символ указывает состояние переключателя или срабатывание.
Рисунок 4 Коммутатор и символы состояния коммутатора
Предохранители и выключатели
На рис.
5 показаны основные символы предохранителей и автоматических выключателей для однофазных систем.
Помимо графического символа, на большинстве чертежей рядом с символом также указан номинал предохранителя. Рейтинг обычно выражается в амперах.
Рисунок 5 Обозначения предохранителей и автоматических выключателей
Когда в трехфазных системах используются предохранители, прерыватели или переключатели, трехфазный символ объединяет однофазный символ в трех экземплярах, как показано на рисунке 6.
Также показан символ съемного выключателя, который представляет собой стандартный символ выключателя, помещенный между набором шевронов.Шевроны представляют собой точку, в которой выключатель отключается от цепи при удалении.
Рисунок 6 Обозначения трехфазного и съемного выключателя
Реле, контакты, соединители, линии, резисторы и прочие электрические компоненты
На рисунке 7 показаны общие символы для реле, контактов, разъемов, линий, резисторов и других различных электрических компонентов.![]()
Рисунок 7 Общие символы электрических компонентов
Крупные компоненты
Символы на рисунке 8 используются для обозначения более крупных компонентов, которые можно найти на электрической схеме или схеме.Детали, используемые для этих символов, будут отличаться при использовании в системных диаграммах.
Обычно количество деталей отражает относительную важность компонента для конкретной диаграммы.
Рисунок 8 Крупные общие электрические компоненты
Типы электрических схем и схем
Есть три способа показать электрические цепи. Это электрические схемы, схемы и графические схемы. Два наиболее часто используемых — это электрическая схема и принципиальная схема.
Использование этих двух типов диаграмм сравнивается в таблице 1.
Графическая диаграмма обычно не используется в инженерных приложениях по причинам, указанным в следующем примере. На рисунке 9 показан простой пример сравнения схематической диаграммы с графическим эквивалентом.
Как можно видеть, графическая версия не так полезна, как схема, особенно если вы пытались получить достаточно информации для ремонта схемы или определения ее работы.
Рисунок 9 Сравнение электрической схемы и графической схемы
На рис. 10 показан пример взаимосвязи между принципиальной схемой (рис. 10А) и схемой подключения (рис. 10В) для установки осушения воздуха. Более сложный пример, электрическая схема автомобиля, показан в формате электрической схемы на рисунке 11 и в схематическом формате на рисунке 12.
Обратите внимание, что на схеме подключения (Рисунок 11) используются как графические изображения, так и схематические символы.На схеме (рис. 12) отсутствуют все графические изображения, а электрическая система изображена только в виде символов.
Рисунок 10 Сравнение электрической схемы и схемы подключения
Рисунок 11 Схема электрических соединений автомобиля
Рисунок 12 Схема электрической цепи автомобиля
При работе с большой системой распределения электроэнергии используется особый тип схематической диаграммы, называемый отдельной электрической линией, для отображения всей или части системы.
На диаграммах этого типа показаны основные источники питания, выключатели, нагрузки и защитные устройства, что дает полезный общий вид потока мощности в большой системе распределения электроэнергии.
На одиночных линиях распределения электроэнергии, даже если это трехфазная система, каждая нагрузка обычно представлена только простым кружком с описанием нагрузки и ее номинальной мощностью (потребляемой мощностью). Если не указано иное, обычно используются киловатты (кВт). На Рисунке 13 показана часть системы распределения электроэнергии на атомной электростанции.
Рисунок 13 Пример однолинейного электрического подключения
Схема электрических соединенийLexus 2004-2018 ».
Lexus 2004-2018, г.
: 2004 -> 2018
: Toyota Motor Europe
: HTML, SVG, PDF
:
:
:
/ / /
CT200h / ZWA10 / 2ZR-FXE, 5ZR-FXE / EM1723E, EM25K4E , EM25K6E
ES200 / ASV61 / 6AR-FSE / EM2822E
ES200 / ASZ10L / 6AR-FSE / EM35B0E
ES240 / ACV40 / 2AZ-FE / EM01Z6E
ES250 / ASV60 / 2AR-FE / EM22h3E, ES210AR, ES210AR
, ES21022E / A25A-FKS / EM35B0E
ES260 / AXZA10L / A25A-FKS / EM35B0E
ES300h / AVV60 / 2AR-FXE / EM22F5E
ES300h / AXZh20L, AXZh20R / A25A-EM40 / EM35B0E
ES300h / EM35B0E
/ GSV60 / 2GR-FE / EM22h3E, EM2822E
ES350 / GSZ10L / 2GR-FKS / EM35B0E
GS F / URL10L, URL10R / 2UR-GSE / EM32U3E
GS200t / ARL10 / 8AR-FTS / EM2772ERL, EM2773E 9013ERL, EM2773E 9013E 4GR-FSE / EM2012E, EM2772E, EM2773E
GS300 / ARL10 / 8AR-FTS / EM2772E, EM2773E
GS300 / GRS190 / 3GR-FE, 3GR-FSE / EM03A3E
GS300h / AWL10 / 2AR-FSE / EM2082E, EM2792E, EM2793E
GS350 / GRL10, GRL12, GRL15, GRL16 / 2GR-FSE, 2GR-FKS / EM2772E, EM2773E
GS350 / GRL10, GRL15 / 2GR-FSE / EM2012E
GS350 / GRS196 / 2GR350 / GRS196 / 2GR
GS430 / UZS190 / 3UZ-FE / EM03A3E
GS450h / GWL10 / 2GR-FXE / EM2082E, EM2792E, EM2793E
GS460 / URS190 / 1UR-FE, 1UR-FSE / EM03A3E
FE14L400 / GRJE
FE14L400 / GRJE
GX460 / URJ150L / 1UR-FE / EM14KAE, EM14KBE
IS200d / ALE20 / 2AD-FTV / EM015BE
IS200t / ASE30L, ASE30R / 8AR-FTS / EM30H5E, EM30H6E
IS220d / IS220d / ALE20VE
/ GS220d / ALE20VE / 4GR-FSE / EM015BE
IS250 / GSE30L, GSE30R / 4GR-FSE / EM30H5E, EM30H6E
IS250C / GSE20 / 4GR-FSE / EM13B4E
IS300 / ASE30L, ASE30R / 8AR-FTS / EM306 GSE90, ASE30R / 8AR-FTS / EM306H5E -FE / EM015BE
IS300C / GSE22 / 3GR-FE / EM13B4E
IS300h / AVE30L, AVE30R / 2AR-FSE / EM30K5E, EM30K6E
IS350 / GSE21 / 2GR-FSE / EM015BE
IS350 / GSE31L, 2GR-GSE31L, 2 2GR-FSE / EM30H5E, EM30H6E
LC500 / URZ100L, URZ100R / 2UR-GSE / EM33R0E, EM33R1E
LC500h / GWZ100L, GWZ100R / 8GR-FXS / EM33N1E, EM33N2E
LS350 / GSF50
EM33N2E
LS350 / GSF50 LS460 / USF40, USF45 / 1UR-FE, 1UR-FSE / EM17Z0E, EM2462E, EM2731E
LS460L / USF41, USF46 / 1UR-FE, 1UR-FSE / EM17Z0E, EM2462E, EM2731E
LS500 / VXFA50L, VXFA50L, VXFA50R FTS / EM34G1E, EM34G2E
LS500h / GVF50L, GVF50R, GVF55L, GVF55R / 8GR-FXS / EM34K0E, EM34K1E
LS600h / UVF45 / 2UR-FSE / EM05B5E, EM2472E / EM24624LUR-2, EM2472E / EM24624LUR-2, EM2472E / EM24624LUR 2 EM2751E
LX450d / VDJ201 / 1VD-FTV / EM27C2E, EM27C4E
LX460 / URJ202 / 1UR-FE / EM08G5E, EM2452E, EM27C2E, EM27C4E
LX570 / EMC2E / FE271024 / 3URG-EMC570 / URJ201242 / 3URG-
ZGZ15L / 3ZR-FAE / EM31K4E
NX200t / AGZ10L, AGZ10R, AGZ15L, AGZ15R / 8AR-FTS / EM31K4E
NX300 / AGZ10L, AGZ10R, AGZ15L, AGZ15R / 8AR-FTS / EM531K4E
10L, AYZ10R, AYZ15L, AYZ15R / 2AR-FXE / EM31A5E
RC F / USC10L, USC10R / 2UR-GSE / EM31G4E
RC200t / ASC10L, ASC10R / 8AR-FTS / EM31D5E, EM31D610 / ASCR300, EM31D610
/ EM31D5E, EM31D6E
RC300h / AVC10L, AVC10R / 2AR-FSE / EM3334E, EM3335E
RC350 / GSC10L, GSC10R / 2GR-FKS, 2GR-FSE / EM31D5E, EM31D6E
RX200t / AGL20L, EM31D6E
RX200t / AGL20L, AGL25TS / EM32X3E, EM32X4E
RX270 / AGL10 / 1AR-FE / EM2262E
RX300 / AGL20L, AGL20R, AGL25L, AGL25R / 8AR-FTS / EM32X3E, EM32X4E
RX350 / GGL15 / 2GR-FE / EM20350E, GGL15 / 2GR-FE / EM202262E , GGL25R / 2GR-FKS / EM32X3E, EM32X4E
RX350L / GGL26L, GGL26R / 2GR-FKS / EM32X3E, EM32X4E
RX450h / GYL10, GYL15 / 2GR-FXE / EM2272E
YL RX450H, GGR-FXE / EM2272E
YL RX450H, GGRYL32 / EM2272E
YL RX450H
RX450hL / GYL26L, GYL26R / 2GR-FXS / EM32Z3E, EM32Z4E
.
: .. — java, AutoIt.
:
1. td3ewd.7z td3ewd.7z. (11)
2. server.exe (80, server.ini)
3. http://127.0.0.1 (http://127.0.0.1 🙂
frspc.cmd. (3.8)
— lzx.
!: NTFS. ,.
«Схема электрических соединений Lexus 2004-2018»
Схема компьютерных комплектующих для ПК AT и ATX
Схема компьютерных комплектующих для ПК AT и ATX Схема компьютерных комплектующих для ПК AT и ATX
На этой странице я собрал схемы коммутационных блоков для компьютеров (SMPS) ATX v 1.0, ATX v 2.0 и некоторые AT, которые я нашел в Интернете.
Я не автор. Автор отмечается обычно прямо на схеме.
Схема питания полумоста ATX (AT) на TL494, KA7500
ИС TL494 и KA7500 эквивалентны. Буквы 494 могут отличаться. В этих источниках используются биполярные переходные транзисторы (BJT) типа NPN.
Схема питания полумоста ATX PC с SG6105.
Схема коммутационных блоков ATX с SG6105.
В этих источниках используются биполярные переходные транзисторы (BJT) типа NPN.
Схема блоков питания полумостовых ATX для ПК с KA3511
Поставляет ATX с интегральной схемой KA3511.
В этих источниках используются биполярные переходные транзисторы (BJT) типа NPN.
Схема блоков питания полумостовых ATX для ПК с DR B2003
ИИП ATX для ПК с DR B2003, помеченный как 2003.В этих источниках используются биполярные переходные транзисторы (BJT) типа NPN.
Схемы других комплектующих полумостовых компьютеров.
Коммутационные блоки ATX с DR B2002 (с маркировкой 2002), AT2005 (2005) и их эквивалентами LPG899 и WT7520.
В этих источниках используются биполярные переходные транзисторы (BJT) типа NPN.
Схемы питания ATX прямой топологии с UC3842, 3843, 3844, 3845 и др.
Поставляет ATX с использованием прямой топологии с одним или двумя коммутаторами (полууправляемый мост).
Транзисторы — это полевые МОП-транзисторы.
Управляющие ИС — это UC3842, 3843, 3844, 3845 или другие ИС, которые представляют собой комбинацию для источника питания и активного управления PFC.
как ML4824, FAN480X и ML4800.
| DPS-260-2A, ML4824, акт. PFC | ATX — два переключателя вперед, PFC | два переключателя вперед + PFC, FAN480X | два переключателя вперед + PFC с ML4800 |
| неполный IP-P350AJ2-0, UC3843, 350W | UTIEK ATX12V-13 600T, UC3843 | ATX CWT PUh500W два переключателя вперед, UC3845 | Sunny technologies co. ATX230, 230 Вт, один переключатель, UC3843 |
| ATX с PTP-2068, одиночный коммутатор, UC3843 | ATX 350T — 350 Вт, UC3842 | Солнечные технологии ATX-230 2SK2545, UC3843 | ATX с STW12NK90Z, UC3843 |
| API3PCD2-Y01, два переключателя вперед, пропущенные значения |
дом
Электрические символы для электрических схем
Часть 1: электрические и электронные символы
Электрические символы фактически представляют компоненты электрических и электронных схем.В этой статье показаны многие из часто используемых электрических символов для построения электрических схем.
Хотя эти стандартные символы упрощены, описание функций поможет вам понять.
Ниже перечислены наиболее часто используемые электрические и электронные символы, которые помогут вам быстро начать работу.
| Имя | Электрический символ | Альтернативный символ | Описание |
| земля / земля | Этот символ обозначает клемму заземления, используемую для точки отсчета нулевого потенциала и защиты от поражения электрическим током. | ||
| эквипотенциальный | Это символ, обозначающий детали с одинаковым напряжением (т. Е. С одинаковым электрическим потенциалом или равным потенциалом). Поскольку все эквипотенциальные поверхности имеют одинаковое напряжение, вы не будете шокированы, если коснетесь двух таких поверхностей, если вы также не коснетесь другой части с потенциалом, отличным от первых двух частей.![]() | ||
| заземление | Это связующее звено между различными металлическими частями машины, обеспечивающее электрическое соединение между ними. Его не следует рассматривать как связь с землей. | ||
| аккумулятор | Это устройство, которое состоит из одной или нескольких электрохимических ячеек с внешними соединениями для питания электрических устройств и генерирует постоянное напряжение. | ||
| резистор | Это электрический компонент, который снижает электрический ток, например, для ограничения тока, проходящего через светодиод. В цепи синхронизации используется резистор с конденсатором. | ||
| аттенюатор | Это электронное устройство, которое снижает мощность сигнала, значительно искажая его форму волны, что является противоположностью усилителя. | ||
| конденсатор | Это устройство с двумя выводами, которое накапливает электрическую энергию. Эффект конденсатора известен как емкость. Его также можно использовать в качестве фильтра для блокировки сигналов постоянного тока, но пропускания сигналов переменного тока. | ||
| аккумулятор | Это устройство для хранения энергии, которое принимает, накапливает и выделяет энергию, повышая или сбрасывая давление в системе. | ||
| антенна | Антенна, также известная как антенна, представляет собой устройство, предназначенное для передачи или приема электромагнитных (например, теле- или радиоволн). | ||
| рамочная антенна | Рамочная антенна — это радиоантенна, состоящая из петли (или петель) из провода, трубки или других электрических проводников, концы которых соединены с симметричной линией передачи. | ||
| кристалл | Кварцевый генератор использует механический резонанс вибрирующего кристалла пьезоэлектрического материала для создания электрического сигнала с точной частотой.![]() | ||
| автоматический выключатель | Автоматический выключатель — это автоматический выключатель, предназначенный для защиты электрической цепи от повреждений, вызванных перегрузкой или коротким замыканием. | ||
| предохранитель | Предохранитель — это устройство электробезопасности, которое обеспечивает защиту электрической цепи от перегрузки по току. | ||
| идеальный источник | Идеальный источник напряжения — это устройство с двумя выводами, которое поддерживает фиксированное падение напряжения на своих выводах.Он часто используется в упрощенном процессе анализа реальной электрической цепи. | ||
| общий компонент | |||
| преобразователь | Преобразователь — это устройство, преобразующее энергию из одной формы в другую. Обычно преобразователь преобразует сигнал одного типа мощности в сигнал другого типа. | ||
| катушка индуктивности | Катушка с проволокой создает магнитное поле, когда через нее проходит ток. Внутри катушки может быть железный сердечник. Его можно использовать как преобразователь, преобразующий электрическую энергию в механическую, если потянуть за что-нибудь. Это пассивный двухконтактный электрический компонент, используемый для хранения энергии в магнитном поле. | ||
| половина индуктора | |||
| пикап | |||
| пульс | |||
| зуб пилы | |||
| ступенчатая функция | |||
| пиропатрон | Взрывной пиропатрон часто используется на сцене и в кино для запуска различных спецэффектов.![]() | ||
| пиропатрон чувствительного звена | |||
| пиропатрон воспламенитель | |||
| сетевые фильтры | Сетевые фильтры защищают вашу электронику от скачков напряжения в вашей электрической системе. | ||
| инструмент | Например, вольтметр — это прибор, используемый для измерения разности электрических потенциалов между двумя точками в электрической цепи. Ваттметр — это прибор для измерения электрической мощности в ваттах любой данной цепи. | ||
| материал | |||
| элемент задержки | Элемент задержки обеспечивает заданную задержку между срабатыванием пороховых устройств. | ||
| постоянный магнит | Постоянный магнит — это материал или объект, создающий магнитное поле.![]() | ||
| магнитный сердечник | |||
| ферритовый сердечник | |||
| вилка воспламенителя | |||
| колокол | Электрический звонок находится в обычном дверном звонке дома, и при активации он издает звонкий звук. | ||
| зуммер | Электрический зуммер похож на звонок, который издает постоянный гудящий звук вместо одиночного тона или звука звонка. | ||
| тепловой элемент | |||
| термопара | |||
| термобатарея | |||
| фонарь | Преобразователь преобразует электрическую энергию в свет, используемый для лампы, обеспечивающей освещение, например, автомобильной фары или лампы фонарика.![]() | ||
| флюоресцентная лампа | |||
| оратор | Громкоговоритель может принимать цифровой вход и преобразовывать его в аналоговые звуковые волны — одну из самых важных частей широкого спектра электрических устройств, таких как телевизоры и телефоны. | ||
| микрофон | |||
| осциллятор | Он генерирует повторяющийся электронный сигнал, часто синусоидальный или прямоугольный. | ||
| Источник переменного тока | Переменный ток, постоянно меняйте направление. | ||
| Источник постоянного тока | Постоянный ток всегда течет в одном направлении. |
Каждый электрический компонент может иметь несколько изображений, так как в настоящее время электрические символы могут отличаться от страны к стране.
Некоторые электрические символы практически исчезли с развитием новых технологий.В случаях, когда существует более одного универсального электрического символа, мы попытались дать альтернативное представление.
Часть 2: Как использовать электрические символы
Вам легко создать электрическую схему, если вы знаете, где найти тысячи электрических символов. Вы можете посмотреть видео ниже и узнать, как построить электрическую схему. Как вариант, вы можете шаг за шагом следовать инструкциям по словам и картинкам.
Шаг 1 : Запустите EdrawMax на вашем компьютере. Обширную коллекцию шаблонов электрических схем можно найти в категории Электротехника . Щелкните значок Basic Electrical , чтобы открыть библиотеку, которая включает все символы для создания электрических схем.
Шаг 2.1 : Когда вы находитесь в рабочей области EdrawMax, перетащите нужный символ прямо на холст.Вы можете изменить размер выбранного символа, перетащив маркеры выбора. Двусторонняя стрелка показывает направление, в котором вы можете переместить мышь, и вы можете перемещать символ, только когда появляется четырехсторонняя стрелка.
Шаг 2.2 : Вы также можете изменить форму символа с помощью плавающего меню / кнопки действия. Он показывает, когда символ выбран или когда указатель находится над символом. Например, резистор может иметь 12 разновидностей.
Шаг 3 : Когда ваша электрическая схема будет завершена, вы можете экспортировать ее в JPG, PNG, SVG, PDF, Microsoft Word, Excel, PowerPoint, Visio, HTML одним щелчком мыши. Таким образом, вы можете делиться своими рисунками с людьми, которые не используют EdrawMax, без необходимости искать способы преобразования форматов файлов.
Часть 3: Дополнительные электрические символы
Условные обозначения принципиальной схемы
Символы логических вентилей
Символы переключателей
Символы полупроводников
Символы пути передачи
Соответствующие символы
Обозначения компонентов интегральной схемы
Обозначения клемм и разъемов
Разница между схемами и принципиальными схемами
Часть 1: Различия между принципиальными схемами и принципиальными схемами
Схемы и принципиальные схемы обычно используются в инженерных схемах.
Возможно, вы слышали их очень часто, но они немного отличаются друг от друга. Их целевые пользователи или читатели различны, где схемы широко используются продвинутыми программами просмотра схем, а схемы схем удобны для новичков. Проиллюстрировав различия между принципиальными схемами и схемами, вы поймете, как использовать схемы при идентификации компонентов электрической системы, отслеживании цепи или даже при установке электрического оборудования.
Часть 2: Принципиальная схема: удобна для опытных пользователей
Схема или схематическая диаграмма представляет элементы системы с абстрактными и графическими символами вместо реалистичных изображений.Принципиальная схема больше ориентирована на понимание и распространение информации, чем на выполнение физических операций. По этой причине в схеме обычно опускаются детали, не относящиеся к информации, которую она намеревается передать, и могут добавляться упрощенные элементы, чтобы помочь читателям понять особенности и взаимосвязи.![]()
Электронная схема для электроники — это рецепт для повара. Он расскажет вам, какие ингредиенты использовать и как их расположить и соединить.Вместо того, чтобы подробно объяснять рецепт, используется схематическая диаграмма для изображения конструкции электроники. Электронные схемы состоят из цифровых электронных символов, которые представляют каждый из используемых компонентов. На следующей принципиальной схеме микроэлектронного устройства символы соединены линиями, показывающими, как соединять компоненты.
Принципиальные схемы также используются во многих других областях, не только в электрических системах. Например, когда вы едете в метро, карта метро для пассажиров представляет собой своего рода схематическое изображение, на котором станции метро обозначены точками.Химический процесс также может быть отображен в схематической диаграмме с символами химического оборудования.
Часть 3: Принципиальная схема: удобна для начинающих зрителей
Принципиальная схема (также называемая электрической схемой, элементарной схемой и электронной схемой) — это графическое представление электрической схемы. Принципиальные схемы широко используются при проектировании схем, производстве и обслуживании электрического и электронного оборудования.Принципиальные схемы можно разделить на две категории — наглядные принципиальные схемы и принципиальные электрические схемы.
Графические схемы намного легче понять, чем принципиальные электрические схемы. Соединяя реалистичные электрические компоненты с проводкой, графическая диаграмма позволяет зрителям легко и быстро идентифицировать электрические компоненты системы сразу же, не требуя профессиональных знаний. Это часто упоминается в руководстве пользователя для нормальной работы.В некоторой степени принципиальные схемы более практичны.
Часть 4: Что такое принципиальная электрическая схема
Принципиальная схема представляет электрическую систему в виде рисунка, на котором показаны основные особенности или взаимосвязи, но не детали. На принципиальной схеме электрические компоненты и проводка не полностью соответствуют физическому устройству реального устройства.Если вы хотите понять схематическую диаграмму, вам необходимо владеть базовыми знаниями в области электричества и физики, а также международно стандартизованными символами. Посмотрите на параллельные схемы ниже, вы можете обнаружить, что батарея представлена двумя короткими линиями, индикаторы — кружком с крестом внутри, а проводка отображается в виде линии. Инженеры-электрики в основном используют эту схему с унифицированными обозначениями. Ниже представлена принципиальная электрическая схема полупроводниковой электроники.
Принципиальные и принципиальные схемы являются важными инженерными схемами. Edraw универсальное программное обеспечение для построения схем — это отличный инструмент для создания схем и принципиальных схем. Бесплатно скачайте программу для создания своих работ.
Статьи по Теме
Программное обеспечение для создания принципиальных схем для Mac
Принципиальная схема Visio Alternative
Создать принципиальную схему для PPT
Электрические чертежи и обзор схем
Проектирование, установка и устранение неисправностей электрических систем требует использования различных чертежей, чтобы дать инженерам, установщикам и техническим специалистам визуальное представление систем, с которыми они работают.
Электрооборудование и схемы часто выражаются в виде символов и линий, которые представляют различные компоненты и соединения в системе. Уровень сложности электрического чертежа будет варьироваться в зависимости от предполагаемого назначения и персонала, работающего с чертежом.
Инженеры-конструкторы и технические специалистыиспользуют схемы для построения и устранения неисправностей сложных цепей, в то время как операторы предприятий используют однолинейные схемы и схемы стояков для облегчения операций переключения в своей распределительной системе.Знание того, как читать и интерпретировать различные типы электрических чертежей, является важным навыком, которым должны обладать все электротехники для эффективного выполнения своих задач.
Символы и линии на электрическом чертеже говорят на языке, который должны понимать все участники, чтобы проектировать, строить и устранять неисправности электрических систем. В этой статье мы кратко опишем несколько типов общих электрических схем, встречающихся в полевых условиях, и объясним их назначение.
Однолинейная схема
Однолинейная схема распределительного устройства Medoum-Voltage.Фотография: General Electric
Когда вам нужен вид энергосистемы с высоты птичьего полета, однолинейная схема часто является первым чертежом, к которому следует обратиться. Эти рисунки, также называемые однолинейными диаграммами, показывают поток электроэнергии или ход электрических цепей и то, как они связаны.
Физические взаимосвязи обычно не учитываются на однолинейной схеме, однако они должны показывать все основные компоненты в энергосистеме и перечислять все важные характеристики. Системное напряжение, импеданс трансформатора, номинальные параметры отключения и ток короткого замыкания — это лишь некоторые из основных элементов, включенных в однолинейную схему.
Эти чертежи должны храниться на дисплее в главной диспетчерской на предприятии, чтобы помочь в управлении операциями переключения путем определения фидеров и нагрузки, которую они обслуживают. Обычно включаются напряжение системы, частота, фаза и нормальные рабочие положения.
Другие элементы, такие как коэффициенты измерительного трансформатора и защитные реле, можно найти на однолинейной схеме. Если диаграмма не может охватить все задействованные компоненты, можно нарисовать дополнительные диаграммы вместе с основной диаграммой.
Связанные: Обозначения электрических однолинейных схем
Трехлинейная схема
Трехпроводная схема шины 4160 В. Фото: NRC.gov
Для более детального представления системы распределения электроэнергии используется трехлинейная диаграмма, показывающая соотношение фаз. В многофазных системах переменного тока на этих чертежах показаны различные соединения для A, B, C, нейтрали и заземления, каждое из которых представлено отдельной линией.
Трехлинейные схемы дополняют однолинейные, предоставляя базовое визуальное руководство по реальной прокладке питающих кабелей, подключению измерительного трансформатора и защитным устройствам.На этих чертежах показано, как соединены фазы и конкретные конфигурации обмоток без учета их физического расположения.
Схема подъема
Схема электрического стояка. Фото: BGR Engineers.
Чтобы проиллюстрировать электрическую распределительную систему многоуровневого здания, используется диаграмма стояка. Эти чертежи похожи на однолинейные чертежи, но часто фокусируются на том, как энергия перетекает с одного уровня здания на другой.
На схемахRiser показаны компоненты распределения, такие как стояки для шин, шинные вилки, щитовые панели и трансформаторы, от точки входа до небольших ответвлений на каждом уровне.Эти чертежи иногда могут использоваться совместно с системами охранной сигнализации, телекоммуникациями и интернет-кабелями.
Принципиальная схема
Пример электронной принципиальной схемы. Фото: DOE.gov
Основная цель принципиальной схемы — выделить элементы схемы и то, как их функции соотносятся друг с другом. Схемы — это чрезвычайно ценный инструмент для поиска и устранения неисправностей, который определяет, какие компоненты включены последовательно или параллельно и как они соединяются друг с другом.
Компоненты, которые обычно встречаются на принципиальных схемах, включают резисторы, конденсаторы, катушки индуктивности, диоды, логические вентили, контакты предохранителей, переключатели и многое другое.Каждый компонент на принципиальной схеме имеет свой собственный символ, обозначающий его.
Схематические диаграммы должны быть расположены для простоты и легкости понимания, без учета фактического физического расположения любого компонента, уделяя внимание только тому, как они соединяются вместе. На этих схемах всегда следует рисовать переключатели и контакты в обесточенном положении.
Связано: Разъяснение схемы управления автоматическим выключателем
Схема подключения
Схема подключения реле датчика нагрузкиExmpale.Фото: Площадь Д.
Основная цель электрической схемы — показать все компоненты в электрической цепи и расположить их так, чтобы показать их фактическое физическое расположение. В отличие от принципиальной схемы, которую можно рассматривать как концептуальный чертеж, схема подключения предназначена для конечных пользователей и установщиков, которые сосредоточены на подключении и устранении неполадок компонентов.
На схемах подключениявсе детали оборудования, устройства и клеммные колодки должны быть обозначены соответствующими номерами, буквами или цветами.Обозначения клемм и соединений между компонентами четко обозначены, чтобы облегчить сборку или ремонт оборудования, показанного на чертеже.
Блок-схема
Пример блок-схемы. Фото: Mercer.edu
Пожалуй, самый простой тип электрических чертежей, блок-схемы представляют основные компоненты сложной системы в виде блоков, соединенных между собой линиями, которые показывают их связь друг с другом. Эти диаграммы не следует путать с однолинейными чертежами, поскольку они не содержат никакой технической информации, а только основные компоненты сложной системы.
Блок-схема дает концептуальное представление о том, как завершается процесс, без учета электрических символов или терминов. Каждый блок представляет собой сложную схему, которую можно пояснить с помощью других чертежей, таких как схемы и электрические схемы.
Логическая схема
Логическая схема реле отказа выключателя. Фото: SEL, Inc.
.В современных реле защиты используются логические схемы для представления сложных цепей и процессов, в которых сигнал рассматривается в двоичном формате (1 или 0).Логические функции на этих схемах представлены соответствующими символами, тогда как блоки используются для представления сложной логической схемы.
Блоки на логической схеме помечены для лучшего понимания без знания внутренней структуры и соединены линиями, которые представляют входы и выходы для двоичных сигналов. Логические схемы обычно не показывают электрические характеристики, такие как напряжение, ток и мощность.
Расписания
Примеры расписания двигателей и питателей.Фотография: Volusia County, FL
При перечислении таких позиций, как автоматические выключатели и размеры проводов для конкретного проекта или части распределительного оборудования, используется расписание. Термин «график» может также относиться к датам, в которые должно быть завершено определенное действие, обычно называемым «графиком проекта».
Что касается распределения электроэнергии, то графики часто включаются в чертежи распределительных щитов и щитов с указанием количества автоматических выключателей, их размера и нагрузки, которую они обслуживают.Графики фидеров используются, чтобы помочь определить размер и количество проводов, используемых для входящих и исходящих грузов в рамках строительного проекта.
Расписанияобычно представлены в табличной форме и организованы таким образом, чтобы не требовать пояснений, что упрощает быстрый поиск информации. Информация в расписании обычно не включает однолинейные схемы или схемы соединений, но они обычно идентифицируют эту информацию со справочными чертежами, легендами и примечаниями.
Исполнительные чертежи
Каждый раз, когда строительный проект завершается, «Как построено» представляет собой измененный чертеж, созданный и отправленный подрядчиком для выделения любых изменений, которые были внесены в первоначальные проектные чертежи в процессе строительства.


ru




ATX230, 
Эффект конденсатора известен как емкость. Его также можно использовать в качестве фильтра для блокировки сигналов постоянного тока, но пропускания сигналов переменного тока.
Обычно преобразователь преобразует сигнал одного типа мощности в сигнал другого типа.

