Создание схем с помощью визуализатора данных
Вы хотели бы автоматически создавать подробные и элегантные блок-схемы Visio из книг Excel? Это можно сделать с помощью шаблонов визуализатора данных. С каждым шаблоном связана книга Excel, которая используется для преобразования обрабатываемых данных в блок-схему Visio. Вы также можете использовать собственный шаблон Excel, сопоставить данные Excel с фигурами в мастере создания схем на основе данных и создать схему автоматически. Кроме того, вы можете добавить дополнительные столбцы с данными в документе Excel, которые преобразуются в данные на фигуре Visio.
Visio также поддерживает двустороннюю синхронизацию между схемой Visio и книгой Excel. Это позволяет не только создавать блок-схему путем изменения данных в Excel и обновления схемы в Visio, но и вносить изменения в схему Visio, а затем обновлять данные Excel из нее.
Возможность использования шаблонов визуализатора данных доступна только в Visio, план 2. Если вы не знаете, какую версию Visio используете, в меню Файл выберите пункт Учетная запись и нажмите кнопку О программе Visio. Дополнительные сведения о версии подписки Visio можно найти в Visio (план 2 ).
Если шаблоны визуализатора данных отсутствуют или у вас есть другие вопросы о начале работы, см. страницу Часто задаваемые вопросы о визуализаторе данных.
Кроме того, у нас есть три новых шаблона, с помощью которых вы можете создать диаграмму без лицензии на Visio:
В этой статье
Создание схем с помощью визуализатора данных
Подготовка
Обдумайте свои идеи и предварительно проработайте их на бумаге или с помощью рукописного ввода.
Этот черновик послужит отправной точкой, и вам будет проще выполнить следующие действия.
Чтобы создать схему с помощью визуализатора данных, можно работать одновременно в Excel и Visio. Вы можете открыть два окна на устройстве с Windows или, если вам так удобнее, подключить второй монитор. Сравнивая содержимое окон Excel и Visio, вы поймете, получается ли у вас то, что задумано.
Рекомендация. Просмотрите следующее видео по Microsoft Office, чтобы увидеть эту функцию в действии: Визуализатор данных: демонстрация.
Этап 1. Выбор шаблона визуализатора данных
-
Откройте Visio или выберите Файл > Создать, если вы изменяете схему.

- Выберите Шаблоны.
-
Выберите Блок-схема.
-
Выберите Простая блок-схема — визуализатор данных, функциональная блок-схема — визуализаторданных или Схема аудита — визуализатор данных.
В левом верхнем углу шаблона визуализатора данных есть значок Excel.
Дополнительные сведения о блок-схемах и их фигурах см. в статьях Создание простой блок-схемы и Создание функциональной блок-схемы.
Этап 2. Создание книги Excel
-
В окне предварительного просмотра шаблона щелкните
Шаблон данных Excel.
Заметка Если вы хотите использовать для справки один из образцов шаблонов Excel, используемых в этой статье, вы можете скачать их по следующим ссылкам:
-
Нажмите Файл > Сохранить, укажите компьютер, сервер в сети или библиотеку документов SharePoint, введите имя файла и нажмите кнопку Сохранить.
-
Чтобы добавить новый лист, в нижней части книги щелкните значок Новый лист .
-
Создайте таблицу Excel. Дополнительные сведения о работе с таблицами Excel см. в статьях Общие сведения о таблицах, Создание и удаление таблицы Excel и Как добавить или удалить строку или столбец в таблице.
-
Добавьте столбцы и строки в таблицу, на основе которой будет создана схема Visio.
Для заголовков столбцов и значений таблицы Excel существуют определенные требования. Воспользуйтесь разделом Взаимодействие между столбцами Excel и компонентами блок-схемы Visio в качестве наглядного пособия.
Этап 3. Добавление дополнительных данных фигур в таблицу Excel (необязательно)
-
Изучите вкладку » карта процесса » в шаблоне Excel. Столбцы в таблице Excel выделяются синим цветом и зеленым цветом. Цвет — это визуальная информация о различиях между столбцами.
Синие столбцы используются для создания блок-схемы в Visio. Кроме того, все столбцы служат источником данных фигур.
-
Чтобы добавить дополнительные данные фигур, добавьте один или несколько столбцов в таблицу Excel.
Зеленые столбцы содержат дополнительные данные, которые можно добавить к каждой фигуре.
Вы можете добавить любое количество дополнительных столбцов. По умолчанию эти данные не отображаются на схеме, если вы не добавите рисунки, связанные с данными. Чтобы просмотреть данные фигуры на схеме Visio, выберите Данные > Окно данных фигуры. Дополнительные сведения о данных фигур и рисунках, связанных с данными, см. в статьях Добавление данных в фигуры и Рисунки, связанные с данными: обзор.
Этап 4. Создание схемы Visio с помощью мастера
-
Вернитесь в Visio, в окне предварительного просмотра шаблона выберите единицу измерения и нажмите кнопку Создать.
-
На первой странице мастера Создание диаграммы на основе данных сделайте следующее:
-
В разделе какую схему вы хотите создать на основе данных, выберите шаблон: Простая блок-схема, функциональная схема (на горизонтальной диаграмме)или функциональная схема (вертикальная).

-
В разделе Выберите книгу Excel: выберите книгу из списка последних открытых книг или нажмите кнопку Обзор, чтобы найти файл, созданный на этапе 2.
-
В разделе
Выберите таблицу или настраиваемый диапазон в книге: выберите таблицу Excel, содержащую данные процесса. -
Нажмите кнопку Готово. При этом будут приняты все значения по умолчанию, подставленные на остальных страницах мастера в Visio.
-
В результате схема будет создана автоматически внутри контейнера. В зависимости от размера блок-схемы могут быть добавлены дополнительные страницы Visio.
Этап 5.
Сохранение схемы Visio
-
Нажмите Файл > Сохранить, найдите нужную папку, введите имя файла и нажмите кнопку Сохранить.
Рекомендуем хранить файлы Excel и Visio в одной папке, так как это две части одного целого.
Этап 6. Синхронизация данных и схемы
После создания схемы с помощью визуализатора данных в нее можно вносить изменения. Visio поддерживает двустороннюю синхронизацию между исходными данными и схемой.
Совет После того как вы закончите работу с ними, оба файла должны синхронизироваться и обновляться.
При изменении данных Excel обновите схему. При изменении содержимого схемы обновите данные Excel.
Изменение данных в Excel и последующее обновление схемы
-
Внесите изменения в исходные данные в таблице Excel. Вы можете добавить, обновить или удалить строки.
-
Сохраните книгу Excel.
-
В Visio щелкните контейнер схемы, чтобы открыть вкладку «Конструктор» в области Работа с данными на ленте, затем щелкните элемент Обновить схему.
В результате изменения, внесенные в книгу Excel, будут отражены на схеме Visio.
Обратите внимание на перечисленные ниже аспекты.
-
Если вы внесли в схему изменения, которые могут быть потеряны после обновления, в Visio откроется диалоговое окно конфликтов обновления схемы.
-
При обновлении переносятся изменения только для тех фигур и соединений, которые находятся в контейнере.
-
Изменения форматирования, внесенные вами для фигур и соединительных линий в контейнере, сохраняются.
-
Следите за тем, чтобы все фигуры и соединительные линии схемы оставались внутри контейнера. Объекты, расположенные на странице, но вне контейнера, при обновлении не изменяются. Дополнительные сведения о контейнерах см. в статье Пояснение структуры схем с помощью контейнеров и списков.

Изменение содержимого схемы и последующее обновление данных в Excel
-
Внесите изменения в схему Visio. Вы можете добавить, обновить или удалить фигуры или соединительные линии.
-
Сохраните и закройте книгу Excel, если она находится на настольном компьютере или сетевом файловом сервере.
-
Щелкните контейнер схемы, чтобы открыть вкладку «Конструктор» в области Работа с данными на ленте, затем щелкните элемент Обновить данные источника.
В результате изменения, внесенные в схему Visio, отразятся в книге Excel.
Если это может привести к потере данных в Excel, в Visio появится диалоговое окно конфликтов обновления исходных данных. Чтобы избежать проблем, соблюдайте приведенные ниже рекомендации.
-
Перед внесением изменений сохраните резервную копию данных Excel.
-
В книге Excel в качестве источника данных используйте таблицу Excel, а не произвольный диапазон. Если в диалоговом окне Обновить данные источника выбрать команду Перезаписать, Visio преобразует произвольный диапазон в таблицу Excel.
-
Не используйте формулы в исходных данных Excel. Если в диалоговом окне Обновить данные источника выбрать команду Перезаписать, Visio преобразует формулу в результат формулы.
-
Вы создали схему с помощью следующего параметра в мастере создания схем на основе данных (столбцы данных сопоставляются с функциями и этапами): Сопоставление > Дополнительные параметры > Сохраните порядок значений столбцов из данных для создания > Функция или дорожка или Этап или временная шкала.
В этом случае Visio требуется дополнительный столбец данных, представляющий связь между фигурами. Если в диалоговом окне Обновить данные источника выбрать команду Перезаписать, добавляется дополнительный столбец. -
Вы создали функциональную блок-схему с помощью дорожек и шагов на основе порядка значений в Excel. Вы создали схему с помощью следующего параметра в мастере создания схем на основе данных (столбцы данных подключены к шагам процесса и действиям): Сопоставление > Укажите, как подключать шаги процесса/дейстивя > Подключать последовательно. В этом случае Visio требуется дополнительный столбец данных, представляющий связь между фигурами. Если вы измените порядок дорожек или шагов в схеме, порядок изменится и в исходных данных. Если в диалоговом окне Обновить данные источника выбрать команду Перезаписать, дорожки и шаги на схеме перестают соответствовать порядку данных в книге Excel.

Этап 7. Настройка взаимодействия между таблицей Excel и схемой Visio (необязательно)
Иногда возникает необходимость настроить создание схем визуализатора данных. Например, вы можете использовать различные фигуры для соответствия стандартам Организации или сопоставить с разными именами столбцов в таблице Excel.
-
После того как вы нажали Создать, чтобы открыть мастер Создание диаграммы на основе данных, и ввели значения на первой странице (см. этап 4), вы можете нажимать Далее и Назад для перехода между страницами мастера.
-
Чтобы просмотреть сведения о настройке каждого параметра на странице, нажмите Справка (?).
Дополнительные сведения см. в статье Использование мастера «Создание диаграммы на основе данных».
К началу страницы
Взаимодействие между столбцами Excel и компонентами блок-схемы Visio
С помощью приведенного ниже пошагового руководства вы узнаете, как каждый столбец Excel используется для создания блок-схемы Visio.
Обратите внимание на то, что для иллюстрации разных столбцов Excel ной таблицы используются наборы «Табуляция» («идентификатор», «Описание», «следующий идентификатор» и т. д.
). Щелкните имя вкладки, чтобы просмотреть иллюстрацию для этого столбца.
Идентификатор шага процесса. Это число, которое идентифицирует каждую фигуру блок-схемы. Этот столбец является обязательным, и каждое его значение в таблице Excel должно быть уникальным и не пустым. Это значение не отображается на блок-схеме.
Описание шага процесса. Это текст, добавляемый к каждой фигуре блок-схемы.
Идентификатор следующего шага. Это идентификатор шага процесса, соответствующий следующей фигуре в последовательности. Для фигуры ветвления существуют два следующих шага, и их идентификаторы указываются через запятую, например: 4,5. Следующих шагов может быть и больше двух.
Метка соединителя. Для фигур ветвления метки соединителей представлены в виде текста, разделенного запятыми, например: Да,Нет.
В примере «Да» соответствует идентификатору 4, а «Нет» — 5.
Тип фигуры. Это тип фигуры, который вы хотите использовать на схеме Visio, например Процесс или Решение. Рекомендуем использовать раскрывающиеся списки, чтобы можно было выбирать только правильные варианты.
Функция и этап Это функция (или дорожка) и этап (или временная шкала), к которым относится каждая фигура. Этот столбец применяется к схеме функциональной блок-схемы и не обрабатывается простой схемой.
К началу страницы
Создание схемы визуализатора данных с помощью других наборов элементов
Кроме использования шаблонов визуализатора данных вы также можете использовать наборы элементов из других шаблонов при создании схемы визуализатора данных.
Например, можно создавать схемы процессов для финансовых операций или управления запасами. Есть и другие процессно-ориентированные наборы элементов, включая шаблоны «Основные фигуры BPMN» и «Объекты рабочего процесса». Вы даже можете добавлять произвольные фигуры в набор элементов Мои фигуры. Дополнительные сведения см. в статье Создание, сохранение и совместное использование настраиваемых наборов элементов.
-
Откройте схему (простую или функциональную блок-схему), которую вы создали с помощью визуализатора данных.
-
Нажмите кнопку Создать, чтобы открыть мастер Создание диаграммы на основе данных, и после ввода значений на первой странице нажимайте кнопку Далее, пока не перейдете на страницу сопоставления фигур.
-
Добавьте один или несколько наборов элементов с помощью параметра Дополнительные фигуры.

-
Выберите любую фигуру и сопоставьте ей значения из столбца Тип фигуры, перетащив его.
К началу страницы
Создание схем подпроцессов и связывание с ними
В настоящее время функция визуализатора данных не поддерживает создание подпроцессов из одной таблицы Excel. Однако вы можете создать несколько схем с помощью разных таблиц в одном файле Visio, а затем связать фигуры как альтернативное решение.
-
В классическом приложении Visio выберите шаблон визуализатора данных и щелкните ссылку на шаблон данных Excel , чтобы открыть Excel.
Затем нажмите кнопку создать , чтобы открыть шаблон визуализатора данных Visio. -
Используйте шаблон данных Excel для создания таблиц для процессов и подпроцессов. Разместите таблицу для каждого подпроцесса на другом листе и сохраните файл Excel.
Например, лист 1: основной процесс, лист 2: SubProcess1, лист 3: SubProcess2.
-
Вернитесь в классическое приложение Visio и с помощью мастера импортируйте главную таблицу процесс на страницу 1 холста Visio.
-
Под холстом щелкните значок + , чтобы создать страницу 2. На вкладке Данные нажмите кнопку создать , чтобы запустить мастер импорта еще раз. Выберите Импорт данных со следующего листа в книге Excel и выполните действия, описанные в мастере.
-
Продолжайте создавать новые страницы в Visio и использует мастер для каждой созданной таблицы данных подпроцесса.

-
Наконец, выберите страницу с основной схемой процесса и щелкните правой кнопкой мыши фигуру, чтобы создать ссылку на подпроцесс. Выберите гиперссылка и свяжите ее с любой фигурой на одной из схем подпроцессов.
К началу страницы
Добавление в схему рисунков, связанных с данными
Чтобы сделать схему нагляднее, можно добавить в нее рисунки, связанные с данными, которые позволят визуально представить данные фигур. Вы фактически можете превратить схему в информационную панель процесса и использовать рисунки, связанные с данными, для отображения ключевых показателей эффективности (КПЭ), основанных на данных фигур, в виде оригинальных значков.
-
Откройте схему, созданную с помощью визуализатора данных.
Выберите контейнер, в который вы хотите добавить рисунки, связанные с данными.
-
На вкладке Данные установите флажок Поля рисунков, связанных с данными.
-
Выберите поля рисунков, связанных с данными, которые вы хотите добавить в схему.
Рисунки, связанные с данными, будут применены ко всей схеме. Чтобы скрыть рисунки, связанные с данными, для определенных фигур, оставьте значения столбцов данных для этих строк в книге Excel пустыми.
-
При необходимости можно задать дополнительные параметры на вкладке Данные. Дополнительные сведения см.
в статье Рисунки, связанные с данными: обзор.
К началу страницы
Управление книгой Excel, связанной с диаграммой
Иногда вам может потребоваться повторное связывание или обновление связанной книги Excel. Это можно сделать в Visio.
Повторное связывание книги Excel с диаграммой Visio
Если книга Excel, связанная с диаграммой визуализатора данных, переименована или перемещена в другое место, связь между схемой Visio и книгой Excel разорвана. Эта проблема также может возникать при переименовании таблицы Excel.
-
Выберите контейнер для схемы визуализатора данных. Это позволит вкладке «Конструктор» в разделе «работа с данными » на ленте.
-
Нажмите кнопку Работа с данными > изменить связь с исходными данными.
-
Перейдите к переименованной или перемещенной книге Excel.
-
Выберите таблицу или настраиваемый диапазон в книге.
-
Чтобы исправить разорванную связь, нажмите кнопку » связать«.
При попытке обновить схему или обновить исходные данные, если связь разорвана, в Visio также будет предложено повторно установить связь.
Важно Не изменяйте имена столбцов в таблице Excel, связанной с диаграммой. В противном случае происходит сбой операции повторного связывания.
Открытие книги Excel, связанной с диаграммой
Вы можете изменить связанное содержимое в Excel прямо из Visio. Например, вам может потребоваться добавить большое количество содержимого и легко изменить данные в электронной таблице.
-
В Visio выберите контейнер для схемы визуализатора данных. Это позволит вкладке «Конструктор» в разделе «работа с данными » на ленте.

-
На вкладке Работа с данными нажмите кнопку Конструктор > открыть исходные данные.
-
Внесите изменения в Excel, а затем сохраните и закройте книгу.
-
Чтобы просмотреть изменения в схеме, выберите элементы конструктор средств работы с данными > Обновить схему.
К началу страницы
Дальнейшие действия
Возможно, после создания схемы с помощью визуализатора данных вас заинтересуют следующие задачи:
-
Темы.
Тема в Visio представляет собой набор цветов и эффектов, которые можно применить к документу одним щелчком мыши. С помощью тем документам можно легко придать профессиональный вид. Дополнительные сведения см. в статье Применение тем для профессионального оформления документов. -
Макет. В Visio есть руководства и автоматические инструменты, которые помогают выровнять и равномерно распределить фигуры на схеме. Благодаря этому ваш документ выглядит четко и профессионально. Дополнительные сведения см. в статье Выравнивание и расстановка фигур на схеме.
-
Экспорт. Вы можете экспортировать схему, созданную с помощью визуализатора данных, и связанную с ней книгу Excel в пакет шаблона Visio (VTPX). В пакете шаблона Visio сохраняются параметры схемы, наборы элементов и данные, на основе которых другие пользователи смогут быстро создавать собственные схемы с помощью визуализатора данных.
Они могут установить пакет шаблона на своих компьютерах. Дополнительные сведения см. в статье Экспорт и установка пакета шаблона «Визуализатор данных».
К началу страницы
Примечание: Эта страница переведена автоматически, поэтому ее текст может содержать неточности и грамматические ошибки. Для нас важно, чтобы эта статья была вам полезна. Была ли информация полезной? Для удобства также приводим ссылку на оригинал (на английском языке).
Тепловые схемы котельных
Тепловые схемы котельных
Тепловые схемы котельных с помощью условных графических изображений показывают основное и вспомогательное оборудование объединяемое линиями трубопроводов для транспортировки теплоносителей в виде пара или воды.
Тепловые схемы котельных могут быть принципиальные, развернутые и рабочие или монтажные. Принципиальные тепловые схемы котельных указывается лишь главное оборудование (котлы, подогреватели, деаэраторы, насосы) и основные трубопроводы без арматуры, всевозможных вспомогательных устройств и второстепенных трубопроводов и без уточнения количества и расположения оборудования. На этой схеме показываются расходы и параметры теплоносителей.
На развернутой тепловой схеме показывается все устанавливаемое оборудование, а также все трубопроводы, соединяющие оборудование, с запорной и регулирующей арматурой. Если объединение в развернутой тепловой схеме всех элементов и оборудования котельной из-за их большого числа затруднительно, то эту схему разделяют на части по технологическому процессу. Так, например, в качестве самостоятельных схем выполняют схемы подготовки воды, продувки из паровых котлов, сбора и удаления дренажей и т. п. Это позволяет в развернутой тепловой схеме достаточно подробно и ясно отразить все главные и вспомогательные элементы оборудования котельной, а также указать диаметры всех трубопроводов.
Рабочие или монтажные тепловые схемы котельных обычно выполняют в ортогональном, а иногда отдельные сложные узлы — в аксонометрическом изображении с указанием отметок расположения трубопроводов, их наклона, арматуры, креплений, размеров и т. д. Эта схема также разделяется на части для удобства использования и облегчения монтажа оборудования, арматуры и трубопроводов.
На монтажных схемах указываются все необходимые сведения о марке стали или о материале данного узла, способах его соединения со смежными, о массе деталей или блока, т. е. составляется спецификация на все элементы, входящие в данную часть тепловой схемы. Развернутая и рабочая (монтажная) тепловые схемы котельных могут быть составлены лишь после разработки принципиальной тепловой схемы и ее расчетов, на основе которых выбирается оборудование.
Основной целью расчета тепловой схемы модульной котельной является:
- определение общих тепловых нагрузок, состоящих из внешних нагрузок и расходов тепла на собственные нужды, и распределение этих нагрузок между водогрейной и паровой частями котельной для обоснования выбора основного оборудования;
- определение всех тепловых и массовых потоков, необходимых для выбора вспомогательного оборудования и определения диаметров трубопроводов и арматуры;
- определение исходных данных для дальнейших технико-экономических расчетов (годовых выработок тепла, годовых расходов топлива и др.
).
Расчет тепловой схемы позволяет определить суммарную теплопроизводительность котельной установки при нескольких режимах ее работы.
По известным суммарным расходам пара и горячей воды производится выбор типа, количества и производительности котельных агрегатов. В некоторых случаях оказывается целесообразным принять два типа котла ряд технико-экономических расчетов по применению в котельных паровых и водогрейных котлов и рекомендует в котельных с общей теплопроизводительностью (пар и горячая вода) до 50 Гкал/ч устанавливать только один тип котлов — паровые котлы, а горячую воду для нужд отопления, вентиляции и горячего водоснабжения получать от пароводяных подогревателей. Для мощных котельных с общей теплопроизводительностью свыше 100 Гкал/ч может оказаться рациональным применение комбинированных паровых котлов с гибкой регулировкой паровой и водогрейной нагрузок.
После выбора котлов, производится выбор всего необходимого для их работы вспомогательного оборудования, т.
е. различных теплообменных аппаратов, аппаратуры водоподготовки, насосов, баков и пр.
Все выбранное оборудование наносится на тепловую схему в виде условных обозначений, выбираемых в соответствии с действующими стандартами. Так же условными линиями изображают трубопроводы для различного вида жидкостей, пара и газа. Для удобства обозначения и чтения тепловых схем целесообразен следующий порядок размещения условных обозначений оборудования на схеме: в верхнем ряду наносят обозначения котельных агрегатов и деаэраторов, ниже теплообменников, затем насосов, далее различных емкостей или баков, а под ними дренажных, продувочных и прочих колодцев, отводящих и подводящих трубопроводов пара, воды, конденсата.
Такой принцип обозначения оборудования принят для всех приведенных ниже тепловых схем.
Достаточно большая сложность тепловых схем современных котельных установок с паровыми, водогрейными пароводогрейными котлами вынуждает вести их расчет методом последовательных приближений.
Для каждого из элементов тепловой схемы составляется уравнение теплового и материального баланса, решение которого позволяет определить неизвестные расходы и энтальпии. Общая увязка этих уравнений, число которых зависит от параметров теплоносителей, системы горячего водоснабжения и ряда других условий, осуществляется составлением материального и теплового баланса деаэратора, куда сходятся основные потоки рабочего тела. Ряд величин, необходимых для увязки тепловой схемы, получают из расчета элементов н устройств, связанных со схемой. При отсутствии всех необходимых сведений на основе опыта проектирования рядом величин можно предварительно задаваться.
Так, например, для определения расхода пара или горячей воды на собственные нужды котельной Сантех-проект рекомендует предварительно принимать следующие величины расходов теплоты: на деаэрацию питательной воды и подогрев сырой и химически очищенной воды при закрытой системе теплоснабжения от 7 до 10 % суммарного отпуска тепловой энергии внешним потребителям; на потери теплоты внутри котельной 2 — 3 % той же величины.
При открытой системе горячего водоснабжения расход теплоты на деаэрацию и подогрев сырой и химически очищенной воды заметно выше.
Латгипропром считает целесообразным общие расходы теплоты на собственные нужды котельной определять, исходя из расходов теплоты на отопление и вентиляцию здания котельной, на потери теплоты теплоизоляцией трубопроводов, оборудования и теплообменных аппаратов, на потери с выбрасываемой в канализацию водой (продувка котлов, собственные нужды водоподготовки), расходов теплоты на мазутоснабжение, а также на разные отдельно не учитываемые потери теплоты (выпар из деаэраторов, отбор проб, утечки через не плотности, горячее водоснабжение душевых), которые условно оцениваются в размере 0,2 % установленной теплопроизво — длительности котлов.
На основе анализа выпущенных проектов составлены упрощенные эмпирические формулы для определения перечисленных выше расходов теплоты на собственные нужды котельной. Потребности тепловой энергии внешних потребителей, как правило, определяются схемами теплоснабжения промпредприятий промышленных узлов или жилых районов городов.
При расчетах тепловых схем задаются температурой воды, идущей на химводоочистку в пределах 20 — 30 ° С, исходной воды, поступающей в котельную зимой — 5 °С, летом — 15 °С. Потери воды в тепловых сетях с закрытой системой горячего водоснабжения принимаются равными 0,5 % объема воды в сетях, а при отсутствии данных об объеме равными 1,5 принятыми больше чем на 3 % нужно повторить расчет, подставив в качестве исходных полученные значения. Это второе приближение обычно дает необходимую сходимость.
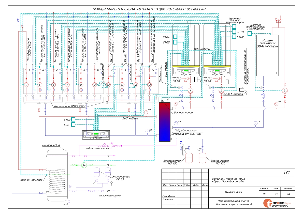
В качестве примера ниже приводится расчет тепловой схемы производственной котельной, изображенной на рис. 5.1.
Рис. 5.1. Принципиальная тепловая схема производственной котельной. 1 — котел паровой; 2 — деаэратор; 3 — охладитель выпара; 4 — подогреватель химически очищенной воды; 5 — подогреватель сырой воды; 6 — охладитель продувочной воды; 7- сепаратор непрерывной продувки; 8 — питательный насос.
Зная по исходным данным расход пара на производство и обозначая через Dт, найдем количество потерянного конденсата, т/ч, если возвращаемая доля его составляет µ:
G2=(1-μ)Dт.
(5.1)
Расход пара на собственные нужды котельной состоит из расхода на подогреватель сырой и химически очищенной воды, деаэратора, на подогрев мазута, обдувку и потерь. Количество пара на подогрев воды до и после химводоочистки и на деаэратор, т/ч, можно принимать предварительно равным от 5 до 10 % расхода пара на производство:
Dсв+Dхов+Dд=(0,05÷0,1)Dт. (5.2)
Расход пара на подогрев мазута Dм.х и потери Dпот внутри котельной также предварительно принимают равным 2 — 5 % расхода пара на производство т/ч:
Dм.х+Dпот=(0,02÷0,05)Dт. (5.3)
Количество пара, расходуемого в системе мазутного хозяйства, определяется расчетом, детальное изложение которого дано в § 7.4. Можно принять суммарный расход пара на нужды мазутного хозяйства в небольших котельных равным около 3 % отпущенного количества пара. Тогда суммарное количество пара, которое должны выработать котельные агрегаты, т/ч, составит:
∑D=Dт+Dс.
в+Dд+Dм.х+Dпот≈(1,07-1,13)Dт. (5.4)
Определив суммарную максимальную потребность в паре, необходимо выбрать ТНП и число котлов с учетом требований СНиП II-35-76. Количество и единичную производительность котлов устанавливаемых в котельной, следует выбирать по расчетной производительности котельной, проверяя режим работы для летнего периода года. При этом в случае выхода из строя наибольшего по производительности котла, в котельных первой категории, оставшиеся должны обеспечивать отпуск теплоты потребителям на технологическое теплоснабжение и на системы вентиляции в количестве, определенном минимально допустимыми для данных потребителей нагрузками, на отопление и горячее водоснабжение — в количестве, определяемом режимом наиболее холодного месяца.
В случае выхода из строя одного котла, независимо от категории котельной, количество теплоты, отпускаемой потребителям второй категории, не нормируется.
В котельных должна предусматриваться, установка не менее двух котлов, за исключением производственных котельных второй категории, в которых допускается установка одного котла.
При выборе котлов следует учитывать рекомендации строительных норм и правил об однотипности котлов. Оптимальное число котлов в новых котельных следует считать равным трем.
Единичную производительность однотипных котлов определяют, не считая резервного парового котла, так, чтобы соблюсти условие
Принципиальная Схема Итп — tokzamer.ru
В процессе эксплуатации могут возникать утечки теплоносителя из контура отопительной системы.
После элеватора еще и обратку считать будет.
Журнал учета КИПа, выдачи нарядов-допусков, оперативный, учета выявленных при осмотре установок и сетей дефектов, проверки знаний, а также инструктажей. Схема теплового узла Регулировку подачи теплоносителя осуществляют узлы элеваторные отопления дома.
Как работают тепловые пункты в многоквартирных домах?
Подпитка горячего водоснабжения выполняется от системы холодного водоснабжения.
Вода в циркуляционном контуре посредством циркуляционного насосного оборудования для горячего водоснабжения передвигается по кругу от теплового пункта к потребителям и обратно.
В общем оно того стоит!
Отопительная система также является замкнутым контуром, по которому происходит движение теплоносителя с помощью циркуляционных насосов от теплового пункта к потребителям и обратно. Бюджет проекта составляет млн.
В нем она нагревается сетевой водой, поступающей из подающего трубопровода внешней сети. Постоянный расход горячей сетевой воды обеспечивает автоматический регулятор расхода РР.
Для работы такого узла обязательно наличие источника электроэнергии достаточно большой мощности.
Проверка ИТП
Зависимая схема с двухходовым клапаном и насосами в обратном трубопроводе
От его характеристик во многом зависит регулирование систем отопления и ГВС, а также эффективность использования тепловой энергии.
На эффективность работы напрямую влияют колебания гидравлического режима в тепловых сетях.
Помимо того, современные проекты предусматривают обустройство удаленного доступа к управлению тепловыми пунктами.
На сегодняшний день популярностью пользуются устройства, с электрическим приводом регулировки сопла, благодаря чему появляется возможность автоматического изменения расхода теплоносителя в системе отопления многоквартирных домов.
При монтаже автоматизированного теплового пункта можно пользоваться пофасадным регулированием, когда регулировка одной стороны МКД не зависит от другой.
Подпитка отопительной системы происходит с помощью соответствующего насосного оборудования из обратного трубопровода тепловых сетей.
Отопительная система также является замкнутым контуром, по которому происходит движение теплоносителя с помощью циркуляционных насосов от теплового пункта к потребителям и обратно. Затем теплоноситель направляется в обратный трубопровод и по магистральной сети поступает обратно для повторного использования на теплогенерирующее предприятие.
Предназначен механизм для того, чтобы дроссельная игла можно двигать в продольном направлении. Она меняет просвет сопла и в результате меняется расход теплоносителя.
Тепловой пункт с погодозависимым регулированием
Элеваторный узел системы отопления – принцип работы
На рисунках ниже указаны самые распространенные схемы соединения тепловых сетей и тепловых пунктов.
В статье рассмотрены принципиальные схемы тепловых пунктов ТП , а не монтажные. Датчик тепла устанавливается в подающую трубу, которая находится в подвале, до элеватора.
Сертификаты на используемые электроды и трубопроводы. В составе ИТП, который также управляет системой горячего водоснабжения дома, прежде всего необходим теплообменник, в котором, собственно, происходит подогрев воды из водопровода до необходимой температуры, также регулирующий клапан с электроприводом, которым управляет электронный регулятор температуры или автоматический регулятор температуры прямого действия, а также автоматический регулятор перепада давления и два циркуляционных насоса.
Руководство УК вынуждено полагаться на проектировщиков, однако они обычно аффилированы с конкретным производителем ТП или компанией, производящей монтаж. Не допускается применять чрезмерное усилие в случае ручного управления клапаном, а также при наличии давления в системе нельзя разбирать регуляторы. Реализация на практике индивидуального теплового пункта Первые современные энергоэффективные модульные ИТП в Украине были установлены в Киеве в период — гг. Ведь очень часто расчетное потребление значительно больше фактического по причине того, что при расчете нагрузки поставщики тепловой энергии завышают их значения, ссылаясь на дополнительные расходы.
От его характеристик во многом зависит регулирование систем отопления и ГВС, а также эффективность использования тепловой энергии. Наблюдать за отсутствием постороннего шума, а также не допускать повышенной вибрации. При этом необходимо, чтобы температура теплоносителя в системе отопления изменялась в зависимости от изменения температуры наружного воздуха.
Зависимая схема с двухходовым клапаном и насосами в подающем трубопроводе
Подобных ситуаций позволит избежать установка приборов учета. При этом по мере необходимости потребители отбирают из контура воду. Может состоять из одного или нескольких блоков. Проектные документы, где есть все необходимые согласования. Дейнеко Индивидуальный тепловой пункт ИТП — важнейшая составляющая систем теплоснабжения зданий.
Часто тепло из системы ГВС используется потребителями для частичного отопления помещений, например ванных комнат в многоквартирных жилых домах. Охлажденная сетевая вода поступает в систему отопления.
Но любая система имеет и недостатки, коллекторный узел не стал исключением: Для каждого элемента элеватора нужны отдельные расчеты. Принципиальная схема ИТП для двух систем отопления при зависимом присоединении к тепловой сети и системы ГВС с непосредственным водоразбором. Изменение просвета меняет скорость движения воды.
Суть схемы теплоснабжения Москвы youtube.com/embed/ZlxNSCtk02M» frameborder=»0″ allowfullscreen=»»/>
Особенности работы ЦТП монтаж тепловых пунктов
Отопительную систему подпитывает обратный трубопровод теплосетей. Источники тепла и системы транспорта тепловой энергии[ править править код ] Источником тепла для ТП служат теплогенерирующие предприятия котельные , теплоэлектроцентрали.
Вода, из наружной водопроводной сети подается в подогреватель ГВС.
Компенсация понижения уровня давления осуществляется посредством группы насосов. Просмотрено: Схему ГВС можно обозначить как одноступенчатую, независимую и параллельную.
Режим коррекции — автоматический. Часто тепло из системы ГВС используется потребителями для частичного отопления помещений, например ванных комнат в многоквартирных жилых домах. Расход горячей сетевой воды на подогреватель II-ой ступени регулирует регулятор температуры клапан термореле в зависимости от температуры воды за подогревателем II-ой ступени.
Рекомендуем: Как измеряется петля фаза ноль
Принципиальная схема индивидуального теплового пункта утверждается. Тепловые пункты
Акт на промывку и опрессовку систем тепловые сети, отопительная система и система горячего водоснабжения. ИТП для отопления, горячего водоснабжения и вентиляции. Проектную документацию со всеми необходимыми согласованиями. Все это оборудование должно работать исключительно в автоматическом режиме, поэтому критически важно правильное налаживание всего комплекса оборудования для работы в конкретном доме.
ЦТП должны размещаться на границах микрорайонов кварталов между магистральными, распределительными сетями и квартальными. Одна из них — это отопительная система. При наличии ЦТП в каждом отдельном здании обязательно устройство ИТП, который выполняет только те функции, которые не предусмотрены в ЦТП и необходимы для системы теплопотребления данного здания.
Это устройство можно представить в виде емкости. Но стоимость такого устройства намного выше, хотя его использование более экономично.
Расход тепла контролируется и учитывается. После элеватора еще и обратку считать будет.
После элеваторного узла смешанный теплоноситель подается в систему отопления здания. Монтажная компания должна быть членом СРО. Далее, как наиболее распространённый, рассматривается ТП с закрытой системой горячего водоснабжения и независимой схемой присоединения системы отопления.
Создание принципиальной схемы индивидуального теплового пункта в AutoCAD P&ID
схем UML в Visio — Visio
В Visio (план 2) и Visio 2019 вы можете начать с пустого шаблона UML или (в некоторых случаях) изменить начальную схему UML.
Эта версия Visio по подписке поддерживает фигуры UML, соответствующие спецификации UML 2.5, а также предоставляет вам гибкость для использования их по мере необходимости в ваших схемах.
Диаграммы классов
Используйте диаграмму классов, чтобы создать общую модель структуры приложения, которая определяет классы системы, ее атрибуты и методы, а также отношения между объектами.
Создайте диаграмму классов UML
Схемы компонентов
Используйте диаграмму компонентов, чтобы разделить систему на связанные компоненты и показать структуру самого кода.
Создание схемы компонентов UML
Схемы развертывания
Используйте диаграмму развертывания, чтобы показать структуру системы времени выполнения и сообщить, как элементы оборудования и программного обеспечения, составляющие приложение, будут настроены и развернуты.
Создать схему развертывания UML
Диаграммы последовательностей
Используйте диаграмму последовательности, чтобы показать актеров или объекты, участвующие во взаимодействии, и генерируемые ими события, упорядоченные во временной последовательности.
Создайте диаграмму последовательности UML
Схема деятельности
Используйте диаграмму действий для описания внутреннего поведения метода и представления потока, управляемого внутренне созданными действиями.
Создайте диаграмму активности UML
Диаграммы конечных автоматов
Используйте диаграмму конечного автомата (или диаграмму состояний), чтобы показать последовательность состояний, через которые проходит объект в течение своей жизни.
Создайте диаграмму конечного автомата UML
Диаграммы вариантов использования
На ранних этапах проекта разработки используйте диаграммы вариантов использования для описания реальных действий и мотиваций.Вы можете уточнить диаграммы на более поздних этапах, чтобы отразить пользовательский интерфейс и детали дизайна.
Создание диаграммы вариантов использования UML
Схемы связи
Используйте диаграмму связи, чтобы показать, какие элементы в системе взаимодействуют с другими элементами с точки зрения последовательности сообщений.
Создайте схему связи UML
Схема обозначений базы данных
Используйте схему нотации базы данных, чтобы нарисовать модель базы данных.
Создайте схему нотации базы данных UML
Где находится обозреватель моделей UML?
Если вы создавали схемы UML в предыдущих версиях Visio, возможно, вы помните, как использовали Model Explorer. Диаграммы, созданные с помощью Model Explorer, были заблокированы от редактирования и некоторого форматирования. Начиная с Visio 2013 Professional, Model Explorer отсутствует. Вы просто перетаскиваете фигуры из предоставленных трафаретов.
Фигуры разблокированы и более гибкие, поэтому при необходимости вы можете изменить их поведение. Рисунки также более настраиваемы, но при этом соответствуют стандарту UML. К сожалению, это также означает, что если у вас есть рисунок, созданный с помощью Model Explorer, вы не можете работать с ним в новых версиях Visio, которые не включают Model Explorer.
В Visio для Интернета вы можете выбрать один из девяти типов диаграмм UML и множества примеров диаграмм, некоторые формы которых уже нарисованы на холсте.К каждому варианту прилагается набор, соответствующий выбранному типу диаграммы.
Эта версия Visio по подписке поддерживает фигуры UML, соответствующие спецификации UML 2.5, а также предоставляет вам гибкость для использования их по мере необходимости в ваших схемах.
Диаграммы классов
Используйте диаграмму классов, чтобы создать общую модель структуры приложения, которая определяет классы системы, ее атрибуты и методы, а также отношения между объектами.
Создайте диаграмму классов UML
Схемы компонентов
Используйте диаграмму компонентов, чтобы разделить систему на связанные компоненты и показать структуру самого кода.
Создание схемы компонентов UML
Схемы развертывания
Используйте диаграмму развертывания, чтобы показать структуру системы времени выполнения и сообщить, как элементы оборудования и программного обеспечения, составляющие приложение, будут настроены и развернуты.
Создать схему развертывания UML
Диаграммы последовательностей
Используйте диаграмму последовательности, чтобы показать актеров или объекты, участвующие во взаимодействии, и генерируемые ими события, упорядоченные во временной последовательности.
Создайте диаграмму последовательности UML
Диаграммы деятельности
Используйте диаграмму действий для описания внутреннего поведения метода и представления потока, управляемого внутренне созданными действиями.
Создайте диаграмму активности UML
Диаграммы конечных автоматов
Используйте диаграмму конечного автомата (или диаграмму состояний), чтобы показать последовательность состояний, через которые проходит объект в течение своей жизни.
Создайте диаграмму конечного автомата UML
Диаграммы вариантов использования
На ранних этапах проекта разработки используйте диаграммы вариантов использования для описания реальных действий и мотиваций.Вы можете уточнить диаграммы на более поздних этапах, чтобы отразить пользовательский интерфейс и детали дизайна.
Создание диаграммы вариантов использования UML
Схемы связи
Используйте диаграмму связи, чтобы показать, какие элементы в системе взаимодействуют с другими элементами с точки зрения последовательности сообщений.
Создайте схему связи UML
Схема обозначений базы данных
Используйте схему нотации базы данных, чтобы нарисовать модель базы данных.
Создайте схему нотации базы данных UML
В Visio вы можете начать с пустого шаблона UML и соответствующего набора элементов, чтобы создать схему UML.
Диаграммы классов
Используйте диаграмму классов, чтобы создать общую модель структуры приложения, которая определяет классы системы, ее атрибуты и методы, а также отношения между объектами.
Создайте диаграмму классов UML
Диаграммы последовательностей
Используйте диаграмму последовательности, чтобы показать актеров или объекты, участвующие во взаимодействии, и генерируемые ими события, упорядоченные во временной последовательности.
Создайте диаграмму последовательности UML
Схема деятельности
Используйте диаграмму действий для описания внутреннего поведения метода и представления потока, управляемого внутренне созданными действиями.
Создайте диаграмму активности UML
Диаграммы конечных автоматов
Используйте диаграмму конечного автомата (или диаграмму состояний), чтобы показать последовательность состояний, через которые проходит объект в течение своей жизни.
Создайте диаграмму конечного автомата UML
Диаграммы вариантов использования
На ранних этапах проекта разработки используйте диаграммы вариантов использования для описания реальных действий и мотиваций.Вы можете уточнить диаграммы на более поздних этапах, чтобы отразить пользовательский интерфейс и детали дизайна.
Создание диаграммы вариантов использования UML
Схема обозначений базы данных
Используйте схему нотации базы данных, чтобы нарисовать модель базы данных.
Создайте схему нотации базы данных UML
Где находится обозреватель моделей UML?
Если вы создавали схемы UML в предыдущих версиях Visio, возможно, вы помните, как использовали Model Explorer.Диаграммы, созданные с помощью Model Explorer, были заблокированы от редактирования и некоторого форматирования. Начиная с Visio 2013 Professional, Model Explorer отсутствует. Вы просто перетаскиваете фигуры из предоставленных трафаретов. Фигуры разблокированы и более гибкие, поэтому при необходимости вы можете изменить их поведение. Рисунки также более настраиваемы, но при этом соответствуют стандарту UML. К сожалению, это также означает, что если у вас есть рисунок, созданный с помощью Model Explorer, вы не можете работать с ним в новых версиях Visio, которые не включают Model Explorer.
Шаблон Microsoft Visio UML Model Diagram обеспечивает полную поддержку для создания объектно-ориентированных моделей сложных программных систем.
Диаграммы классов
Используйте статическую структурную диаграмму в Visio для создания диаграмм классов, которые разлагают программную систему на части.
Создайте диаграмму классов UML
Диаграммы вариантов использования
На ранних стадиях проекта разработки используйте диаграмму вариантов использования для описания реальных действий и мотиваций.Вы можете уточнить схему на более поздних этапах, чтобы отразить пользовательский интерфейс и детали дизайна.
Создание диаграммы вариантов использования UML
Схемы статической структуры
Используйте диаграммы статической структуры для создания концептуальных диаграмм, которые представляют концепции из реального мира и отношения между ними, или диаграмм классов, которые разлагают программную систему на части.![]()
Создание схемы статической структуры UML
Схемы комплектации
Используйте диаграммы пакетов для группировки связанных элементов в системе.Один пакет может содержать подчиненные пакеты, диаграммы или отдельные элементы.
Создать диаграмму пакета UML
Диаграммы деятельности
Используйте диаграмму действий для описания внутреннего поведения метода и представления потока, управляемого внутренне созданными действиями.
Создайте диаграмму активности UML
Диаграммы состояний
Используйте диаграмму состояний, чтобы показать последовательность состояний, через которые проходит объект в течение своей жизни.
Создание диаграммы состояний UML
Диаграммы последовательностей
Используйте диаграмму последовательности, чтобы показать актеров или объекты, участвующие во взаимодействии, и генерируемые ими события, упорядоченные во временной последовательности.
Создайте диаграмму последовательности UML
Диаграммы взаимодействия
Используйте диаграмму сотрудничества, чтобы показать отношения между ролями объектов, такие как набор сообщений, которыми обмениваются объекты для достижения операции или результата.
Создайте диаграмму сотрудничества UML
Схемы компонентов
Используйте диаграмму компонентов, чтобы разделить систему на связанные компоненты и показать структуру самого кода.
Создание схемы компонентов UML
Схемы развертывания
Используйте диаграмму развертывания, чтобы показать структуру системы времени выполнения и сообщить, как элементы оборудования и программного обеспечения, составляющие приложение, будут настроены и развернуты.
Создать схему развертывания UML
| Избранные коллекции | |||||||||||||||||||||||||||||||||||||||||
| |||||||||||||||||||||||||||||||||||||||||
| Другие коллекции |
Программное обеспечение для замены сетевой схемы Visio
Edraw Max — это простая альтернативная программа для создания сетевых диаграмм Visio.
Сетевые инженеры могут рисовать сетевые диаграммы.
Лучшее решение для сетевых чертежей
Начиная с версии Edraw Max V4.2, все продукты Edraw могут импортировать XML-файлы Visio. Это полностью Visio совместимый и лучший выбор для сетевые инженеры. В совместимость является символическим уровнем, поэтому вы можете редактировать все линии, цвета и текст позже.
Бесплатная загрузка Visio Замена Программное обеспечение и просмотреть все примеры
Сетевые чертежи Visio
Следующие примеры представляют собой стандартную сеть Visio . рисунки , которые были импортированы в Edraw.Эффект приятный и ты не нужно изменять их снова. Нажмите только Импортировать файл Visio XML .
Посмотреть сравнение функций программного обеспечения Visio и Edraw
Узнайте, почему Edraw — лучшая альтернатива Visio
Подробная схема сетевой топологии Visio
Схема базовой топологии сети Visio
Схема стойки Visio
Схема Visio Active Directory
Скачать бесплатно Visio как программное обеспечение и просмотреть все Примеры
Бесплатная загрузка Купить сейчасОбзор сетевой схемы Edraw
Edraw совместим с Visio.

Для заголовков столбцов и значений таблицы Excel существуют определенные требования. Воспользуйтесь разделом Взаимодействие между столбцами Excel и компонентами блок-схемы Visio в качестве наглядного пособия.
Вы можете добавить любое количество дополнительных столбцов. По умолчанию эти данные не отображаются на схеме, если вы не добавите рисунки, связанные с данными. Чтобы просмотреть данные фигуры на схеме Visio, выберите Данные > Окно данных фигуры. Дополнительные сведения о данных фигур и рисунках, связанных с данными, см. в статьях Добавление данных в фигуры и Рисунки, связанные с данными: обзор.
Сохранение схемы Visio
В этом случае Visio требуется дополнительный столбец данных, представляющий связь между фигурами. Если в диалоговом окне Обновить данные источника выбрать команду Перезаписать, добавляется дополнительный столбец.
Дополнительные сведения см. в статье Использование мастера «Создание диаграммы на основе данных».
Затем нажмите кнопку создать , чтобы открыть шаблон визуализатора данных Visio.
в статье Рисунки, связанные с данными: обзор.
Тема в Visio представляет собой набор цветов и эффектов, которые можно применить к документу одним щелчком мыши. С помощью тем документам можно легко придать профессиональный вид. Дополнительные сведения см. в статье Применение тем для профессионального оформления документов.
Они могут установить пакет шаблона на своих компьютерах. Дополнительные сведения см. в статье Экспорт и установка пакета шаблона «Визуализатор данных».
).