Защита трехфазных электродвигателей от обрыва одной из питающих фаз
Тысячи электродвигателей выходят из строя из-за обрыва одной из фаз питающего напряжения. Часто ни предохранители, ни автоматы не спасают электродвигатель, и его нужно отправлять в перемотку.
Существует несколько промышленных устройств, предназначенных для защиты двигателей от перегрева в случае обрыва одной из фаз.
Наиболее эффективным в этом плане видится блок защиты, предназначенный для отключения пускателя в аварийных режимах и удержания его в отключенном состоянии до осмотра нагрузки и устранения неисправности [1].
В нем регулируется порог срабатывания максимальной токовой защиты и порог срабатывания тепловой защиты в зависимости от мощности двигателя.
Блок хорош, но сложен, дорог, дефицитен и на каждый двигатель их не напасешь. Существовало реле контроля фаз и отключающее двигатель при обрыве одной из них, но даже в те времена это реле было в дефиците. Электромонтеры по своему разумению и возможностям самостоятельно изготавливали схемы защиты.
В [2] показана одна из таких схем. В [3] входят описания:
- реле контроля фаз;
- тепловая защита электродвигателей;
- мостовая схема защиты;
- две простые схемы защиты;
- простой способ защиты.
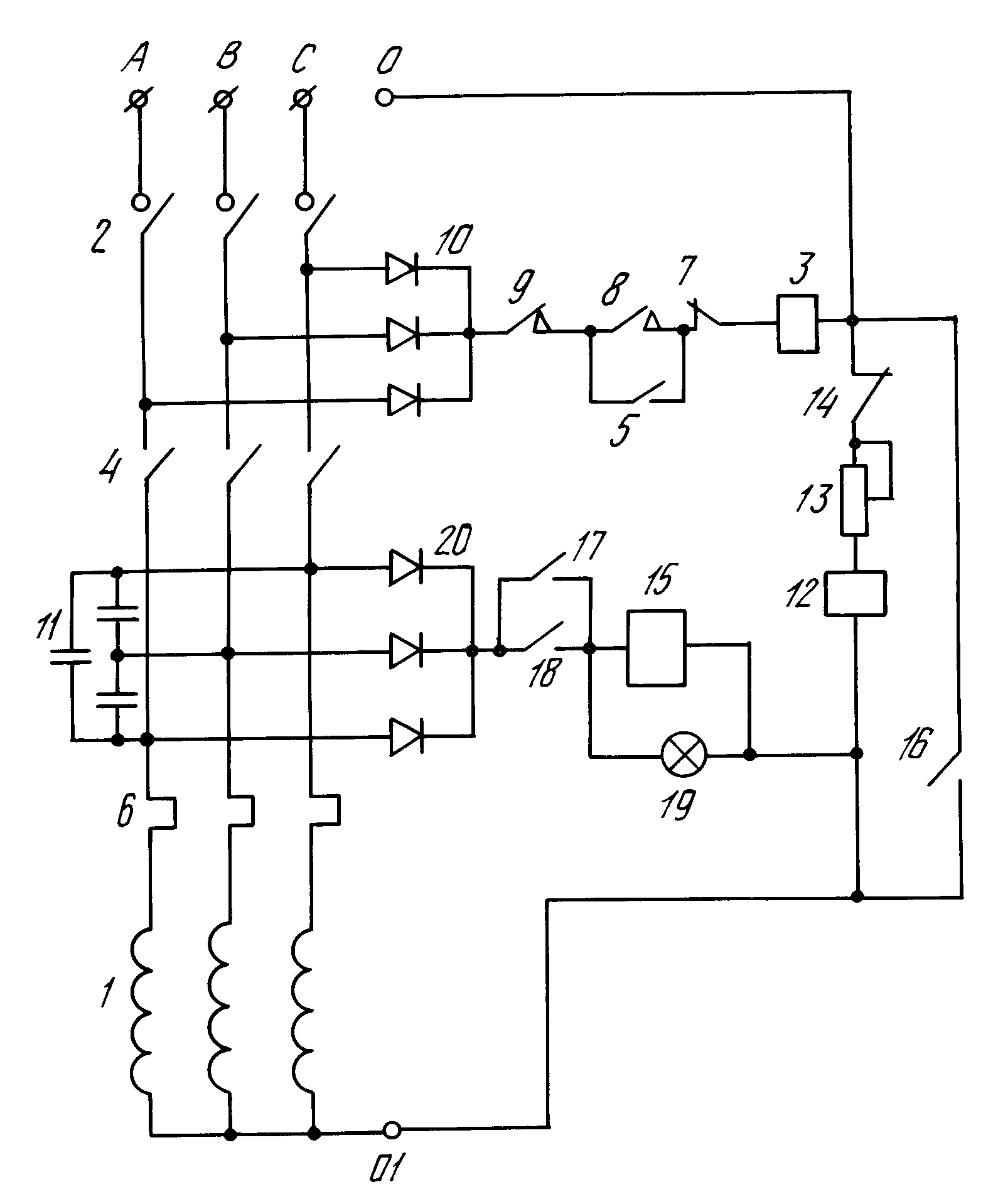
В [4] также описаны схемы защиты. Работая электромонтером, автором статьи в 1967 году было сделано несколько подобных устройств. Одно из них (рис.1) состояло из трех трансформаторов тока Т1…ТЗ, вторичные обмотки которых включены согласно-последовательно и напряжение с которых поступает на обмотку реле обрыва фазы К2 своим нормально-разомкнутым контактом, которое удерживает катушку магнитного пускателя К1 во включенном состоянии, когда присутствуют все три фазы.
При пропадании любой из них реле своим контактом обесточивает катушку магнитного пускателя. При отсутствии любой из фаз запуск двигателя невозможен.
Рис. 1. Схема устройства для защиты трехфазных электродвигателей.
Вторичные обмотки трансформаторов тока намотаны на тороидальных сердечниках из трансформаторной стали. Торы имеют размеры: внешний диаметр 40 мм, внутренний — 20 мм, высота — 15 мм. Обмотка содержит несколько сот витков провода ПЭВ-0,15.
Первичная обмотка образуется несколькими витками фазных проводов в зависимости от мощности двигателя. Реле поляризованное РП-4 подключено ко вторичным обмоткам через диод VD1 Д7Ж.
Параллельно обмотке реле подключен электрический конденсатор С1 емкостью 50 микрофарад. Все это устройство помещалось в пускатель третьей величины.
При попытке запатентовать идею, из ВНИИГПЭ пришел ответ, что идея трех трансформаторов тока озвучена ранее и указан номер авторского свидетельства.
С. Левченко. РМ-04-17.
Литература:
- Пускатели тиристорные серии ПТ. Паспорт ОДЖ 468.243.
- Шепетько Ю. Защита трехфазного двигателя. — Радио, № 3, 1972, с. 51.
- Сборник “В помощь радиолюбителю”, выпуск 19. — М., ДОСААФ, 1964, с. 41…51.
- Зимин Е. Защита от работы на двух фазах. — Энергия, Москва-Ленинград, 1967, с. 69.
Устройство защиты от обрыва фаз УЗОФ-3М
ООО СЦ «КОНТЭКС-Кран» осуществляет дефектовку, ремонт, настройку, поставку, замену, монтаж устройств от обрыва фаз, в том числе УЗОФ-3М.
Правилами устройства и безопасной эксплуатации грузоподъемных кранов для кранов с электроприводом предусмотрена защита от падения груза и стрелы при обрыве любой из трех фаз питающей электрической сети (ст. 2.12.15). Для этой цели на многих кранах с электроприводом устанавливаются различные устройства защиты от обрыва фаз, +такие как ЕЛ-13, реле обрыва фаз РОФ и др. Оценка эффективности данных устройств при установке их на электрических кранах показывает, что они выполняют функцию защиты лишь частично, а именно, только при обрыве фазы в питающей электрической сети. Анализ отказов в работе электропривода грузоподъемных машин показывает, что обрыв фазы чаще всего происходит из-за повреждений кабельных линий, подходящих непосредственно к двигателю или неисправностей коммутирующей аппаратуры.
В этом случае указанные выше средства защиты от обрыва фаз не срабатывают, т.е. безопасность работы не обеспечивается.
Для устранения этого недостатка был разработан прибор защиты от обрыва фаз типа «УЗОФ-3М», выпускаемый в настоящее время ЗАО ИТЦ «КРОС». Прибор состоит из электронного блока и трех трансформаторов тока, установленных в цепи электропривода грузоподъемных механизмов, и контролирующих наличие тока в обмотках электродвигателя. Данный прибор может выполнять защитные функции одного электродвигателя, либо группы электродвигателей, работающих раздельно.
Например, электропривод грузовой и стреловой лебедок могут быть защищены в следующих условиях:
- при обрыве фаз в питающей сети крана при включении двигателя;
- при обрыве фазы в цепи одного электродвигателя всегда;
- при обрыве фазы в цепи статора группы электродвигателей вышеуказанных грузоподъемных механизмов в случае, если грузовая и стреловая лебедки одновременно не включены.
Прибор надежно работает на кранах с кабельным и троллейным питанием от внешней сети или с питанием от собственного генератора и приводах с динамическим торможением.
«УЗОФ-3М» может применяться в приводах грузоподъемных машин без ограничений.
Принцип действия прибора основан на контроле наличия тока в каждой из фаз и контроля напряжения в питающей электрической сети. При протекании тока по проводам, пропущенным в окна трансформаторов тока, в обмотке трансформаторов наводится напряжение, которое подается в блок обработки сигналов прибора.
Блок обработки сигналов формирует управляющие сигналы о наличии тока в каждой фазе с учетом, определяемой из соображений безопасности, задержки срабатывания, чем обеспечивается защита от ложных срабатываний при кратковременном пропадании тока в фазах, например, в переходных режимах переключения.
Выключение реле при обрыве фазы питания обеспечивает защиту при отсутствии напряжения в питающей электрической сети при условии подключения цепи управления тормозом грузоподъемного механизма к фазе, не связанной с цепью питания прибора «УЗОФ-3М».
Время отключения реле электронного блока с момента обрыва фазы 0,7…1 с.
Прибор не теряет работоспособности при симметричных колебаниях питающего напряжения от +10% до –20% от номинального значения и однофазном снижении напряжения до 30%.
Прибор не реагирует на перекос фаз.
Техническая характеристика прибора «УЗОФ-3М»
- Напряжение питания, В – 380/220.
- Потребляемая мощность, ВА – не более 5.
- Рабочий диапазон тока, А – 6 – 900.
- Габаритные размеры (ДхШхВ), мм.: 215х70х95.
- Масса прибора, кг: — 1,2 (не более)
Прибор «УЗОФ-3М» выполнен в виде блока и размещается как в силовом шкафу, так и непосредственно у двигателя.
Разрешение Ростехнадзора на серийный выпуск и применение № РРС 64-00021, действительно до 27.12.2007 г.
Общие сведения Устройство защиты от обрыва фазы и снижения напряжения типа ЗОФ-50Р предназначено для защиты судовых электроэнергетических систем трехфазного переменного тока от обрыва одной из фаз и сигнализации о снижении напряжения при питании сберега. Структура условного обозначения ЗОФ-ХХР: Условия эксплуатации Рабочая температура окружающей среды от 0 до 60°С (ЗОФ-50), от минус 10 до 50°С (ЗОФ-50Р).  Относительная влажность окружающего воздуха до 80% при температуре 40°С и до 98% при 25°С.   Окружающая среда невзрывоопасная, не содержащая токопроводящей пыли, а также агрессивных газов и паров в концентрациях, разрушающих металл и изоляцию.   Степень защиты IР20.   Атмосфера типа III по ГОСТ 15150-69.   В процессе эксплуатации должны соблюдаться действующие правила техники безопасности при эксплуатации электроустановок по ГОСТ 12.2.007.7-83 и ГОСТ 12.2.007.0-75.   Устройство защиты соответствует ТУ 16-91 ИГФР.566112.006 ТУ и ИГФР.566112.006 ТО. Нормативно-технический документ ТУ 16-91 ИГФР.566112.006 ТУ;ИГФР.566112.006 ТО Технические характеристики Номинальное напряжение U Конструкция и принцип действия Конструктивно устройство выполнено из пластмассового основания и
металлического кожуха, внутри которого установлены две платы с
радиоэлементами и блок трансформаторов. Подключение токовых цепей
выполнено с помощью клеммных колодок, а цепей напряжения, выходных
и контрольных цепей — с помощью разъема. Рисунок   Габаритные и установочные размеры устройства защиты, крепление розетки 2РТТ40БПН16Г23 к плите и разметка для сверления отверстий в плите В комплект поставки входят: устройство защиты; кабельная часть разъема; паспорт; техническое описание и инструкция по эксплуатации устройства защиты в количестве, оговоренном в заказе. Центр комплектации «СпецТехноРесурс» |
Защита от обрыва фазы
ЗУ от обрыва фазы устанавливаются в цепи фидера питания с берега и предназначены для его отключения при обрыве фазы. Тем самым исключается массовый выход из строя судовых 3-фазных АД вследствие перегрузки по току при работе в 1-фазном режиме. Этот вид защиты может быть построен на операционном усилителе DA типа 140УД1В (рис. 20.1, а).
Принцип действия ЗУ основан на сравнении двух напряжений: входного Uвх и опорного Uon, приложенных соответственно к инверсному 9 и прямому 10 входам. Напряжение Uвх получено при помощи схемы выпрямления на диодах VD1-VD3 и пропорционально току фидера питания с берега. Напряжение Uon создано током, протекающим по цепи: «+» 6,3 В — потенциометр RP1 — корпус, снимается с нижней части потенциометра. Дифференциальное входное напряжение U = Uвх — Uоп между входами 9 и 10 имеет полярность большего из этих напряжений.
При нормальном режиме работы
береговой сети Uвх > Uon (рис. 41.2, б),
поэтому напряжение U имеет полярность: «+» на входе 9,
«-» на входе 10.
Через входы усилителя DA протекает ток по цепи:
«+» схемы выпрямления — R4-
вход 9
— вход 10
— R5-RP1
— «-» схемы выпрямления.
На выходе усилителя DA существует небольшое
отрицательное напряжение Uвых1 (рис. 20.1, в), недостаточное для включения
реле KV1.
При обрыве фазы токи в исправных фазах одинаковы по значению и сдвинуты на 180°. При этом в промежутках времени t входное напряжение уменьшается до значения Uвх < Uon (рис. 9.4, г), вследствие чего полярность напряжения U изменяется на обратную. Через входы усилителя DA потечет ток обратного направления по цепи: «+» 6,3 В -верхняя часть RP1-R5 — вход 10 — вход 9 — VD4 — корпус. На выходе усилителя DA напряжение скачком изменится от Uвых1 до Uвых2 (рис. 2, д). При этом включается реле KV1, замыкающее свои контакты в цепи независимого расцепителя АВ питания с берега, который отключает береговую сеть от судна.
Диодный ограничитель напряжения на диоде VD4 предназначен для ограничения напряжения на входе 9 до безопасного значения при токах перегрузки и КЗ в цепи фидера питания с берега. При номинальном токе фидера ток через VD4 не протекает, так как прямое напряжение на диоде меньше порогового, при котором диод открыт. При увеличении тока в цепи фидера увеличивается выпрямленное диодами VD1-VD3 напряжение, вследствие чего напряжение на R4 становится больше порогового. Через резистор R4 и открытый диод протекает ток, создающий на VD4 практически неизменное напряжение. Последнее объясняется тем, что при увеличении выпрямленного напряжения одновременно возрастает падение напряжения на R4.
Рисунок 20.1 – Принципиальная схема защитного устройства от обрыва фазы (в) и графики напряжений (б, в, г, д)
Избирательность защиты
электрических сетей. Это свойство защиты
состоит в отключении в кратчайшее время
поврежденного участка сети с сохранением
бесперебойного снабжения электроэнергией
остальных.
Избирательность защиты сети
можно получить настройкой защитных
устройств (ЗУ) по времени отключения
или току срабатывания.
Прибор для защиты от обрыва фаз УЗОФ-3М
Данное устройство представляет собой электронный блок, соединенный с тремя катушками трансформаторов тока. Трансформаторы аппарата УЗОФ-3М контролируют наличие электрического тока в обмотках катушек электродвигателя, то есть проверяют нет ли обрыва фаз. УЗОФ-3М, являясь устройством защиты от обрыва фаз может выполнять свои функции не только для одного электродвигателя, но и для группы двигателей работающих раздельно.
Данный аппарат УЗОФ-3М показывает отличную надежность при работе на кранах с троллейным и кабельным питанием, как от собственного генератора тока, так и с питанием от внешней сети, а также электродвигателях торможение, на которых является динамическим. Основной особенностью УЗОФ-3М является отсутствие ограничений при работе в электроприводах грузоподъемных агрегатов. Принцип действия прибора довольно прост, катушки трансформаторов принимают напряжение и передают сигнал на электронный блок управления, который непосредственно контролирует наличие тока.
| Тип электрического тока | переменный |
| Номинальное напряжение питания | 220 В или 380 В |
| Потребляемая мощность прибора | не более 5 Вт |
| Время задержки срабатывания реле | 0.5-1.0 сек |
| Условия эксплуатации | УХЛ2 по ГОСТ 15150 |
Какое ещё оборудование можно купить в нашем магазине?
В нашем магазине в Новосибирске вы найдете и сможете купить ИБП (источники бесперебойного питания), кроме этого также хотим обратить ваше внимание на достаточно широкий ассортимент автоматических выключателей, различных конфигураций.
У нас в продаже есть электрогенераторы как дизельные так и бензиновые.
Описание параметра «Контролируемые параметры» — Профсектор
Трехфазные реле контроля используются для сигнализации и защиты оборудования от проблем с питающей сетью.
На портале Profsector.com принято следующее обозначение защит:
›U — защита от высокого уровня напряжения.
‹U — защита от низкого уровня напряжения. Пониженное напряжение приводит к возникновению неопределенного состояния в работе оборудования. Если на катушку контактора подается пониженное напряжение, контакты могут неправильно работать при переключении.
¦L — защита от обрыва/пропадания фазы. Обрыв фазы может привести к тому, что двигатели перестанут запускаться или будут забирать необходимый ток из других фаз. Такая ситуация приводит к неравномерным нагрузкам на обмотку двигателя и может вызвать его поломку.
¦N — защита от обрыва нейтрального провода. В случае симметричной нагрузки в сети обрыв нейтрального провода не оказывает никакого влияния на сеть. При обрыве нейтрального провода в сети с ассиметричной нагрузкой в отдельных фазах возникают колебания напряжения, способные нанести значительный ущерб подключенному оборудованию.
⅍U — защита от асимметрии напряжения (только для трехфазных реле). При несимметричном напряжении питания двигателя часть энергии двигателя превращается в реактивную мощность. Производительность падает; кроме того, двигатель подвергается повышенной тепловой нагрузке и может выйти из строя.
§L — защита от нарушения чередования фаз (только для трехфазных реле). Нарушение чередования фаз при работе двигателя или неправильное подключение фаз до пуска приводит к изменению направления вращения подключенного оборудования. Генераторы, насосы или вентиляторы вращаются в неверном направлении, что приводит к неправильной работе оборудования. Своевременное обнаружение ошибок в чередовании фаз имеет большое значение, особенно для машин с вращающимися и движущимися частями.
ʏL — защита «слипание» фаз (только для трехфазных реле). Аварийный режим «слипания» фаз происходит в случае обрыва одной из питающих фаз и замыкании ее со стороны двигателя на другую фазу. При этом одно и то же фазное напряжение подается на две фазы двигателя, на третьей остается в норме. При незначительной амплитудной несимметрии наблюдается значительная фазная несимметрия, приводящая к появлению значительных напряжений обратной последовательности, вызывающих перегрев двигателя и выход его из строя.
Прибор защиты при обрыве фаз “ПЗФ1
Осуществляем поставки запчастей и приборов безопасности для подъёмных кранов! В наличии и под заказ приборы, комплектующие к приборам, датчики, блоки, реле, контакторы. Тел: (391)209-22-00; E-mail: [email protected]
Прибор защиты при обрыве фаз “ПЗФ1”
Прибор предназначен для защиты от падения груза и стрелы у кранов с электроприводом при обрыве любой из трех фаз питающей электрической сети, путем блокирования работы соответствующих механизмов грузоподъемной машины, в соответствии с требованиями правил ПБ 10-382-00. ПЗФ также предназначен для защиты трехфазных асинхронных электродвигателей мощностью от 1 до 500кВт в системах переменного тока частотой 50Гц и номинальным напряжением 380В при следующих аварийных ситуациях:
обрыв фазы по току;
обрыв фазы по напряжению;
нарушение чередования фаз;
перекос фаз по напряжению
Область применения Грузоподъемные краны с электроприводом (мостовые, козловые, башенные, стреловые, портальные), лифты, а также другие машины и механизмы с электроприводом переменного тока.
Отличительные особенности — контролирует как наличие входных фазных напряжений, так и обрыв фаз в цепях обмоток электродвигателя;
— самовосстанавливающийся прибор — после устранения аварийной ситуации разрешает дальнейшую работу электродвигателя (грузоподъёмного механизма).
Преимущества перед приборами аналогичного класса (УЗОФ-М, УЗОФ-3М, УЗОФ-5М): — применены датчики тока накладного типа (патент на изобретение №2100811), благодаря чему при установке нет необходимости резать силовой кабель, что существенно упрощает монтаж;
— имеет выносной индикационный пульт;
— обеспечивает защиту не только при обрыве фаз по току, но и по напряжению, перекосу фаз и нарушению чередования фаз.
Также у нас Вы можете приобрести:
Устройство защиты при обрыве фаз УЗОФ-М
Устройство защиты крана при обрыве фаз УЗОФ-3М.
Будем рады сотрудничеству с Вами!
С Уважением, ООО «Комплект»
Что такое обрыв фазы? Как я могу защитить свое оборудование?
Вопрос:
Что такое обрыв фазы? Как я могу защитить свое оборудование?
Ответ:
Когда одна фаза трехфазной системы потеряна, происходит потеря фазы. Это также называется «однофазным». Обычно обрыв фазы вызван перегоревшим предохранителем, тепловой перегрузкой, обрывом провода, изношенным контактом или механическим отказом. Обрыв фазы, который остается незамеченным, может быстро привести к небезопасным условиям, отказам оборудования и дорогостоящим простоям.
В условиях обрыва фазы двигатели, насосы, воздуходувки и другое оборудование потребляют чрезмерный ток на оставшихся двух фазах, что приводит к быстрому перегреву обмоток двигателя. Выходная мощность значительно снижается, и запуск в таких условиях невозможен. Это потенциально может оставить оборудование в состоянии «заблокированного ротора», что приведет к перегреву и еще более быстрому повреждению оборудования.
Часто бывает сложно быстро найти и устранить обрыв фазы и определить основную причину. Напряжения и токи в трехфазной системе обычно не просто падают до нуля при потере фазы.Часто измерения дают сбивающие с толку значения, для правильной интерпретации которых требуется сложный анализ. Между тем, повреждения и простои оборудования продолжают расти.
Трехфазное реле контроля, также называемое реле обрыва фазы, является экономичным вложением, которое легко установить. Трехфазное реле контроля защищает от повреждений, вызванных обрывом фазы, а также другими условиями трехфазного короткого замыкания. Эти реле уведомляют об условиях неисправности и предоставляют управляющие контакты для отключения двигателей или другого оборудования до того, как произойдет повреждение.
Кроме того, реле обеспечивает четкую индикацию наличия неисправности, что позволяет быстро устранять неисправности и сокращать время простоя.
Трехфазные реле контроля могут быть спроектированы в новых установках или легко модернизированы в существующие установки. Доступно несколько моделей, обеспечивающих различные типы защиты, и предлагается несколько диапазонов напряжения для большинства трехфазных приложений.
Трехфазные двигатели и другое оборудование широко используются в различных отраслях промышленности:
- ОВК
- Горное дело
- Насос
- Лифт
- Кран
- Подъемник
- Генератор
- Орошение
- Петро-Хим
- Сточные воды
- И более
Macromatic предлагает единственный в своем роде монитор фазы, который сохраняет индикацию неисправности и продолжает контролировать все напряжения даже при наличии потери фазы.Проиграйте любую фазу. Вижу это. Каждый раз. Узнайте больше о трехфазных контрольных реле Macromatic, чтобы предотвратить повреждение важных двигателей и оборудования.
Phase Guard — Базовые модели
Стандартные функции для всех моделей
- При обрыве фазы или дисбалансе фаз (12% или более) срабатывает главное реле.
по истечении времени задержки (стандартное 1,5 секунды).
Могут быть добавлены функции, позволяющие настраивать любые из этих параметров. - Phase Guard будет автоматически сбрасывать всякий раз, когда причина неисправности была устранена. исправленное и сбалансированное напряжение восстанавливается.
- Все модели включают выходное реле DPDT с номинальным током контакта 30 А.
- Двухстрочный дисплей показывает текущее состояние реле.
- Если напряжение в норме, через 10 минут на дисплее начнется циклическое отображение состояние реле и последняя неисправность.
- В журнале событий записываются 50 последних сбоев напряжения, а также дата и время.
они произошли.
Phase Guard, модель P
Катушка главного реле в этой модели находится под напряжением при нормальных условиях .
Главное реле сработает при потере 1 или 2 фаз, а также при полной потере мощности.
Рекомендации по применению
Эта модель рекомендуется для защиты насосов, компрессоров, вентиляторов и т. Д. Или любой отдельный двигатель или группа двигателей на общем питании.
Phase Guard Модель PND
Катушка главного реле в этой модели обесточена при нормальных условиях .
Главное реле не сработает при полной потере мощности.
Рекомендации по применению
Полная потеря мощности не повлияет на модель PND, поскольку главное реле обычно обесточен. Эта характеристика помогает исключить возможность ложного срабатывания во время штормы и отключения электроэнергии.
Модель PND рекомендуется для применений, связанных с главным выключателем или с болтовым креплением. переключатель, который должен быть сброшен вручную после сбоя.
Дополнительные опции
Функциональность каждой Phase Guard можно расширить и полностью настроить с помощью множества различных опций и функций.
Эти опции можно приобрести во время первоначального заказа или их можно приобрести позже и активировать.
на Phase Guard с помощью программного обеспечения администратора.
Просмотр списка доступных опций
(PDF) ДЕТЕКТОР ФАЗНЫХ ОТКАЗОВ И ИХ ЗНАЧЕНИЕ В ЭНЕРГЕТИЧЕСКОЙ СИСТЕМЕ
ISSN-L: 2223-9553, ISSN: 2223-9944
Vol.3, No. 2, сентябрь 2012 г. Academic Research International
www.journals.savap.org.pk
Авторские права © 2012 SAVAP International
www.savap.org.pk
Асимметрию напряжения обнаружить труднее всего, поэтому , часто забывают. Отказы двигателя
вызваны небалансом напряжения и часто ошибочно диагностируются как повреждение из-за потери фазы. Если не удается отследить умеренный дисбаланс
, обрыв фазы при работающем двигателе не может быть обнаружен.
Однофазное или обрыв фазы
Однофазное или обрыв фазы — это работа трехфазного двигателя только на двух фазах из-за потери напряжения
на одной фазе. Обрыв фазы — это максимальное условие дисбаланса напряжений. Это происходит
при перегорании одного предохранителя, при механическом отказе оборудования, обрыве линии электропередачи, обрыве обмотки трансформатора питания
или ударе молнии.
Перегрузки
Перегрузка вызвана приложением чрезмерной нагрузки к двигателю.Эта чрезмерная нагрузка превышает
номинального тока полной нагрузки двигателя, заставляя его потреблять больший ток и, следовательно, производить
, вызывая чрезмерное нагревание обмоток.
Отключение электроэнергии (короткие циклы, избыточные циклы)
Большинство отключений электроэнергии длится от 1 до 3 секунд (это не случай в Нигерии) и часто
сопровождается низким напряжением или отключениями. Коммунальные предприятия, повторно замыкая выключатель, сделают три попытки
, чтобы очистить линии.Этот процесс может привести к короткому циклу. Короткое переключение — это повторяющееся действие
включения и выключения устройства за короткий промежуток времени. Помните, что во время запуска двигатель потребляет
600% тока, указанного на паспортной табличке. Двигатель должен работать или бездействовать, пока не будет достигнута нормальная температура
. Большинство двигателей рассчитаны на запуск менее 10 раз в час. Короткое зацикливание может вызвать чрезмерный нагрев
и отказ обмотки.
Реверсирование фаз (неправильная последовательность фаз)
Когда соединения любых двух фаз в трехфазном источнике питания меняются местами, это изменение направления фаз
не повлияет на нагреватель или резистивные нагрузки, но трехфазный двигатель будет вращаться в обратном направлении.Это состояние
разрушительно для оборудования, чувствительного к вращению, такого как лифты, винтовые и спиральные компрессоры
, центробежные насосы и конвейеры
Пониженное напряжение:
Пониженное напряжение — это среднее линейное напряжение, которое ниже минимального допустимое рабочее напряжение
для используемого оборудования.
В соответствии со стандартами NEMA, асинхронные двигатели
должны обеспечивать номинальную нагрузку, указанную на паспортной табличке, при воздействии (сбалансированного) пониженного напряжения -10% от значения, указанного на паспортной табличке двигателей
.Колебания напряжения ниже 90% от номинального значения, указанного на паспортной табличке, могут вызвать перегрев
и нарушение изоляции обмоток. Когда напряжение низкое, пусковой ток
резко возрастает. Пониженное напряжение увеличивает скольжение двигателя и затрудняет запуск двигателя.
ДЕТЕКТОР ОТКАЗА ФАЗ
Детектор обрыва фазы, рассматриваемый в данной работе, представляет собой электромеханическое устройство, используемое в проектировании энергосистем
для защиты нагрузки от повреждения из-за отказа на любой из фаз
, подающих питание на нагрузка.Он автоматически отключает нагрузку от источника питания, если один из отдельных фазных проводов
выходит из строя. Детектор выпадения фазы является особенно важным компонентом в
многих сборочных заводах, использующих сетевое питание. В таких сборках полная потеря мощности в фазе
сетевого питания или значительное снижение ее значения из-за неравномерной нагрузки
вызовут серьезные проблемы.
Примеры других систем, требующих детекторов обрыва фазы, включают источники питания для трехфазных двигателей
, трансформаторов и выпрямителей.Более ярким примером являются выпрямительные решения, в которых используется полууправляемый тиристорный мост
. Для
важно, чтобы даже короткие обрывы сети обнаруживались, чтобы управление мостом не продолжалось в диодном режиме после восстановления сетевого напряжения
. Это связано с тем, что во время сбоя может возникнуть напряжение промежуточной цепи, что приведет к перегоранию предохранителей
при восстановлении напряжения источника питания и нарушению работы процесса
.Таким образом, детектор обрыва фазы может использоваться во многих различных промышленных приложениях, на судах,
Обрыв фазы электрической сети — phasor
Одним из повторяющихся явлений в электрической распределительной сети является отключение фазы от потребителя или обрыв фазы.
Когда клиент подключается к концу высоковольтной линии, которая питает множество потребителей, отключение фазы из-за разрыва моста или проводов не заметно в системах мониторинга и защиты коммунальной компании, установленных на подстанции, до тех пор, пока не будет порван провод. не касается другой фазы или земли.Обрыв фазы на конце линии обычно не вызывает значительного изменения тока, поэтому системы мониторинга энергосистемы не могут обнаружить такую ситуацию. Для отключения фазы может быть ряд других причин: перегорание предохранителя, неисправность в электромеханических компонентах, отсутствие контакта с одним из выводов разъединителя, и т. д.
Часто бывает сложно быстро найти неисправность при потере фазы и определить основную причину.
Напряжения и токи в трехфазной системе обычно не просто падают до нуля при потере фазы.Часто измерения дают сбивающие с толку значения, для правильной интерпретации которых требуется сложный анализ. Между тем, повреждения и простои оборудования продолжают расти.
Трехфазный клиент, получающий только две фазы, может нанести значительный ущерб окружающему оборудованию. Следовательно, защита от потери фазы является обязательной защитой.
Уникальное решение Phasor для обрыва фазы
В отличие от других реле защиты от обрыва фазы или других реле защиты от пониженного / повышенного напряжения, которые немедленно отключают устройство, модуль Phasor PCM поддерживает непрерывность электропитания
в случае одиночного / двойной сбой фазы независимо от причины, за счет автоматического питания однофазных потребителей от одной из оставшихся фаз под напряжением.Как только электропитание восстановится и вернется в нормальное состояние, система автоматически вернется в нормальное состояние. В эту модель встроен механизм защиты от отказа нейтрали.
Электронный предохранитель фазы
Электронный твердотельный фазовый протектор существует уже некоторое время с развитием полупроводниковой технологии.
Это позволило разработать это устройство, которое используется как часть управления двигателем. Это вспомогательные устройства, которые разработчики использовали для защиты двигателей от преждевременного выхода из строя из-за сбоев напряжения.
В области отопления, вентиляции и кондиционирования воздуха эти устройства используются для защиты больших трехфазных двигателей вентиляторов и двигателей компрессоров от повреждений.
Функции защиты фаз
Проверьте спецификации предлагаемых функций, поскольку они варьируются от одного производителя к другому. Вот некоторые из них, которые вам стоит рассмотреть.
Пониженное и повышенное напряжение
Двигатели работают лучше всего, когда входные напряжения находятся в пределах спецификаций с небольшим допуском.Пониженное напряжение снизит крутящий момент при запуске двигателя, увеличит ток и, в конечном итоге, приведет к накоплению тепла в обмотках. Это вызовет пробой изоляции обмоток, что приведет к сокращению срока службы двигателей.
Когда перенапряжение возникает из-за неисправности входящего источника питания, двигатель переходит в режим насыщения, вызывая протекание большого тока и, в конечном итоге, повреждение обмоток двигателей.
Убедитесь, что устройства могут защитить двигатели, когда это происходит.
Ad
Мы участвуем в программе Amazon Services LLC Associates, партнерской рекламной программе, разработанной для того, чтобы мы могли получать вознаграждение за счет ссылки на Amazon.com и аффилированные сайты. |
Реверсирование фаз
Трехфазные двигатели будут вращаться в обратном направлении при смене фаз источника питания.Это приведет к неправильной работе компрессоров, в частности ротационных, спиральных и центробежных компрессоров. Такая защита необходима при проектировании этих систем.
Обрыв фазы
Все три фазы двигателя должны присутствовать, иначе он будет перегружен. Если одна фаза пропала, устройство отключит питание двигателя и предупредит пользователя с помощью индикаторов на фазовом предохранителе.
Защита от коротких циклов
Всегда необходимо обеспечить определенную минимальную продолжительность, по истечении которой двигатели могут снова запуститься.Это критично для больших двигателей, поскольку обычно не предусматривается немедленный перезапуск. Производители или дизайнеры обычно рекомендуют время в несколько минут. Наличие этой функции в устройстве поможет продлить срок службы двигателя.
Неуравновешенность напряжений
Когда трехфазное напряжение источника питания от энергокомпании не сбалансировано или возникает несимметрия, вызванная нагрузкой в здании, это приведет к перегреву двигателя и повреждению обмоток.
Обычно можно установить напряжение дисбаланса, рекомендуемое значение обычно ниже 2%.
См. Также функции регулятора скорости вентилятора.
Мощное и эффективное устройство защиты от обрыва фазы на Deals
Управляйте потоком электроэнергии в цепи с помощью мощного и высокоэффективного устройства защиты от обрыва фазы от Alibaba.com. Электромагнитное устройство защиты от обрыва фазы , которое вы можете найти здесь, представляет собой прочные и надежные переключатели, которые могут безопасно прерывать или продолжать подачу электричества.Эти устройства защиты от обрыва фазы продаются ведущими и надежными оптовыми торговцами и поставщиками электрических запчастей по невероятным ценам и с регулярными справедливыми сделками. Устройство защиты от обрыва фазы является важнейшим компонентом электрической системы цепи, и, следовательно, о нем необходимо точно позаботиться. Устройства защиты от обрыва фазы , выставленные на продажу на сайте, в основном находятся в твердотельном исполнении и доступны с различной контактной нагрузочной способностью.
Устройство для защиты от обрыва фазы идеально подходит как для домашнего, так и для коммерческого использования и не несет в себе опасности поражения электрическим током. Они доступны в нескольких размерах, причем миниатюрные варианты особенно нравятся публике.
Устройство защиты от обрыва фазы на Alibaba.com работает на основе теории электромагнитных реле и герметизировано с различными допустимыми нагрузками по напряжению. Эти устройства защиты от обрыва фазы имеют сертификаты ISO, CE, TS16949, а внешние клеммы в основном изготовлены из меди.Они обладают высокой ударопрочностью и термостойкостью. Предлагаемое здесь устройство защиты от обрыва фазы доступно в различных цветах и также отличается высокой коммутационной способностью.
Посетите Alibaba.com, чтобы ознакомиться с широким ассортиментом устройств защиты от обрыва фазы и сэкономить при покупке этих мощных устройств. Вы также можете выбрать индивидуальную упаковку и логотипы при их заказе. Купите эти умные устройства и получите контроль над током в ваших комнатах, электронными устройствами и многим другим.
【Защита двигателя】 №6 Способы защиты двигателя от специалистов
Защита электродвигателей — Для защиты электродвигателей используются различные защитные устройства. Двигатели используются на разных уровнях в различных приложениях. Асинхронные двигатели широко используются на бытовом, промышленном и коммерческом уровне. В промышленных установках используются асинхронные двигатели различных категорий. Большие промышленные двигатели дороги, поэтому защита двигателя является важным параметром.Для защиты двигателей используются различные блоки защиты двигателя. Защита двигателя была разделена на различные категории в зависимости от режима работы двигателя. Ниже рассматриваются различные категории защиты двигателя.
Защита от перегрузки: Защита от перегрузки — это тип защиты от механической перегрузки.
Условия механической перегрузки могут возникать в двигателе по разным причинам, когда двигатель находится в рабочем состоянии.Ситуации перегрузки могут привести к повышению температуры двигателя, что может привести к его повреждению. Защита, используемая в условиях перегрузки, может отключать двигатель в условиях перегрузки от основного источника питания. Когда двигатель перегружен из-за каких-либо обстоятельств, обмотки двигателя подвергаются возгоранию, так как температура двигателя увеличивается в условиях перегрузки, и в результате обмотки двигателя могут быть повреждены. Точно так же, если выходы двигателя закрыты и нет смысла для выделения тепла, тогда температура двигателя увеличивается по мере того, как двигатель продолжает работать, что также может привести к повреждению обмоток двигателя.Блоки защиты от перегрузки срабатывают в случае перегрузки, питание двигателя прекращается, и двигатель защищается от дальнейшего повреждения.
Защита от перегрузки двигателя
Максимальная токовая защита:Каждый раз, когда через двигатель проходит чрезмерный ток, срабатывает блок защиты двигателя. Автоматические выключатели и предохранители используются в качестве защитных устройств для различных двигателей. Защита от перегрузки по току может защитить персонал от поражения электрическим током, оборудование управления двигателем, проводники параллельных цепей двигателя и сам двигатель от высоких токов.
Защита от низкого напряжения: Блок защиты или устройство используется для отключения двигателя от источника напряжения или источника питания в случае падения напряжения ниже номинального значения для двигателя. Двигатель снова работает, когда напряжение выравнивается до нормального значения. У разных устройств защиты есть свои точки сброса. Некоторые блоки защиты сбрасываются вручную. Он автоматически возвращается в нормальное состояние по разным алгоритмам. Некоторые блоки защиты возвращаются в нормальное состояние по прошествии некоторого заданного интервала времени.


они произошли.