3 схемы автоматического ввода резерва для дома. Ввод 1 — Ввод 2 — Генератор.
При сборке схемы автоматического ввода резерва можно выбрать три варианта. Два более простых и один посложнее.
Рассмотрим каждый из вариантов схемы поподробнее.
Простая схема АВР на 2 ввода
Простейшая схема АВР для двух однофазных вводов собирается всего лишь на одном магнитном пускателе. Для этого понадобится контактор с двумя парами контактов:
- нормально разомкнутым
- нормально замкнутым
Если таковых в вашем контакторе не оказалось, можно использовать специальную приставку.
Только учтите, что контакты у большинства из них не рассчитаны на большие токи. А если вы решите подключать через АВР нагрузку всего дома, то уж точно не стоит этого делать, используя блок контакты расположенные по бокам стандартных пускателей.
Вот самая простая схема АВР:
Описание и принцип работы
Катушка магнитного пускателя подключается на один из вводов. В нормальном режиме напряжение поступает на катушку, она замыкает контакт КМ1-1, а контакт КМ1-2 размыкается.
SF1 и SF2 в схеме – это однополюсные автоматические выключатели.
Напряжение через контактор поступает к потребителю. Дополнительно в схеме могут быть подключены сигнальные лампы. Они визуально будут показывать какой из вводов в данный момент подключен. Немного измененная схемка с лампочками:
Если напряжение на первом вводе исчезло, контактор отпадает. Его контакты КМ1-1 размыкаются, а КМ2-1 замыкаются. Напряжение начинает поступать к потребителю с ввода №2.
Если вам в нормальном режиме просто нужно проверить работоспособность схемы, то выключите автомат SF1 и смотрите как реагирует сборка. Все ли работает исправно.
Самое главное здесь изначально проконтролировать на какой ток рассчитаны эти самые нормально замкнутые и разомкнутые контакты.
При этом обратите внимание, что эту простейшую схему можно собрать двумя способами:
- без разрыва ноля
- с разрывом нулевого провода
Схема ввода резерва с разрывом ноля
Без разрыва можно применять в том случае, если у вас есть две независимые линии эл.передач или кабельных ввода, от которых вы собственно и подключаете весь дом. А вот когда резервной линией является какой-то автономный источник энергии – ИБП или генератор, то здесь придется разрывать как фазу, так и ноль.
Так как основная сеть в 90% случаев выполнена с глухозаземленной нейтралью, а от генератора или ИБП идет с изолированной. Здесь объединять нулевой рабочий проводник от сети, с нулем от генератора нельзя.
Естественно, что все контакторы подключаются после счетчика kWh. QF – это модульные автоматы в щитке дома.
Если у вас второй источник питания подает напряжение не автоматически, например бензиновый генератор без пусковой аппаратуры. Который нужно сначала вручную завести, прогреть и только потом переключиться, то схемку можно немного изменить, добавив туда одну единственную кнопку.
За счет нее не будет происходить автоматического переключения. Вы сами выберите для этого нужный момент, нажав ее когда потребуется. Монтируется эта кнопка SB1 параллельно катушке контактора.
Когда у вас напряжение на основном вводе не исчезает на долго, а периодически пропадает и появляется (причины могут быть разными), в этом случае не желательны постоянные переключения контакторов туда-обратно. Здесь целесообразно использовать специальную приставку к контактору типа ПВИ-12 с задержкой времени.
Схема АВР на два ввода 380В
Трехфазная схема практически аналогична однофазной.
Только особо следите за правильной фазировкой АВС. Она должна совпадать на вводе-1 с вводом-2. Иначе 3-х фазные двигатели после переключения будут крутиться в обратную сторону.
Схема АВР на 2 пускателя
Вторая схема немного посложнее. В ней используется уже два магнитных пускателя.
Допустим, у вас есть два трехфазных ввода и один потребитель. В схеме применены магнитные пускатели с 4-мя контактами:
- 3 нормально разомкнутые
- 1 нормально замкнутый КМ1
Катушка пускателя КМ1 подключается через фазу L3 от первого ввода и через нормально замкнутый контакт КМ2. Таким образом, когда вы подаете питание на ввод №1, катушка первого пускателя замыкается и вся нагрузка подключается к источнику напряжения №1.
Второй контактор при этом отключен, так как нормально замкнутый разъем КМ1, будет в этот момент размокнут, и питание на катушку второго пускателя поступать не будет. При исчезновении напряжения на первом вводе, отпадает контактор-1 и включается контактор-2. Потребитель остается со светом.
Самый главный плюс этих схем – их простота. А минусом является то, что подобные сборки называть схемами автоматизации можно с очень большой натяжкой.
Стоит лишь исчезнуть напряжению на той фазе, которая питает катушку включения и вы легко можете получить встречное КЗ.
Можно конечно усовершенствовать всю систему, выбрав катушку контактора не на 220В, а на 380В. В этом случае будет осуществлен контроль уже по двум фазам.
Но на 100% вы все равно себя не обезопасите. А если учесть момент возможного залипания контактов, то тем более.
Кроме того, вы никак не будете защищены от слишком низкого напряжения. Пускатель №1 может отключиться, только если U на входе будет ниже 110В. Во всех остальных случаях, ваше оборудование будет продолжать получать не качественную электроэнергию, хотя казалось бы, рядом и есть второй исправный ввод.
Чтобы повысить надежность, придется усложнять схему и включать в нее дополнительные элементы:
- реле напряжения
- реле контроля фаз и т.п.
Поэтому в последнее время, для сборки схем АВР, все чаще стали применяться специальные реле или контроллеры — ”мозги” всего устройства. Они могут быть разных производителей и выполнять функцию не только включения резервного питания от одного источника.
Вдруг перед вами стоит более сложная задача. Например, нужно чтобы схема управляла сразу двумя вводами и вдобавок еще генератором. Причем генератор должен запускаться автоматически.
Алгоритм работы здесь следующий:
2.При отсутствии напряжения на обоих вводах осуществляется запуск генератора и переключение всей нагрузки на него.
Схема АВР на 3 ввода с генератором
Как и на чем реализовать подобный ввод резерва? Здесь можно применить схему АВР на базе AVR-02 от компании ФиФ Евроавтоматика.
На сегодняшний день, стоимость таких устройств сопоставима с ценой хорошего корпуса эл.шкафа от ABB. Но там вы получите пустую железную коробку, а здесь умные мозги, которые будут управлять и защищать всю ваше домашнюю электросеть.
В принципе есть смысл один раз потратиться и защитить себя и свое оборудование раз и навсегда.
AVR-02 блок ввода резерва
Данное устройство является многофункциональным и с помощью него можно построить 8 разных схем АВР. Чаще всего применяются три из них:
- ввод№1+ввод№2
- ввод№1+генератор
- ввод№1+ввод№2+генератор
Рассмотрим сначала самую сложную, которая с двумя вводами и генератором. Второй ввод может быть как от отдельной ВЛ-0,4кв или непосредственно КЛ с ближайшей ТП, так и собран на аккумуляторном ИБП с гибридными инверторами.
При этом, на варианте с источником бесперебойного питания, следует предусмотреть ситуацию, когда аккумуляторы разряжаются до допустимого максимума, а потом происходит переключение на генератор. Это очень удобно, дабы не гонять дизельгенератор при кратковременных перерывах в электроснабжении.
Какими функциональными возможностями обладает AVR-02?
- она управляет силовыми элементами – контакторами или пускателями. Также могут использоваться мотор приводы.
- контролирует чередование фаз
- контролирует синфазность вводов
- формирует сигнал запуска генератора
- может работать от внешней батареи 12В
- измеряет уровень напряжений и отключает неисправную линию с низким или высоким напряжением, автоматически переводя питание на ту, где все нормально
- формирует сигнал авария
На передней панели AVR-02 расположены:
- двухстрочный жидкокристаллический дисплей
- кнопки навигации
- светодиодные индикаторы №1 и №2 – показывают подключенный ввод
- К1,К2,К3,К4 – состояние исполнительных реле
Принцип работы AVR 02
Как же работает схема собранная на базе AVR-02? Вот основные ее элементы:
- КМ1.1, КМ2.1, КМ3.1 – это силовые контакты пускателей
- KV1 – реле контроля трехфазной сети
- контакты №18,19,20 – предназначены для контроля аварийных цепей в мотор приводах
- S1 – это что-то вроде кнопки, с помощью которой можно подать сигнал и принудительно заблокировать работу AVR-02

- SB1 – кнопка Reset
- КМ4 – промежуточное реле

Рассмотрим три алгоритма работ и три ситуации для данного АВР.
Ввод №1 и ввод №2 исправны
Первый ввод является основным, второй – резервным. Устройство посредством контактов А1,В1,С1 через защитный автомат QF2 следит за напряжением на вводе-1.
То же самое происходит по вводу-2, через контакты А2,В2,С2.
Так как на всех этих контактах все в норме, AVR-02 должен подать напряжение на катушку КМ. Как это происходит?
Контакт 1 и 11 формируют сигнал управления посредством реле К5. Данное реле К5, если уровень напряжения нормален на обоих вводах, должно включить ввод№1.
То есть находится в том положении, как на изначальной схеме. Напряжение через него попадает на 10 контакт и идет до катушки КМ4. Это промежуточное реле. Его контакты обозначены КМ4.1 и КМ4.2
Реле срабатывает, замыкая свои контакты и напряжение через них попадает на 22-й контакт. Далее AVR включает реле К1. Через него и контакт №24 фаза достигает катушки включения КМ1. При этом другие реле К2,К3,К4 остаются разомкнутыми.
Алгоритм №2 — ввод №1 неисправен
Напряжение на вводе №1 исчезло. AVR-02 видит, что на А1,В1,С1 напряжения нет, зато на А2,В2,С2 оно есть. Поэтому К5 переключается в позицию №11.
Далее U с ввода-2 поступает через 11 на 10 и потом вся схема повторяется как было рассмотрено ранее.
Только в этом случае происходит замыкание не К1, а К2. И соответственно катушки контактора КМ2.
При этом устройство следит за тем, чтобы напряжение на №13,14,15 отсутствовало. Дабы не получилось встречного включения питания (при залипании контактов и восстановлении эл.снабжения).
Если же напряжение хотя бы на одном из разъемов 13-14-15 есть, то катушка КМ2 никогда не сработает. Это и есть защита от встречного напряжения.

АВР с автозапуском генератора
А как будет запускаться генератор, если исчезнет питание с обоих вводов? Контакт №12 служит для подключения к АВР внешнего источника питания +12В.
Когда у вас пропало напряжение на двух вводах, все контакты К1,К2,К3 получаются в разомкнутом состоянии. При этом автоматически происходит замыкание внутреннего контакта реле К4. За счет этого, формируется сигнал запуска для генератора.
Большинство генераторов с возможностью АВР, управляют заслонкой своей собственной автоматикой. Для этого им нужен только сигнал на старт. Вы его как раз и подаете.
Если у вас этого нет, то можно смастерить такую систему самостоятельно.
После подачи импульса, происходит запуск ДГУ и его прогрев. Когда он прогрелся, напряжение на реле KV1 достигает нормы. KV1 представляет из себя, что-то вроде реле защиты трехфазных двигателей.
Оно необходимо для контроля напряжения 3-х фазной сети (правильное чередование фаз и их номинальное значение). Подойдет например такое — CKF-317.
После срабатывания, реле KV1 замыкает свой контакт KV1.1 и напряжение достигает разъема №16. Также U поступает на контакт №9 (он управляет внутренними цепями AVR) и №22.
AVR это видит и подает сигнал на замыкание реле К3 и катушки КМ3. После чего включаются силовые контакты пускателя генератора КМ3.1 Вся нагрузка запитывается от генератора.
Ввод№1+генератор (резерв)
Ну и напоследок рассмотрим чаще всего применяемую схему АВР для частного дома – ввод№1+генератор.
Далеко не все имеют два независимых ввода, плюс еще и ДГУ. Зато наличие отдельно генератора у владельцев особняков, не такая уж и большая редкость.
Основное эл.снабжение осуществляется от первого ввода. Принцип работы здесь такой же как и рассмотренный выше.
При изменение параметров напряжения на выходе за его номинальные значения (резко упало или повысилось, исчезло), происходит смена источника оперативного напряжения. Контакт КМ3.1 размыкается, а контакт КМ3.2 замыкается.
Также размыкаются контакты 22 и 24. Пускатель QF2 выключается. Спустя три секунды AVR 02 дает сигнал на запуск генератора. После его прогрева, происходит замыкание контактов 22-26. Подается напряжение на катушку КМ2 и включается пускатель QF8.
Вся нагрузка переводится на генератор.
Опять же, спустя установленное время, происходит замыкание №22-№24, после чего включается КМ1 и QF2. Питание восстанавливается от основного ввода. При этом контакты 29-30 будут замкнуты пока генератор не охладится.
Время расхолаживания ДГУ лучше выставлять в районе 3-5 минут.
Статьи по теме
типовые схемы подключения на 2 и 3 ввода, на контакторах
Когда электричество исчезает даже на несколько минут, предприятия могут понести колоссальные убытки. А для больниц такая ситуация просто опасна. В большинстве объектах необходимо обеспечивать бесперебойное электроснабжение. Для этого его следует подключить к нескольким источникам электроэнергии. Специалисты при таком подходе используют АВР.


Что такое АВР и его назначение
Автоматический ввод резерва или АВР – это система, относящаяся к электрощитовым вводно-коммутационным распределительным устройствам. Основной целью АВР является быстрое подключение нагрузки на резервное оборудование. Такое подключение необходимо, когда появляются проблемы с подачей электричества от главного источника электроэнергии. Система следит за напряжением и током нагрузки и таким образом обеспечивает автоматическое переключение на функционирование в аварийном режиме.
АВР необходимо, если имеется запасной источник питания (дополнительная линия или еще один трансформатор). Если при аварийной ситуации будет отключен первый источник, вся работа перейдет на запасной. Использование АВР позволит избежать неприятностей, вызванных перебоями подачи электроэнергии.
Требования к АВР


Основные требования к системам АВР заключаются в следующем:
- Она должна иметь высокую скорость восстановления подачи электроэнергии.
- В случае, когда основная линия перестает работать, установка должна обеспечить подачу электроэнергии потребителю от запасного источника.
- Действие осуществляется один раз. Нельзя допускать несколько включений и отключений нагрузки, например, из-за короткого замыкания.
- Выключатель основного питания должен включаться с помощью автоматики системы автоматического ввода резерва. До тех пор, пока не будет подано запасное электропитание.
- Система АВР должна производить контроль корректного функционирования цепи управления резервным оборудованием.
Принцип работы автоматического ввода резерва
Основой работы АВР является контроль напряжения в цепи. Контроль может осуществляться как при помощи любых реле, так и при помощи микропроцессорных блоков управления.
Справка! Реле контроля напряжения (также называют вольт контроллер) отслеживает состояние электрического потенциала. В случае перенапряжения в сети вольт контроллер мгновенно обесточит сеть.
Контактная группа, контролирующая наличие электроэнергии, играет основную роль в системе АВР. В нашем случае это реле. Когда напряжение пропадает, управляющий механизм получает сигнал и переключается на питание генератора. Когда основная сеть начинает работать штатно, этот же механизм переключает питание обратно.


Основные варианты логики функционирования АВР
Система АВР с приоритетом первого ввода
Суть работы системы АВР этого типа заключается в том, что нагрузка изначально подключается к источнику электроэнергии № 1. Когда случается перегрузка, короткое замыкание, обрыв фазы или другая аварийная ситуация, нагрузка переходит на запасной источник. Когда подача электричества на первом восстановлена до нормальных параметров, нагрузка автоматически переключается обратно.


Система АВР с приоритетом второго ввода
Логика работы та же, что и у предыдущего типа системы. Разница в том, что нагрузку подключают к вводу 2. В случае аварии напряжение переходит на ввод 1. После того, как напряжение на втором источнике будет восстановлено, напряжение автоматом переключится на него.
Система АВР с ручным выбором приоритета
Схема системы АВР с ручным выбором приоритета является более сложной, чем рассмотренные выше. В этом случае на системе АВР будет установлен переключатель, с помощью которого можно регулировать выбор приоритета АВР.


Система АВР без приоритета
Эта АВР функционирует от любого источника питания. В случае, когда напряжение идет на ввод 1, а на нём происходит аварийная ситуация, нагрузка переходит на ввод 2. После стабилизации работы первого ввода механизм продолжает работать на вводе 2. Когда произойдет авария на втором, напряжение автоматом переключится на первый.
Основные типы шкафов и щитов АВР
Щит АВР на два ввода на контакторах (пускателях)
Установка шкафа АВР на пускателях – это самый простой способ создать резервное питание. Этот шкаф — наиболее бюджетный вариант установки АВР. Как правило, в шкафах АВР на 2 ввода используют автоматические выключатели. Они нужны для того, чтобы защитить систему от перегрузок и замыканий. Защиту от перекоса фаз и скачков напряжения осуществляет реле напряжения. Кроме этого, реле становятся «мозгом» всей системы автоматического ввода резерва.
Шкаф АВР с двумя контакторами работает по следующему принципу. Два контактора подключены к первому и второму источнику соответственно. Первый контактор замкнут, а у второго цепь разомкнута. Электричество идет через ввод № 1.


Внимание! В случае, когда у АВР логика приоритета второго ввода, ситуация будет обратной: цепь второго контактора замкнута, а первого – разомкнута.
Если подача тока на первом вводе пропадет, а на втором будет нормальной, то контакты второго пускателя замкнутся, и механизм переключится на него. Как только на первом вводе напряжение восстановится – схема перейдет в первоначальное состояние.
При помощи реле здесь можно отрегулировать время задержки, с которой будет осуществляться переключение с одного источника на другой. Оптимальная задержка – от 5 до 10 секунд, она позволит обезопасить систему от ложного срабатывания АВР. Ложное срабатывание может произойти, например, в случае просадки напряжения.
Справка! Для того чтобы оба контактора не могли включиться одновременно, в щитах АВР используют дополнительные механические блокировки.
Щит АВР на 2 ввода на автоматах с моторным приводом
Они лучше всего подходят для использования при номинальных токах 250-6300А. Когда ток на основном вводе пропадает, специальные электромоторы получают сигнал и взводят пружины запасного выключателя, переключая нагрузку на другой ввод.
Основные плюсы шкафов АВР на моторе:
- Ресурс по перезагрузкам намного больше, чем у АВР с пускателями;
- Подключить шины к такому автомату проще;
- Щит АВР на автоматах может работать также и в ручном режиме. В таком случае включить или отключить автомат можно с помощью специальных кнопок.


Суть функционирования этого щита заключается в следующем. Если на основном вводе случилась авария, автоматика проверяет, готов ли ввод 2 для подачи тока. Если все в порядке, то пружина автомата второго ввода взводится, и подается электроэнергия. Когда ввод № 1 снова может работать в штатном режиме, весь процесс идет в обратном порядке, подавая электроэнергию на основной ввод.
На щитах с моторным приводом, как правило, устанавливается лицевая панель, на которой можно отслеживать все изменения в АВР. А для предотвращения одновременного срабатывания двух автоматических выключателей нередко используют электрические блокировки.
Щит АВР на 3 ввода
Эти шкафы являются одними из самых надежных источников питания. Все потому, что в АВР на 3 ввода есть две запасных линии, что обеспечивает максимально низкую возможность отключения питания на объекте. Обычно такие шкафы АВР используют при взаимодействии с потребителями первой категории надежности электроснабжения. К ним относятся такие объекты, обесточивание которых влечет за собой угрозу для жизни людей или безопасности государства, а также может причинить большой материальный ущерб.


Щиты АВР на 3 ввода работают по двум наиболее распространенным схемам.
Первая – это когда одна секция потребителей питается от трех независимых линий. Тогда можно установить приоритет для одного из вводов, а можно работать без приоритета. Нагрузка будет подключена туда, где нормализовано напряжение.
Вторая схема функционирования щита АВР на 3 ввода состоит в том, что две секции потребителей работают от двух линий, которые независимы друг от друга. Третий ввод подключается к запасному источнику питания. В случае аварийной ситуации он подключается к одной из секций.
Справка! Подобные щиты могут быть оснащены и механической блокировкой, и автоматами с электроприводами.
Вводно-распределительное устройство с АВР
Устройство используется для приема и учета электричества, а также для защиты зданий от короткого замыкания или перегрузки. Шкафы ВРУ с АВР используют в сетях переменного тока с напряжением 380/220В с частотой 50Гц.
Шкафы ВРУ с автоматическим вводом резерва представляют собой отдельную панель, где функционирует как автоматическое, так и ручное переключение, а также происходит учет электроэнергии, которая потребляется на каждой линии.
Шкафы ВРУ состоят из:
- Блока введения и вывода кабеля.
- Блока автоматического ввода резерва.
- Блока, где происходит учет потребляемого электричества.
Также они могут быть многопанельными. Тогда дополнительно в них будут установлены противопожарные панели, распределительные панели и другие, в зависимости от требований к электроустановке.
Щит АВР для запуска генератора
Дополнительное питание от генератора электроэнергии позволяет почти полностью избежать полного обесточивания. Это один из самых надежных способов создать бесперебойную подачу электричества. Шкаф АВР в этом случае необходим, чтобы обеспечить автоматическое функционирование генератора по заданному алгоритму.


Шкаф АВР для генератора может работать и в автоматическом, и в ручном режиме. Изначально в нём установлен автоматический режим, но вы можете его легко изменить.
Важно! Для корректной работы связки АВР-генератор последний должен иметь возможность запускаться автоматически.
Когда на вводе 1 прекращается подача электричества, система АВР отправит сигнал для запуска генератора. После того, как генератор начнет нормально функционировать, и напряжение на втором вводе достигнет нужного уровня, механизм переключится на резервный источник. Благодаря установленному реле времени второй ввод не будет подключен к генератору, пока он не начнет работать в штатном режиме. Как только на основном (первом) источнике будет восстановлена подача электроэнергии, генератор будет отключен, а питание переключится на ввод 1.


В ручном режиме работы включение и отключение генератора происходит за счет нажатия специальных кнопок.
БУАВР
Блок управления автоматического включения резерва работает в составе устройств АВР и осуществляет переключение с одного источника на другой. Также он контролирует состояние линий, управляет контакторами и магнитными пускателями, моторами и запускает электрогенератор.


БУАВР в течение определенного периода измеряет напряжение в фазах и обрабатывает результаты в реальном времени. Благодаря этому он может определять среднее значение напряжения в каждой фазе. БУАВР имеет повышенную устойчивость к перенапряжению.
АВР Zelio Logic
Система автоматического ввода резерва с релейной логикой переключения между источниками. Используется программируемое реле Zelio Logic. Одним из основных преимуществ выбора такого реле является европейское качество при относительно низкой стоимости. Также реле Zelio Logic отличается довольно простым программированием. Для корректного использования достаточно базовых знаний. Также реле имеет графический интерфейс, что серьезно упрощает взаимодействие.


АВР ATS
АВР ATS — это шкафы АВР с интеллектуальными микропроцессорными блоками. На данный момент такой вариант шкафа АВР является самым дорогостоящим на рынке. Наиболее востребованы они на промышленных предприятиях, где важно обеспечить надежную бесперебойную работу сети и максимально быстрое переключение на альтернативный источник питания. Некоторые АВР ATS переключаются с одного ввода на другой буквально за две секунды. Также таким блокам не нужно дополнительное питание. Они работают при 480В. Можно выбрать наиболее удобный алгоритм, а также автоматический или ручной режим.


подключение к домовой сети вручную, полуавтоматически и через автоматическую систему
Проблемы с перебоями в энергоснабжении существуют, пожалуй, со времен открытия электричества и знакомы каждому. Одним из выходов из создавшегося положения может стать резервный электрогенератор, на который можно перейти до устранения проблемы. Переключиться на него несложно и вручную, но если объект ответственный или у вас нет желания возиться с рубильниками, эту задачу можно возложить на автомат — АВР для генератора.
Требования к оборудованию резервного питания
Необходимость перехода на резервный источник, как правило, вызвана либо аварийной, либо нештатной ситуацией. В связи с этим нередко все переключения осуществляются неквалифицированным персоналом и зачастую в сложных условиях — в темноте, тесноте, под открытым небом. Именно поэтому требования к резервирующему оборудованию достаточно жесткие:
- Безопасность для оператора. Все резервное электрооборудование не должно иметь открытых токоведущих и движущихся частей (за исключением приводных ручек), а его металлические шасси и кожухи нужно заземлить. Отправляя даже неподготовленного человека на переключение, вы должны быть уверены, что он не попадет под напряжение и не повредит руки какими-нибудь фиксаторами или тягами, даже работая при плохом освещении.
- Безопасность для электрооборудования. Схема коммутации должна быть такой, чтобы даже при не полностью или не в той последовательности выполненном переключении оператор не смог создать аварийной ситуации — подать встречное напряжение, переключить не все фазы, вызвать короткое замыкание и пр. Все это обеспечит сохранность основных и резервных цепей даже при неумелых или ошибочных действиях человека.
- Оперативность. Переход на резервный генератор должен требовать минимум манипуляций и производиться по возможности быстро. Сами устройства коммутации должны быть максимально доступны, чтобы к ним не нужно было взбираться по стремянкам или лазить по люкам. Это особенно важно для ответственных объектов и специального электрооборудования (холодильные установки, системы микроклимата, котлы, печи и пр.).
- Наглядность и простота. Конструкция переключателей и рубильников должна быть максимально простой, а схема переключения — наглядной и интуитивно понятной. Это существенно сокращает вероятность ошибки человека и выхода из строя оборудования. Такие схемы проще обслуживать, а ремонт при их поломке будет стоить дешевле.
Стоит отметить, что каким бы методом переключения на резервное питание вы ни пользовались, ручным или автоматическим, все условия должны быть по возможности максимально соблюдены. Ведь именно от этого будет зависеть не только обеспечение бесперебойного питания объекта, но и безопасность людей.
Методы подключения резервного генератора
В зависимости от конкретных требований и возможностей (наличие или отсутствие дежурного персонала, его квалификации, финансов предприятия и пр.) переход на резервный источник может осуществляться одним из трех способов:
- Ручное переключение.
- Полуавтоматический переход.
- Автоматическое переключение.
Для небольших объектов и частных домов вполне подойдет ручная схема подключения бензогенератора к домашней сети. Оборудование таких систем стоит недорого, а присутствие людей в жилом доме подразумевается само собой. Полуавтоматический способ переключения требует участия оператора на том или ином этапе коммутации, а значит, он отлично подойдет как для частных домов, так и для объектов с постоянным, пусть даже неквалифицированным персоналом.
Полностью автоматический переход обычно используется на автоматизированных и ответственных объектах или участках, а также там, где постоянный персонал отсутствует.
Ручное подключение
Для реализации этого метода достаточно обычного перекидного рубильника на нужное количество полюсов и резервного генератора, подходящих мощности и напряжения.

Схема подключения генератора к сети дома через перекидной рубильник
Для того чтобы запитать дом от резервного источника, здесь достаточно лишь повернуть ручку рубильника, на оси которой находятся переключатели А и В. При этом ножи устройства сначала отключат потребителя от основного источника (сети), и лишь затем подключат его к резервному (генератору). В схеме необходимо коммутировать однофазную цепь, рубильник имеет два переключателя или, как принято говорить, полюса. Но существуют и многополюсные приборы, коммутирующие трехфазные линии.

Трехполюсные перекидные рубильник (слева) и переключатели
Первым на рисунке приведен двухпозиционный рубильник, два последних — переключатели, имеющие по три позиции. Рубильник позволяет подключить нагрузку либо к сети, либо к резервному источнику. Третьего не дано. Трехпозиционные приборы имеют третье (промежуточное) положение, в котором нагрузка уже отключена от сети, но еще не подключена к генератору.
Если потух свет, рубильник переключается на бензиновый или дизельный генератор и этот самый генератор запускается. Во время пуска на выходе напряжение частота начнут плавно увеличиваться от нуля до номинала.
В это время двигатели электроприборов сгорят. Будь в вашем распоряжении трехпозиционный переключатель, вы бы смогли сначала просто отключить дом от сети, потом спокойно запустить генератор, вывести его на режим, а уж затем переключиться к резервному электропитанию.
Полуавтоматический переход на другой источник
Этот метод подразумевает автоматизацию тех или иных (не всех) процессов переключения. Участие человека в таком типе переключения все равно необходимо, но сама коммутация становится намного проще и безопаснее как для человека, так и для оборудования.
Автомат переключения на резерв
Этот узел, который несложно собрать своими руками, предназначен для автоматического переключения нагрузки с основного на резервный источник при пропадании первого и наоборот. Для его реализации понадобится электромагнитный пускатель или реле, срабатывающие от 220 В и с контактами, выдерживающими ток домовых потребителей. В качестве примера взято электромагнитное реле РЭК77/3 с тремя группами переключающих контактов:

Электромагнитное реле РЭК77/3 с обмоткой 220 В / 50 Гц
Устройство выдерживает ток до 10 А, и вполне может использоваться в качестве автоматического переключателя на небольшом объекте или в частном доме. Схема же автомата будет выглядеть следующим образом:

Здесь реле исполняет роль автоматического перекидного выключателя. Одна группа контактов переключает фазу, другая — ноль, третья не используется. Обмотка реле питается от основной сети. В исходном положении в линии «Сеть» присутствует напряжение, реле включено и подает напряжение на нагрузку. При пропадании сети реле отпускает и переключает нагрузку на питание от генератора. При возобновлении электроснабжения реле К1 вновь срабатывает, и схема возвращается к питанию от основного источника.
Это полный автомат ввода резерва, но лишь в том случае, когда сам резервный источник всегда под напряжением. Если же в качестве резерва используется бензогенератор, а это чаще всего именно так, то понятно, что система будет полуавтоматической — генератор придется запускать вручную.
С запуском бензогенератора
Эта конструкция в состоянии самостоятельно запустить генератор. Единственное условие — сам генератор должен иметь стартер и дистанционную систему пуска хотя бы кнопкой. Для реализации этой идеи понадобится еще одно реле и пусковой таймер произвольной конструкции:

Подключение бензогенератора к сети дома, схема с автостартом
Здесь реле К1 исполняет те же функции — переключает нагрузку при пропадании основного напряжения. Но дополнительно оно своей третьей группой контактов подает напряжение на стартер и реле времени. Реле периодически пытается завести генератор, с его запуском появляется напряжение на резервной линии. При этом срабатывает реле К2 и своими контактами отключает систему автозапуска бензогенератора.
Но и эта конструкция не является полным автоматом. Во-первых, если генератор по каким-либо причинам не запустится (холодно, плохая регулировка пуска, нет топлива и пр.), устройство будет пытаться заводить его до тех пор, пока не сожжет стартер или не посадит пусковой аккумулятор. Во-вторых, при появлении основного напряжения автоматика переключит нагрузку на него, но не заглушит генератор.
Полный автомат ввода резерва
Для того чтобы полностью автоматизировать процесс, необходимо нечто большее, чем 2 реле — полноценная система контроля. Такая система существует и называется АВР — Автоматический Ввод Резерва. Создаются подобные устройства на базе программируемых AVR контроллеров, имеют в своем составе множество датчиков обратной связи и регуляторов. Сделать такое оборудование самостоятельно сможет лишь квалифицированный специалист.
Но оснастить свой дом или любой другой объект подобным автоматом можно — они есть в продаже, хотя и стоят недешево. Зато список функций, выполняемых стандартным АВР, достаточно велик:
- Отключение потребителей от основного источника при пропадании в нем питающего напряжения.
- «Умный» запуск генератора с контролем неудачного старта.
- Вывод бензогенератора на рабочий режим.
- Подключение потребителей к линии генератора.
- Подсчет моточасов, контроль температуры двигателя, расхода топлива и пр.
- Контроль напряжения, частоты и тока с автоподстройкой режима работы генератора.
- Автоматическое переключение на основной источник при возобновлении штатного электроснабжения.
- Остановка бензогенератора.
- Зарядка аккумулятора стартера.
Сегодня купить блок АВР можно как в комплекте с бензогенератором, так и отдельно. Первый вариант, конечно, проще (узлы адаптированы и подключены друг к другу уже производителем), но финансово неоправдан, если генератор уже есть. В этом случае достаточно приобрести АВР, но перед покупкой обязательно проконсультируйтесь со специалистом о том, сможет ли конкретная модель автомата работать именно с вашим генератором. Структурная же схема подключения генератора с АВР в домовую сеть будет выглядеть примерно так:

Общая схема подключения генератора с блоком АВР
Originally posted 2018-07-04 07:16:31.
что это такое, расшифровка, устройство, варианты схем АВР
Нельзя гарантировать бесперебойную работу энергосистемы, поскольку всегда существует вероятность воздействия на нее техногенных или природных внешних факторов. Именно поэтому токоприемники, относящиеся к первой и второй категории надежности, положено подключать к двум или более независимым источникам энергоснабжения. Для переключения нагрузок между основными и резервными питаниями используются системы АВР. Подробная информация о них приведена ниже.
Что такое АВР и его назначение?
В подавляющем большинстве случаев такие системы относятся к электрощитовым вводно-коммутационным распредустройствам. Их основная цель — оперативное подключение нагрузки на резервный ввод, в случае возникновения проблем с энергоснабжением потребителя от основного источника питания. Чтобы обеспечить автоматическое переключение на работу в аварийном режиме, система должна отслеживать напряжение питающих вводов и ток нагрузки.
Типовой щит АВРРасшифровка аббревиатуры АВР
Данное сокращение это первые буквы полного названия системы – Автоматический Ввод Резерва, как нельзя лучше объясняющее ее назначение. Иногда можно услышать расшифровку «Автоматическое Включение Резерва», такое определение не совсем корректное, поскольку под ним подразумевается запуск генератора в качестве резервного источника, что является частным случаем.
Классификация
Вне зависимости от исполнения, блоки, шкафы или АВР принято классифицировать по следующим характеристикам:
- Количество резервных секций. На практике чаще всего встречаются АВР на два питающих ввода, но чтобы обеспечить высокую надежность электроснабжения, может быть задействовано и больше независимых линий.
Шкаф АВР на три ввода - Тип сети. Большинство устройств предназначено для коммутации трехфазного питания, но встречаются и однофазные блоки АВР. Они применяются в бытовых сетях электроснабжения для запуска двигателя генератора.
Применение АВР в частном доме - Класс напряжения. Устройства могут быть предназначены для работы в цепях до 1000 или использоваться при коммутации высоковольтных линий.
- Мощностью коммутируемой нагрузки.
- Время срабатывания.
Требования к АВР
В число основных требований к системам аварийного восстановления электроснабжения входит:
- Обеспечение подачи питания потребителю электроэнергии от резервного ввода, если произошло непредвиденное прекращение работы основной линии.
- Максимально быстрое восстановление электропитания.
- Обязательная однократность действия. То есть, недопустимо несколько включений-отключений нагрузки из-за КЗ или по иным причинам.
- Включение выключателя основного питания должно производиться автоматикой АВР до подачи резервного электропитания.
- Система АВР должна контролировать цепь управления резервным оборудованием на предмет исправности.
Устройство АВР
Существует два основных типа исполнения, различающиеся приоритетом ввода:
- Одностороннее. В таких АВР один ввод играет роль рабочего, то есть используется, пока в линии не возникнут проблемы. Второй – является резервным, и подключается, когда в этом возникает необходимость.
- Двухстороннее. В этом случае нет разделения на рабочую и резервную секцию, поскольку оба ввода имеют одинаковый приоритет.
В первом случае большинство систем имеют функцию, позволяющую переключиться на рабочий режим питания, как только в главном вводе произойдет восстановление напряжения. Двухсторонние АВР в подобной функции не нуждаются, поскольку не имеет значения от какой линии запитывается нагрузка.
Примеры схем двухсторонней и односторонней реализации будут приведены ниже, в отдельном разделе.
Принцип работы автоматического ввода резерва
Вне зависимости от варианта исполнения АВР в основу работы системы заложено отслеживание параметров сети. Для этой цели могут использоваться как реле контроля напряжения, так и микропроцессорные блоки управления, но принцип работы при этом остается неизменным. Рассмотрим его на примере самой простой схеме АВР для бесперебойного электроснабжения однофазного потребителя.
Рис. 4. Простая схема однофазной АВРОбозначения:
- N – Ноль.
- A – Рабочая линия.
- B – Резервное питание.
- L – Лампа, играющая роль индикатора напряжения.
- К1 – Катушка реле.
- К1.1 – Контактная группа.
В штатном режиме работы напряжение подается на индикаторную лампу и катушку реле К1. В результате нормально-замкнутый и нормально-разомкнутый контакты меняют свое положение и на нагрузку подается питание с линии А (основной). Как только напряжение в на входе А пропадает, лампочка гаснет, катушка реле перестает насыщаться, и положение контактов возвращается в исходное (так, как показано на рисунке). Эти действия приводят к включению нагрузки в линию В.
Как только на основном вводе восстанавливается напряжение, реле К1 производит перекоммутацию на источник А. Исходя из принципа работы, данную схему можно отнести к одностороннему исполнению с наличием возвратной функции.
Представленная на рисунке 4 схема сильно упрощена, для лучшего понимания происходящих в ней процессов, не рекомендуем брать ее за основу для контроллера АВР.
Варианты схем для реализации АВР с описанием
Приведем несколько рабочих примеров, которые можно успешно применить при создании щита автоматического запуска. Начнем с простых схем для бесперебойной системы электроснабжения жилого дома.
Простые
Ниже представлен вариант схемы АВР, переключающей подачу электричества в дом с основной линии на генератор. В отличие от приведенного выше примера, здесь предусмотрена защита от короткого замыкания, а также электрическая и механическая блокировка, исключающая одновременную работу от двух вводов.
Схема АВР для домаОбозначения:
- AB1 и AB2 – двухполюсные автоматические выключатели на основном и резервном вводе.
- К1 и К2 – катушки контакторов.
- К3 – контактор в роли реле напряжения.
- K1.1, K2.1 и K3.1 – нормально-замкнутые контакты контакторов.
- К1.2, К2.2, К3.2 и К2.3 – нормально-разомкнутые контакты.
После переводов автоматов АВ1 и АВ2 алгоритм работы блока АВР будет следующим:
- Штатный режим (питание от основной линии). Катушка К3 насыщается и реле напряжения срабатывает, замыкая контакт К3.2 и размыкая К3.1. В результате напряжение поступает на катушку пускателя К2, что приводит к замыканию К2.2 и К2.3 и размыканию К2.1. Последний играет роль электрической блокировки, не допускающей подачи напряжения на катушку К1.
- Аварийный режим. Как только напряжение в главной линии исчезает или «падает» ниже допустимого предела, катушка К3 перестает насыщаться и контакты реле принимают исходную позицию (так, как показано на схеме). В результате на катушку К1 начинает поступать напряжение, что приводит к изменению положения контактов К1.1 и К1.2. Первый играет роль электрической защиты, не допуская подачи напряжения на катушку К2, второй снимает блокировку подачи питания на нагрузку.
- Чтобы работала механическая блокировка (на схеме отображена в виде перевернутого треугольника) необходимо использовать реверсивный пускатель, где ее наличие предполагается конструкцией электромеханического прибора.
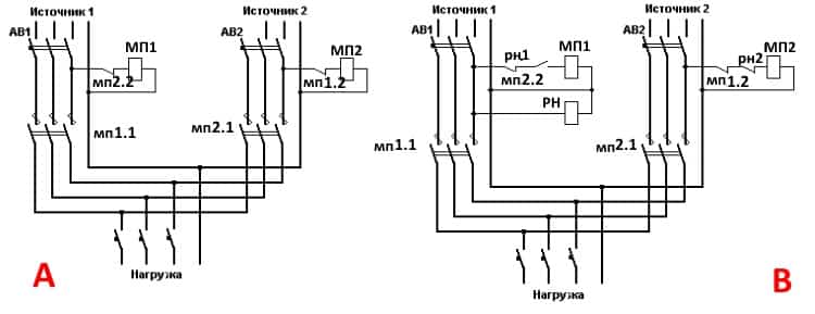
Теперь рассмотрим два варианта простых АВР для трехфазного напряжения. В одном из них энергоснабжение будет организовано по односторонней схеме, во втором применено двухстороннее исполнение.
Рисунок 6. Пример односторонней (В) и двухсторонней (А) реализации простого трехфазного АВРОбозначения:
- AB1 и AB2 – трехполюсные автоматы защиты;
- МП1 и МП2 – магнитные пускатели;
- РН – реле напряжения;
- мп1.1 и мп2.1 – групповые нормально-разомкнутые контакты;
- мп1.2 и мп2.2 – нормально-замкнутые контакты;
- рн1 и рн2 – контакты РН.
Рассмотрим схему «А», у которой два равноправных ввода. Чтобы не допустить одновременное подключение линий применяется принцип взаимной блокировки, реализованный на контакторах МП1 и МП2. От какой линии будет питаться нагрузка, определяется очередностью включения автоматов АВ1 и АВ2. Если первым включается АВ1, то срабатывает пускатель МП1, при этом разрывается контакт мп1.2, блокируя поступление напряжение на катушку МП2, а также замыкается контактная группа мп1.1, обеспечивающая подключение источника 1 к нагрузке.
При отключении источника 1 контакты пускателя ПМ1 возвращаются в исходное положение, что приводит в действие контактор ПМ2, блокирующий катушку первого пускателя и включающий подачу питания от источника 2. При этом нагрузка будет оставаться подключенной к этому вводу, даже если работоспособность источника 1 пришла в норму. Переключение источников можно делать в ручном режиме манипулируя выключателями АВ1 и АВ2.
В тех случаях, когда требуется одностороння реализация, применяется схема «В». Ее отличие заключается в том, что в цепь управления добавлено реле напряжения (РН), возвращающее подключение на основной источник 1, при восстановлении его работы. В этом случае размыкается контакт рн2, отключающий пускатель МП2 и замыкается рн1, позволяя включиться МП1.
Промышленные системы
Принцип работы промышленных систем энергообеспечения остается неизменным. Приведем в качестве примера схему типового шкафа АВР.
Схема типового промышленного шкафа АВРОбозначения:
- AB1, АВ2 – трехполюсные устройства защиты;
- S1, S2 – выключатели для ручного режима;
- КМ1, КМ2 – контакторы;
- РКФ – реле контроля фаз;
- L1, L2 – сигнальные лампы для индикации режима;
- км1.1, км2.1 км1.2, км2.2 и ркф1 – нормально-разомкнутые контакты.
- км1.3, км2.3 и ркф2 – нормально-замкнутые контакты.
Приведенная схема АВР практически идентична, той, что была представлена на рисунке 6 (А). Единственное отличие заключается в том, что в последнем случае используется специальное реле контролирующее состояние каждой фазы. Если «пропадет» одна из них или произойдет перекос напряжений, то реле переключит нагрузку на другую линию, и восстановит исходный режим при стабилизации основного источника.
АВР в высоковольтных цепях
В электрических сетях с классом напряжения более 1кВ реализация АВР более сложная, но принцип работы системы практически не меняется. Ниже в качестве примера приведен упрощенный вариант схемы понижающей ТП 110,0/10,0 киловольт.
Упрощенная схема ТП 110/10 кВИз приведенной схемы видно, в ней нет резервных трансформаторов. Это говорит о том, что каждая из шин (Ш1 и Ш2) подключена к своему питающему трансформатору (T1, T2), каждый из которых может на определенное время стать резервным, приняв на себя дополнительную нагрузку. В штатном режиме секционный выключатель СВ10 разомкнут. АВР контролирует работу ТП через ТН1 Ш и ТН2 Ш.
Когда перестает поступать питание на Ш1, АВР выполняет отключение выключателя В10Т1 и производит включение секционного выключателя СВ10. В результате такого действия обе секции работают от одного трансформатора. При восстановлении источника система ввод резерва перекоммутирует систему в исходное состояние.
Микропроцессорные бесконтакторные системы
Завершая тему нельзя не упомянуть о АВР с микропроцессорными блоками управления. В таких устройствах, как правило, используются полупроводниковые коммутаторы, которые более надежны, чем аппараты, выполняющие переключение с помощью контакторов.
Электронный блок АВРОсновные преимущества бесконтакторных АВР несложно перечислить:
- Отсутствие механических контактов и всех связанных с ними проблем (залипание, пригорание и т.д.).
- Отпадает необходимость в механической блокировке.
- Более широкий диапазон управления параметрами срабатывания.
К числу недостатков следует отнести сложный ремонт электронных АВР. Самостоятельно реализовать схему устройства также не просто, для этого потребуются знания электротехники, электроники и программирования.
Автоматический ввод резерва — принцип работы, назначение, схемы
Что такое АВР? Как он применяется в электрике и других сферах? Виды и принципиальные схемы, а также инструкции по подключению далее в статье!
Как расшифровывается АВР в электрике
Автоматический ввод резерва – ситуация, при которой вместо основного источника питания в ход идёт запасной. В дополнение к обычным, но непредсказуемым перебоям в электроснабжении, вызванным погодой или стихийными бедствиями, назревает кризис из-за быстро снижающейся маржи резервов коммунальных услуг. Спрос на электроэнергию растет с каждым годом, но производственные мощности не идут с ним в ногу. Это потому, что на строительство электростанций и линий электропередач уходят годы.
Обычно длительные сроки реализации крупных проектов дополнительно увеличиваются из-за задержек в регулировании и публичного противодействия. Конечным результатом является то, что резервная маржа – избыточная способность коммунальных предприятий производить электроэнергию сверх нормального спроса – значительно снижается. В периоды пикового спроса (например, в жаркие летние дни) с каждым годом все чаще возникают перебои с подачей электроэнергии, перебои в подаче электроэнергии и отключение электроэнергии. Из-за этого потребность домовладельцев и предприятий иметь аварийное резервное питание на месте будет только возрастать.
Генераторы на солнечной, ветряной или водяной энергии могут также использоваться в качестве систем возобновляемой энергии, сокращая использование генераторов. Перебои в подаче электроэнергии происходят как неприятные прерывания, отключения, кратковременные отключения и длительные отключения. Неприятные прерывания, которые обычно варьируются от кратковременных отключений до скачков напряжения, могут помешать доступу к данным в автономном режиме и даже повредить хранимую информацию.
Переходные повышенные напряжения могут повредить физические компоненты системы. Отключения – это вызванные коммунальными предприятиями снижения напряжения на линиях электропередачи для снижения нагрузки на оборудование для коммунальных генераторов. Большинство отключений происходит в летнее время и снижает производительность кондиционера, когда охлаждение наиболее необходимо. Отключение может привести к дальнейшим проблемам с оборудованием.
Что такое автоматический ввод резерва и назначение
Сбои, отключения питания, скачки напряжения и перебои в работе приводят к простоям, и во многих случаях это время простоя – дорогостоящее. Стратегии внедрения резервного питания больше не являются обязательными. Они являются необходимым способом обеспечения надежного питания. Это спокойствие требует тщательно спланированных подходов. Прежде чем выбирать систему, определите общие требования к мощности для элементов, которые будут работать на генераторе. Стартовые ватты также требуют рассмотрения, поскольку они могут колебаться в пределах от 50 до 300 процентов больше, чем требуемые обычные ватты. Элементы, которые излучают тепло, такие как тостеры и духовки, не требуют дополнительных ватт при запуске.
Что такое АВР в генераторе
Это система аварийного питания. Она запускается, если генератор не может обеспечивать энергией сеть из-за перебоя. Даже при одинаковом расходе топлива и маленький генератор, использующий 100-процентную мощность и не имеющий резервной мощности, и больший генератор с 50-процентной мощностью могут закончиться. Может быть полезно увеличить электрические нагрузки при выборе генератора для стиральной машины, кондиционера или водяного насоса, которые используют большие электрические нагрузки, чем телевизоры и радиоприемники. Редкие большие нагрузки могут быть запущены непосредственно с генератора, что устраняет необходимость в инверторе и дополнительной емкости аккумулятора. Во время большого скачка мощности зарядное устройство батареи будет отключено, а мощность генератора и инвертора будет добавлена к общей доступной выходной мощности.


Область применения АВР
В продуктовых магазинах используются сканеры и компьютерные системы управления, и они не могут работать без питания. Другие предприятия всех видов также зависят друг от друга. Системы резервного источника энергии дороги, поэтому одним из наиболее важных факторов при составлении бюджета является определение того, соответствует ли система потребностям бизнеса. Тип выбранной системы резервного копирования во многом зависит от того, какой тип сбоя может повлиять на бизнес и где находится само пространство. В сельской местности питание часто подается от базового единого сервисного участка через воздушные распределительные линии. Эти линии могут быть подвержены дорожно-транспортным происшествиям, которые способны привести к отключению электроэнергии в нескольких местах.
В сфере коммунальных услуг существует множество тенденций, поскольку к поставщикам коммунальных услуг предъявляются все более высокие требования. Технология зависит от хорошего качества и надежной мощности. Все больше отраслей обращают внимание на резервное питание, потому что сегодня просто отсутствие питания – это не единственный ответ, ключом является бесперебойное питание. Меньший генератор может быть подключен к инвертору или зарядному устройству и блоку аккумуляторов для оптимизации эффективности.
Как работает АВР, принцип работы
Кратковременные простои чаще всего возникают, когда в системе распределения коммунальных услуг существует проблема, которая не может быть быстро устранена. Эти отключения длятся менее четырех часов. Хотя большинство компаний могут пережить кратковременное отключение, они также осознают значительную потерю производительности. Долгосрочные перебои в работе превышают половину рабочего дня и приводят к длительному отключению электроэнергии с потерей данных. Дерегулирование становится растущей тенденцией в мире, вызывая неопределенность в поставках и стоимости электроэнергии, которая не была проблемой в прошлом. Наличие надежного источника энергии является сегодня еще более необходимым, поскольку компьютерные системы очень важны для бизнеса.
Как работает АВР в ВРУ
Принцип действия АВР основан на контроле тока в цепи. Это может быть реализовано с помощью любых реле напряжения либо цифровых логических блоков защиты. Но принцип работы всё равно остаётся таким же. Пример:


Это однолинейная схема, на которой видно, что мониторинг наличия напряжения осуществляется контактором КМ. Оба автомата QS1 и QS2 должны быть включены, при этом катушка КМ получит питание и будет втянута, а её замыкающий контакт в цепи главного ввода тоже замкнут и размыкающий контакт в цепи запасного ввода разомкнут.
Как работает АВР на подстанциях
Схема работы:


Виды АВР
Большинство устройств должны быть жестко подключены к сетевой среде. Это открывает больше возможностей для электрических подрядчиков. Блоки, как правило, состоят из одно- или трехфазной системы электропитания, и все они требуют какой-то жесткой проводки системы к электрической инфраструктуре здания. Это станет хорошим рынком для оптимизации работы электрических подрядчиков. Дизельные генераторы могут храниться в помещении более безопасно и в течение более длительного периода времени без ухудшения качества. Если генератор работает на 50 % или более от его мощности, эффективность увеличивается. Агрегаты без аккумуляторных батарей работают непрерывно, что приводит к увеличению затрат на эксплуатацию за киловатт-час электроэнергии. Генератор должен находиться в диапазоне от 120 до 200 процентов от максимальной скорости зарядки аккумулятора от зарядного устройства до аккумулятора.
АВР однофазный с двумя контактами


Светодиодные АВР


Схема АВР на 3 ввода


АВР одностороннего или двухстороннего действия


Тиристорный АВР


Статический АВР


АВР с моторным приводом


Стоечный авр


Вакуумный АВР


Принципиальная электрическая схема АВР
Если агрегат имеет верхние клапаны и масляный фильтр, он может удвоить свою эффективность и работать 1500 часов (около шести месяцев по восемь часов в день). Некоторые системы превосходят структурные возможности большинства офисных зданий, и полная поддержка создает трудности при хранении, поэтому в коммерческом офисном здании может быть сложно установить дизельный генератор. Если компания ожидает значительного роста в течение следующих нескольких лет, необходимо изучить структуру здания, чтобы учесть этот рост и определить его потребности.
Скоростной, трёхфазный и дизельные агрегаты на 600 об / мин, которые потребляют меньше топлива, чем модели с более низкой скоростью вращения (1800 об / мин), работают дольше, потребляют меньше топлива и имеют четыре полюса вместо двух. Микропроцессорный центр управления контролирует постоянное напряжение в сети. Как только напряжение упадет ниже заданного значения, двигатель генератора запустится автоматически. Когда питание восстанавливается, генератор передает электроэнергию обратно в электроэнергию. Растет потребность в более надежных системах. Важно найти централизованную систему для подачи электроэнергии, когда в противном случае она становится недоступной. Все больше и больше людей находят способы оптимизировать эффективность в своих домах или офисах.
Схемы АВР
Если аварийное резервное копирование требуется в течение коротких периодов или только в выходные дни, может быть предпочтительным бензиновый или пропановый генератор. Все более популярная система – это тихоходный дизель-генератор мощностью 10 кВт промышленного класса, обеспечивающий круглосуточную работу.
При подключении к 275-галлонному резервуару для отопления дома он может работать без перерыва в течение полутора недель при полной нагрузке или трех недель при половинной нагрузке. Большинство генераторов настроены на подачу резервного источника бесперебойного питания сразу же после сбоя питания.
Наиболее распространенным источником энергии для жилых помещений является газ, пропан, природный газ или дизельный генератор. Дизельные агрегаты, которые стоят дороже, как правило, являются наиболее эффективными.
Схема АВР на контакторах


Схема АВР для генератора с автозапуском


Схема АВР на пускателях


Схема ГРЩ с АВР


Схема ВРУ с АВР на 2 ввода


Схема АВР с реле контроля фаз


Однолинейная схема АВР


Схема АВР на автоматах с электроприводом


Устройство АВР
Более эффективные приборы также могут быть использованы, включая флуоресцентное освещение и пропановый холодильник. Как правило, требуется не менее четырех-шести параллельных блоков 6-вольтовых батарей, чтобы поглотить мощность либо на зарядное устройство, либо на инвертор.
Это обеспечивает достаточное накопление энергии. Чтобы рассчитать емкость аккумулятора для накопления энергии, возьмите 25 процентов мощности в ваттах (вольт-ампер) в нормальных условиях и 50 процентов в аварийных условиях. Максимальная безопасная скорость зарядки для предотвращения перегрева и повреждения аккумулятора использует уровень заряда / 10. Спрос на системы резервного питания растет.
Меньше электростанций строится из-за экологических проблем или противодействия сообщества. Существует растущая потребность в аварийном резервном питании. Тенденции в области аварийного резервного питания становятся все более убедительными.
Как подключить АВР
Если вы не уверены, какой тип батареи нужен, вы можете узнать это, найдя текущую батарею. Традиционные системы домашней безопасности используют большую одиночную батарею 12 В на панели управления, которая обычно находится в металлической коробке, спрятанной в шкафу. Более новые системы и интеллектуальные системы безопасности имеют специальный аккумулятор, который расположен внутри клавиатуры. Во многих других компонентах и датчиках используются типичные бытовые батареи, такие как батарейки типа АА или плоские кроны.
После того, как вы нашли аккумулятор, который необходимо заменить, если вы не можете распознать его, извлеките его и отнесите с собой в специализированный магазин аккумуляторов. В противном случае оставьте его на месте, пока не получите новую батарею. В большинстве случаев вы можете снять пластиковое покрытие, чтобы просмотреть батареи на беспроводных устройствах. Иногда винт необходимо удалить. Если вы не знаете, как получить доступ к батареям, обратитесь за помощью в службу безопасности.
Особенно в новых системах батареи легко отсоединять и заменять. Убедитесь, что вы точно помните, как установлены батареи, чтобы вы могли подключить их таким же образом. В панелях управления могут быть провода, подключенные к батарее, которые необходимо будет подключить к новой.
Подключение АВР к генератору с автозапуском
Функция запуска генератора работает от аккумулятора. Зарядное устройство держит аккумулятор генератора заряженным, обеспечивая его точным «плавающим» напряжением. Если плавающее напряжение очень низкое, батарея останется недозаряженной. Если плавающее напряжение очень высокое, это сократит срок службы батареи. Зарядные устройства обычно изготавливаются из нержавеющей стали для предотвращения коррозии. Они также полностью автоматические и не требуют каких-либо настроек или каких-либо настроек.
Выходное напряжение постоянного тока зарядного устройства установлено на уровне 2,33 В на элемент, что является точным напряжением плавания для свинцово-кислотных аккумуляторов. Зарядное устройство аккумулятора имеет изолированный выход постоянного напряжения, которое мешает нормальной работе генератора.
Электрический запуск и выключение. Панели управления с автоматическим пуском автоматически запускают генератор при отключении электроэнергии, контролируют генератор во время работы и автоматически выключают агрегат, когда он больше не требуется.
Из чего состоит АВР
Система бесперебойного питания обычно основана на аккумуляторе батареи, связанном с инверторами для преобразования переменного напряжения в постоянное и обратно в переменный ток для питания критически важного оборудования. Эта система защищает специализированное оборудование от повреждения в результате кратковременных отключений. Резервная мощность ограничена размером генератора, батарей, инвертора или другой резервной системы питания. Многие дома и крупные компании сегодня требуют бесперебойного электропитания (ИБП), особенно для того, чтобы компьютеры оставались в рабочем состоянии.
Для генерации обычного 120-вольтового напряжения в экстренном случае у вас есть два варианта:
- Вы можете купить двигатель-генератор с питанием. Двигатель может сжигать бензин, дизель или пропан.
- Вы можете купить инвертор и питать его от автомобильного аккумулятора или аккумулятора двойного цикла, который вы приобрели для инвертора.
Для того чтобы выбрать правильный аварийный источник питания и размер его правильно, вы должны понять кое-что о требованиях к мощности устройств, которые вы планируете работать.
Базовая единица измерения мощности – это мощность, а при использовании аварийного источника питания важны две номинальные мощности: постоянная мощность и импульсная мощность. Обычная лампа накаливания на 60 Вт требует, как и следовало ожидать, 60 Вт, и она требует мощности как в момент, когда вы включаете ее, так и во время работы. Мотору потолочного вентилятора, с другой стороны, может потребоваться 150 ватт, чтобы работа началась, и 75 ватт в то время, как он работает. Эта дополнительная мощность для запуска двигателя называется импульсной мощностью и типична для всего, что содержит электродвигатель. Вот обычные значения мощности некоторых устройств в типичном домашнем хозяйстве:
| Устройство | Типичная мощность | Импульсная мощность |
| Лампочка | 60 Вт | Всплеск 60 Вт |
| Вентилятор | 75 Вт | Импульс 150 Вт |
| Маленький черный / белый телевизор | 100 ватт | Импульс 150 Вт |
| Цветной телевизор | 300 Вт | Скачок 400 Вт |
| Домашний компьютер и монитор | 400 Вт | Всплеск 600 Вт |
| Электрическое одеяло | 400 Вт | Скачок 400 Вт |
| Микроволновая печь | 750 Вт | 1000 ватт |
| Печь вентилятора | 750 Вт | 1500 Вт всплеск |
| Холодильник | 1200 Вт | 2400 Вт всплеск |
| Скважинный насос | 2400 Вт | 3600 Вт всплеск |
| Электрический водонагреватель | 4500 Вт | Скачок 4500 Вт |
| Весь дом А / С или тепловым насосом | 15000 Вт | Всплеск 30000 Вт |
Из этой таблицы видно, что тепловой насос или кондиционер для всего дома имеет огромный аппетит к мощности. Если в вашем доме есть тепловой насос и вы хотите иметь возможность поддерживать тепло в доме во время сбоя в электроснабжении зимой, то вам нужно либо купить очень большой генератор (который стоит очень много), либо вам потребуется резервная копия, или источники тепла, такие как дерево или пропан.
Протокол проверки работоспособности системы АВР
Генератор с одним ископаемым топливом и автоматическим переключателем, который контролирует нормальное электропитание и передает мощность, относится к самым популярным агрегатам. Эта система используется для питания систем безопасности жизнедеятельности и других элементов здания, которые могут выдерживать освещение, кондиционирование воздуха и другие перебои.
Время срабатывания АВР
Поскольку инвертор генератора работает непрерывно, случайные скачки напряжения не вызывают конфликтов. Генератор, когда он подключен к сети, справится со всеми скачками напряжения.
При выключенном генераторе инвертор круглосуточно питает переменный ток от батарей. Во всех системах резервного копирования необходимо использовать переключатель (автоматический или ручной), чтобы предотвратить обратную подачу питания в линию. Этот коммутатор получает питание от генератора или энергокомпании, но он передает только один источник нагрузки через инвертор.
Инвертор должен быть подключен к сети и питаться от батареи, чтобы выдерживать любые нагрузки переменного тока в случае сбоя питания. Многие инверторы предлагают функции автоматического запуска и остановки генератора для обеспечения дальнейшей автоматизации системы.
ГОСТы и нормы
ГОСТ Р 51732-2001 — Устройства вводно-распределительные для жилых и общественных зданий. Общие технические условия. http://docs.cntd.ru/document/1200008445.
ГОСТ Р 53471-2009 Генераторы трехфазные синхронные мощностью свыше 100 кВт. Общие технические условия. http://docs.cntd.ru/document/1200080206.
ГОСТ 5616-89 Генераторы и генераторы-двигатели электрические гидротурбинные. Общие технические условия. https://allgosts.ru/29/160/gost_5616-89.
ГОСТ 304-82 Генераторы сварочные. Общие технические условия. https://allgosts.ru/29/160/gost_304-82.
ГОСТ 29322-2014 (IEC 60038:2009) Напряжения стандартные. http://docs.cntd.ru/document/1200115397.
ГОСТ 13109-97 Электрическая энергия. Совместимость технических средств электромагнитная. Нормы качества электрической энергии в системах электроснабжения общего назначения. http://docs.cntd.ru/document/1200006034.
Схема подключения АВР на контакторах. Реле контроля фаз.
Здравствуйте, уважаемые читатели сайта sesaga.ru. Бесперебойное электроснабжение потребителей электроэнергии: промышленных предприятий, банков, больниц, теле и радиоцентров, операторов сотовой связи, загородных домов и т.д. всегда было актуальным. Ведь внезапное отключение напряжения, особенно на длительное время, может привести к непредсказуемым последствиям.
Одним из способов бесперебойной подачи напряжения является раздельное питание потребителя двумя независимыми источниками электроэнергии, один из которых является основным (рабочим), а второй резервным. В качестве основного источника используется рабочая линия подстанции, а в качестве резервного источника может использоваться вторая (резервная) линия подстанции, автономный генератор тока или устройство бесперебойного питания.
В аварийной ситуации при исчезновении напряжения со стороны основного источника электроэнергии важно обеспечить быстрое включение резервного источника. Для этих целей служит автоматический ввод резерва (сокращенно АВР), который автоматически переключает подачу напряжения между рабочим и резервным источниками, обеспечивая непрерывную подачу электричества потребителю.

На самом деле процесс переключения между рабочим и резервным источниками очень ответственный и включает в себя целый комплекс функций и параметров, обеспечивающих надежную работу автоматики системы АВР. Поэтому на подстанциях и распределительных пунктах электрических сетей используют сложные многоуровневые схемы АВР, включающие в себя логическую, измерительную и силовую части.
В рамках этой статьи мы рассмотрим лишь простые электрические схемы автоматического ввода резерва, выполненные на контакторах, а также разберем схему АВР с использованием реле контроля фаз. Все эти схемы Вы сможете легко реализовать в своей домашней электрической сети, и тем самым обеспечить бесперебойное питание бытовой аппаратуры.
1. Схема АВР на одном контакторе.
Рассмотрим простейшую схему АВР, которую можно применить для однофазной сети собственного дома, небольшого производственного или административного здания. Схема выполнена на одном контакторе КМ1, двух однополюсных автоматических выключателей SF1 и SF2, и одном двухполюсном автоматическом выключателе QF1.

При первом включении АВР в работу поочередно включаем автоматы SF1 и SF2.
В рабочем режиме напряжение питания от основного ввода поступает на катушку контактора КМ1. Контактор срабатывает и его нормально-разомкнутый контакт КМ1.1 замыкается, а нормально-замкнутый КМ1.2 размыкается.

Фаза А1 через однополюсный выключатель SF1 и силовой контакт КМ1.1 приходит на вход двухполюсного выключателя QF1. Ноль N нигде не разрывается, а сразу подключается на второй вход выключателя QF1. При включении QF1 его контакты замыкаются, и напряжение основного ввода поступает в сеть к потребителю.
В аварийном режиме, когда напряжение на основном вводе отсутствует, катушка контактора обесточивается, контакт КМ1.1 размыкается, а КМ1.2 становится замкнутым.

Теперь от резервного ввода фаза А2 через выключатели SF2, QF1 и контакт КМ1.2 поступает к потребителю в сеть.
При восстановлении питания на основном вводе на катушку контактора КМ1 вновь поступает напряжение и контактор срабатывает. При этом контакт КМ1.1 замыкается, а КМ1.2 размыкается, и к потребителю опять поступает напряжение от основного ввода.
Бывают ситуации, когда при нормальном режиме работы возникает необходимость перевести питание нагрузки с основного ввода на резервный. Для этого достаточно отключить автоматический выключатель SF1.
Данная схема АВР классическая и прекрасно работает, но при ее использовании необходимо учитывать коммутирующую мощность силовых контактов: если контакты рассчитаны на рабочий ток, например, 12 Ампер, то и нагрузку к АВР следует подключать не более 12 Ампер.
В случае же, когда общая потребляемая мощность, например, дома, будет более 12 Ампер, то от резервного ввода можно запитать только самое необходимое электрооборудование, которое будет обеспечивать нормальную жизнедеятельность до восстановления напряжения на основном вводе.
Однако в таком варианте схема пригодна только для объектов, где есть возможность получить от подстанции две независимые линии питающего напряжения. В домашних условиях такой роскоши нет, поэтому немного видоизменим схему, чтобы адаптировать ее под домашнюю сеть.
2. Схема АВР на одном контакторе, с разрывающимися фазой и нулем.
В отличие от предыдущей схемы здесь коммутируются как фазный провод, так и нулевой, что позволяет использовать автономный источник электроэнергии, и в случае аварии полностью исключать из домашней сети неработающий ввод. А чтобы счетчик не учитывал выработанную энергию резервным вводом, ввод подключен после счетчика.
В качестве резервного питания для этого АВР можно использовать свою мини-электростанцию, дизельный или бензиновый генератор тока, бесперебойный источник питания или какой-нибудь другой автономный источник напряжения.

При первом включении АВР в работу поочередно включаем автоматы SF1 и SF2.
В рабочем режиме напряжение питания от основного ввода поступает на катушку контактора КМ1. Контактор срабатывает и своими нормально-разомкнутыми контактами КМ1.1 и КМ1.2 подключает домашнюю сеть к основному вводу. При этом нормально-замкнутые контакты КМ1.3 и КМ1.4 размыкаются и полностью отключают резервный ввод от домашней сети.

При исчезновении напряжения на основном вводе катушка КМ1 обесточивается, контакты КМ1.1 и КМ1.2 размыкаются и отключают фазный и нулевой провода основного ввода. Одновременно с этим контакты КМ1.3 и КМ1.4 становятся замкнутыми и через них напряжение с резервного ввода поступает в домашнюю сеть.

В данной схеме можно применить модульные контакторы типа VS463-22 230V, ESB-63-22 230V, MK-103, КМ-63, Z-SCh330/63-22, что позволяет питать нагрузку с токами до 63 Ампер.
Иногда возникает ситуация, когда при возобновлении питания на основном вводе не всегда требуется переходить на него автоматически. Чтобы выполнить это условие опять немного изменим схему и добавим в нее кнопку, чтобы переключение на основной ввод происходило только при нажатии этой кнопки. Такой вариант схемы АВР (без счетчика электроэнергии) используется в некоторых электроустановках для питания оборудования КИПиА.

Здесь кнопка SB1 подключена параллельно контакту КМ1.1, который стоит в цепи питания катушки контактора. Такое включение не позволит контактору автоматически включиться при появлении напряжения на основном вводе.
Чтобы запитать контактор вручную необходимо кратковременно нажать кнопку SB1. Напряжение попадет на катушку, контактор сработает, замкнет контакты КМ1.1 и КМ1.2 и подключит основной ввод к домашней сети. При этом контакты КМ1.3 и КМ1.4 разомкнутся и отключат резервное питание.
Конечно, чтобы включить источник резервного питания нужно в схему АВР добавить промежуточное реле, контакты которого бы запускали пусковую электронику аппаратуры резервного питания. Но это нужно делать исходя из каждого конкретного случая.
В дополнение к этой части статьи посмотрите видеоролик, в котором увидите работу обеих схем автоматического ввода резерва.
На этом пока все, а во второй части рассмотрим схему АВР с использованием реле контроля фаз.
Удачи!
устройство и принцип действия системы ввода резерва, применение автоматического переключения питания
АВР — автоматическое включение резервного питания, предназначенное для восстановления электроснабжения потребителей. Происходит это за счет подключения запасного источника питания при отключении основного электрооборудования. Таким образом, если происходит перерыв в этом процессе, то АВР обеспечивает цепь электропитанием. Для моментального ввода существует источник бесперебойного электроснабжения.
Назначение оборудования
Расшифровка системы АВР — автоматический ввод резерв — наилучшим образом объясняет назначение оборудования. Иногда его называют устройством автоматического включения резерва. Это определение относится к переключению основного электрооборудования на запасной генератор, что происходит при аварийном отключении главной сети.
По своему назначению ввод резерва схож с обеспечением бесперебойного электроснабжения. Вся работа системы осуществляется полностью в автоматическом режиме без участия человека. В крупных подстанциях всегда существует два ввода на две автономные секции распределительного устройства.

Согласно требованию правил устройства электроустановок, в этом случае обязательно присутствие АВР для снабжения резервным питанием на 2 ввода. Например, при нарушении работы основного электроснабжения дополнительное оборудование включится автоматически. Визуально такой момент очень трудно заметить, так как высока скорость переключения.
Устройство и принцип работы
Независимо от устройства автоматического включения резерва, принципиальной его задачей считается наблюдение за параметрами электрической сети. Для этого могут использоваться реле контроля напряжения или блоки, оборудованные микропроцессорами. Существуют два основных вида устройства:
Одностороннее (ОАВР) — один ввод работает в качестве основного и применяется, пока в электрической магистрали не возникнут проблемы. Другой выполняет роль запасного и включается в аварийных ситуациях.- Двухстороннее (ДАВР) — оба ввода выполняют основную работу и используются, как резерв.
Сама конструкция представляет собой шкаф или щит АВР с контакторами или автоматами. Часто на практике используются конструкции с восстановлением, то есть как только в основной сети возвращается подача электроэнергии, то резервное питание отключается.

В случае падения напряжения на контролируемом участке цепи, реле подает сигнал на схему АВР. Отсутствие в сети одного напряжения недостаточно, чтобы сработало устройство переключения. Для этого необходимо присутствие еще ряда условий:
- На проверяемом участке не должно быть короткого замыкания, так как включение резервного питания будет невозможно и недопустимо.
- Выключатель ввода обязательно должен быть включен, чтобы при отсутствии напряжения не произошло случайного запуска АВР.
- На участке, от которого будет происходить питание резерва, обязательно наличие напряжения.
Когда все условия будут соблюдены, включатель резерва подает сигнал на отключение вводного выключателя обесточенной сети и на включение АВР. Алгоритм действий происходит строго в этом порядке, то есть без отключения ввода резервное питание никогда не включится.
Комплектация шкафа и щита
Комплектация и правила эксплуатации шкафов ввода резервного питания типа АВР-РН, АВРПА, АВРР практически ничем не отличается друг от друга. Устройство представляет собой сварное изделие прямоугольной формы с двумя дверями.
Внутри вмонтированы две панели, на которых установлены силовые и управляющие устройства. При эксплуатации в сетях с током до 100 А применяются шкафы, изготовленные на базе пускателей ПМ 12 с серебряными контактами.
При силе тока свыше 100 А монтируются вакуумные контакторы. Все соединения входных и выходных цепей осуществляются инструментом, обеспечивающим стойкий контакт. В шкаф устанавливаются зажимы, рассчитанные на подсоединение многожильных медных и бронированных с наконечниками проводов.
Устанавливаемые пускатели должны быть рассчитаны на 300 тыс. срабатываний, а время отключения автоматов при коротком замыкания не превышает 0,05 сек. На всех приборах должны быть соответствующие обозначения, а дополнительно под ними устанавливаются бирки с пояснением.
Шкафы обычно имеют два кабельных ввода: для питающего и резервного провода, которые подключаются к штыревым колодкам. В силовую часть входят:
- силовая колодка ввода;
- выводные колодки, соединенные с соответствующими автоматами;
- два контактора ввода;
- два трансформатора напряжения.
Питание световых индикаторов осуществляется напряжением 36 В. Установленные реле времени АВР обеспечивают трансформаторы бесперебойным снабжением электроэнергией. В систему управления оборудованием входят автоматические выключатели, сигнальные лампы и реле контроля фаз. Собранный шкаф может эксплуатироваться в условиях, исключающих атмосферные осадки и при температуре от — 45 °C до + 45 °C.
Применение резервного питания
Длительное отсутствие электроэнергии доставляет много неудобств для человека, кроме того, может привести к угрозе жизни и безопасности людей. Обеспечить бесперебойное электроснабжение можно от двух независимых источников питания, что применяется для потребителей первой категории. Особая группа первой категории снабжается электроэнергией от трех взаимно резервирующих источников питания. Такие схемы имеют ряд недостатков:
Значение токов короткого замыкания гораздо выше, чем при раздельном электроснабжении потребителей.- Происходят большие потери электроэнергии в питающих трансформаторах.
- Сложная защитная схема.
- Очень трудно вести учет перетоков мощности.
- Иногда тяжело осуществить параллельную работу источников питания из-за наличия ранее установленной релейной защиты.
Поэтому существует необходимость в раздельных источниках питания с наличием быстрого восстановления электроэнергии. Именно эту задачу выполняет АВР, который подключает отдельную сеть или другой источник питания (генератор, аккумуляторную батарею). Щиты резервного включения широко применяются на предприятиях транспорта, связи, при строительстве жилищных комплексов и в других областях промышленности.
Обычно на входе в здание устанавливается шкаф ВРУ с АВР, то есть электрики комплектуют вводно-распределительное устройство блоком резервного питания. Можно такое оборудование устанавливать и отдельными блоками, которые собраны в заводских условиях.
Организация АВР в загородном доме
Для организации АВР загородного дома или беспрерывной работы насосов в качестве запасного источника питания можно использовать генератор. Он позволит на длительный период обеспечить электроэнергией потребителей, пока не восстановят основное электроснабжение.
В зависимости от типа генератора, такое устройство используется как в однофазных, так и трехфазных сетях. Чтобы срабатывание АВР происходило в автоматическом режиме, генератор должен быть снабжен стартером.

При монтаже системы необходимо подключить специальный блок автоматики, который производит запуск генератора во время отключения электроэнергии и его остановку при восстановлении электроснабжения. Блок совместим с любым видом двигателей и имеет три положения: «Запуск», «Включен», «Стоп».
Устройство снабжено подробным описанием, которое позволяет собрать АВР полностью своими руками. Правда, в зимний период двигатель внутреннего сгорания предварительно следует прогреть. Блок автоматики в своей программе подразумевает и такую функцию.
Для обустройства АВР загородного дома можно воспользоваться автомобильным аккумулятором. Помимо него, следует приобрести инвертор для преобразования 12 В постоянного напряжения в 220 В переменного.
Следует учитывать, что мощности такого устройства хватит только для освещения. Для увеличения емкости можно подключить параллельно несколько батарей. Запуск системы осуществляется с помощью специального переключателя, который устанавливается в основную сеть.
отзывов о AVR @ home на SourceForge.net
ФИО
Телефонный номер
Название работы
Промышленность
Компания
Размер компании Размер компании: 1 — 2526 — 99100 — 499500 — 9991,000 — 4,9995,000 — 9,99910,000 — 19,99920,000 или более
Получайте уведомления об обновлениях для этого проекта.Получите информационный бюллетень SourceForge. Получайте информационные бюллетени и уведомления с новостями сайта, специальными предложениями и эксклюзивными скидками на ИТ-продукты и услуги.Да, также присылайте мне специальные предложения о продуктах и услугах, касающихся:
Программное обеспечение для бизнеса Программное обеспечение с открытым исходным кодом Информационные технологии Программирование аппаратные средстваВы можете связаться со мной через:
Электронная почта (обязательно) Телефон смс Я согласен получать эти сообщения от SourceForge.сеть. Я понимаю, что могу отозвать свое согласие в любое время. Пожалуйста, обратитесь к нашим Условиям использования и Политике конфиденциальности или свяжитесь с нами для получения более подробной информации. Я согласен получать эти сообщения от SourceForge.net указанными выше способами. Я понимаю, что могу отозвать свое согласие в любое время. Пожалуйста, обратитесь к нашим Условиям использования и Политике конфиденциальности или свяжитесь с нами для получения более подробной информации.Для этой формы требуется JavaScript.
ПодписывайсяКажется, у вас отключен CSS.Пожалуйста, не заполняйте это поле.
Кажется, у вас отключен CSS. Пожалуйста, не заполняйте это поле.
.| Простая демонстрация PWM с использованием Pot (ADC) Автор: ki0bk, среда, 5 августа 2020 г. — 21:01 Проект ICCAVR v8 для Atmega8 для считывания напряжения с Pot с помощью АЦП и использования этого значения для установки рабочего цикла ШИМ, в качестве бонуса отправьте значение АЦП на … | Полный код / ImageCraft ICCAVR V6 | Среда, 5 августа 2020 — 21:01 | |
| API настройки часов для SAM D5x / E5x Автор: scdoubleu, среда, 29 июля 2020 г., 12:44 Вопросы, касающиеся настройки различных часов на SAM D5x / E5x, часто встречаются на форуме SAM. Многие разработчики прекрасно ладят … | Специальные функции Lib.functions / — | Среда, 29 июль 2020-12: 44 | |
| PCB_111000_UNO часть 3: Подборка пользовательских проектов Автор osbornema в субботу, 18 июль 2020-13: 37 PCB 111000_UNO — это проект для UNO, целью которого является предоставление всего необходимого для появления нового представителя микроконтроллеров и языка C.Все … | 1 | Полный код / Atmel Studio 7 | Суббота, 18 июль 2020-13: 37 |
| Контроллер холодильника / морозильника Lachini Автор lachini в четверг, 9 июль 2020 г. — 06:27 Этот проект основан на морозильной камере и холодильнике бытовой техники PARS MFG.CO. PARS MFG находится в ИРАНЕ. Первый цифровой терморегулятор с тремя клавишами … | Полный код с HW / WinAVR (GNU GCC) | Четверг, 9 июль 2020-06: 34 | |
| PCB_111000_UNO часть 2: Сборка и программирование UNO и PCB_A Автор osbornema в четверг, 2 июля 2020 г. — 13:51 ВВЕДЕНИЕ PCB_111000_UNO разработан для всех, кто хочет: Краткое знакомство с Atmega 328… | Полный код с HW / WinAVR (GNU GCC) | Пятница, 3 июля 2020-14: 54 | |
| neo.asm Автор Simonetta в субботу, 28 марта 2020-14: 31 ДемонстрацияNeoPixel (программируемый светодиод RGB) для Tiny25 на 8 МГц. | Полный код / ассемблер AVR | Суббота, 28 марта 2020-14: 31 | |
| FreeRTOS v10.0.0 порт на ATtiny3217 Размещено heel во вторник, 10 марта 2020 г. — 00:21 Прикреплен порт FreeRTOS v10.0.0 на Attiny3217. Весь проект для Atmel Studio 7 (версия: 7.0.2397) прилагается. Обратите внимание, что для этого нужна серия … | 2 | Полный код / Atmel Studio 7 | Вторник, 10 марта 2020-00: 53 |
| PCB_111000_UNO, часть 1: PCB 111000_1 & UNO_bootloaderForHex & textV6 Автор osbornema в четверг, 16 января 2020 года — 20:31 Обновлено 20.06.2020 до «UNO_bootloader_for_hex & text_V6». Здесь представлена новая подключаемая плата для UNO, известная как PCB 111000_1. Цель состоит в том, чтобы … | Полный код / WinAVR (GNU GCC) | Вторник, 30 июнь 2020-11: 29 | |
| myRFID — Используйте модуль RDM6300 для добавления RFID в приложение MCU Автор: Ntano в пятницу, 3 января 2020 года — 19:13 Всех с новым годом! Это небольшой проект (по сути мой «проект как дизайн-заметка») о добавлении поддержки RFID с модулем RDM6300 в MCU… | 1 | Полный код с HW / AVR Assembler | Пятница, 3 января 2020-19: 13 |
| Программируемый логический контроллер ATmega328 Размещено пользователем lynf.yyz во вторник, 10 декабря 2019-23: 07 Микропрограммируемый логический контроллер для ATmega328P. микроконтроллер. Работает на плате контроллера Arduino Nano. Полностью функциональный, для небольшой автоматизации … | Полный код / Atmel Studio 7 | Вторник, 10 декабрь 2019 g — 23:07 | |
| Инвертор SPWM с обновлениями 4 и 5 ATtiny25 Автор: Ntano в пятницу, 11 октября 2019-15: 58 Это двойное обновление проекта инвертора SPWM (представлен в марте 2019 г.).Это 3-страничное приложение вместе с основным документом, в котором описывается немного … | Полный код / ассемблер AVR | Пятница, 11 октября 2019-15: 58 | |
| GRBL на ATMEGA128 и Atmel studio Автор jvabole в понедельник, 30 сентября 2019-10: 59 ГРБЛ-1.1h порт на mega128 и atmel studio 7 | 1 | Полный код / Atmel Studio 7 | Понедельник, 30 сентября 2019-10: 59 |

Шкаф АВР на три ввода
Применение АВР в частном доме
Одностороннее (ОАВР) — один ввод работает в качестве основного и применяется, пока в электрической магистрали не возникнут проблемы. Другой выполняет роль запасного и включается в аварийных ситуациях.
Значение токов короткого замыкания гораздо выше, чем при раздельном электроснабжении потребителей.